Foram encontradas 56 questões.
No circuito abaixo, com componentes ideais, considere que as saídas dos Flip-Flops (Q no nó “5” para o Flip-Flop 1 e Q no nó “7” para o Flip-Flop 2) estão em zero lógico antes de ser aplicado o sinal de relógio no nó “3”.

Assinale a alternativa que apresenta os valores assumidos a cada pulso do relógio pelas saídas “5” e “7”, respectivamente, após o início da aplicação do relógio.
Provas
Questão presente nas seguintes provas
Um conversor digital analógico (DAC) de 4 bits, com valor de referência de 5V, fornece valor 4,6875V na saída ao se aplicar o valor de entrada D3D2D1D0=“1111”, sendo D3 o bit mais significativo. Qual o valor aproximado na saída do conversor ao se aplicar a entrada D3D2D1D0= “0011”?
Provas
Questão presente nas seguintes provas
Instrução: A questão refere-se ao texto abaixo.
Quando 2012 for apenas uma página metaforicamente amarelada na Wikipédia, dois eventos globais serão associados ao ano que está terminando: o sucesso do clipe da música Gangnam Style e a suposição de que o mundo poderia acabar no dia 21 de dezembro. Excluindo-se a compreensível percepção de que ouvir Gangnam Style sem parar durante boa parte do ano já foi a própria antessala do apocalipse, é possível identificar pelo menos dois elementos em comum entre a dancinha do cantor coreano Psy e a suposta profecia maia.
Para começar, ambos fizeram rir. Um artista que contasse apenas com o próprio talento musical talvez tivesse um pouco mais de dificuldade para alcançar, em apenas cinco meses, a estratosférica cifra de 1 bilhão de visualizações no YouTube. Mas Psy conquistou a atenção do mundo não porque é o novo Michael Jackson, mas porque milhões de internautas de todas as idades acharam engraçado compartilhar o vídeo em que um sujeito gordinho monta um cavalo imaginário enquanto canta em um idioma incompreensível. Também do fim do mundo versão 2012 pode-se dizer, com alguma tranquilidade, que, ao contrário de anúncios anteriores do apocalipse iminente, este ninguém levou a sério. Nenhuma seita perdida nos confins do Planalto Central, nenhuma tribo obscura nos recônditos do México, nem mesmo aqueles malucos urbanos sempre tão dispostos a adotar a última crença pret-à-porter disponível no mercado: ninguém apareceu para reivindicar contrição e abrigos antimeteoros. (O máximo que os descendentes da civilização maia requereram foi o direito de promover o turismo usando como chamariz uma interpretação estapafúrdia de um calendário, o que parece ter sido suficiente para levar milhões de turistas do apocalipse para a região do sudeste mexicano.) O fim do mundo como o conhecemos em 2012 foi, acima de tudo, uma inesgotável fonte de piadas – muito mais do que de metáforas.
O segundo elemento em comum entre os coreanos e os maias é ainda mais decisivo para entendermos a época em que vivemos: trata-se do visível descompasso entre o tamanho original desses dois assuntos e a dimensão que acabaram tomando. Como se o vídeo do seu cachorro correndo atrás do rabo ou o do seu gato se espreguiçando no sofá fosse parar não apenas no Jornal Nacional, mas no cinema, no rádio e nos computadores pessoais de milhões de pessoas ao redor do planeta. Se o número de fãs que genuinamente curte Gangnam Style é muito menor do que aquela cifra de 1 bilhão de visualizações no YouTube sugere, boa parte deste fenômeno é baseada numa multidão que não existe no mundo real – como aqueles investimentos sem lastro que causaram a crise de 2008. Da mesma forma que a possibilidade do fim do mundo, onipresente na mídia nos últimos dias, nunca realmente existiu, a não ser como blague coletiva explorada até a última gota de nada na nadésima potência.
As melhores e as piores ideias já produzidas pelo homem contemplavam a utopia de uma humanidade guiada em bloco por um mesmo ideal coletivo. Religião, ideologia ou mesmo o medo de que o planeta se transforme em um pastel flutuante no espaço ainda não chegaram perto de produzir qualquer tipo de unanimidade global. Mas a internet pode estar mudando isso. O que temos aprendido nestes primeiros anos de rede mundial é que quanto menos se pretende dizer, maior é a chance de que o mundo inteiro esteja disposto a parar para ouvir.
Adaptado de: LAITANO, C. Gangnam style e o apocalipse.
Zero Hora, Porto Alegre, 22 dez 2012.
Considere as afirmações a seguir sobre o sentido de expressões no texto.
I - A utilização da expressão suposta indica a possibilidade de não haver uma profecia maia prevendo o fim do mundo em 2012.
II - O substantivo contrição faz referência a uma revolta contra os desígnios divinos.
III - A expressão turistas do apocalipse faz referência a turistas que viajaram para divulgar a proximidade do fim do mundo.
Quais estão corretas?
Provas
Questão presente nas seguintes provas
Dados os números “55” na base hexadecimal, “111” na base octal e “00100011” na base binária, sua soma na base decimal é
Provas
Questão presente nas seguintes provas
Para o circuito abaixo, considere tensão base-emissor quiescente VBE=0,7V e ganho de corrente (DC) β=300. Considere também os valores dos resistores em Ohms.

A corrente aproximada de coletor IC será de
Provas
Questão presente nas seguintes provas
Instrução: A questão refere-se ao texto abaixo.
Dentre as inúmeras histórias, verdadeiras ou inventadas, que a Antiguidade nos legou, talvez nenhuma seja tão conhecida quanto a visita que Alexandre Magno fez a Diógenes, o filósofo maltrapilho, no ano de 336 antes de Cristo. Nunca teremos um relato definitivo deste encontro notável, já que nem um, nem outro deixaram qualquer registro das palavras que trocaram naquele dia. Foi a partir do depoimento de algumas testemunhas que escritores, pintores e historiadores construíram, ao longo dos séculos, uma verdadeira teia de versões, que diferem no detalhe mas concordam no principal.
A divergência entre os vários relatos não conseguiu diminuir a importância da cena, pois ali se encontraram, frente a frente, um grande filósofo e um grande guerreiro. Nada podia ser mais simbólico: de um lado, um dos maiores sábios de toda a Grécia, que passou a vida demonstrando sua aversão por qualquer espécie de poder; do outro, o jovem macedônio, que seria conhecido e respeitado por todo o Mundo Antigo como o maior chefe militar de todos os tempos. É o historiador Plutarco quem conta: tendo conquistado a Grécia, Alexandre, que já conhecia o renome de Diógenes, foi a Corinto para vê-lo. Os políticos locais receberam-no com honras de chefe de Estado, assim como os filósofos – menos Diógenes, que parecia não dar a mínima para sua presença na cidade.
Alexandre, magnânimo, não se importou em inverter o protocolo, indo ele mesmo, com uma pequena comitiva, procurar o filósofo, que tomava sol no meio da rua, num subúrbio da cidade. Ao ver o grupo que se aproximava, Diógenes soergueu-se sobre os cotovelos e fitou serenamente o rei, que o saudou polidamente e perguntou se poderia fazer alguma coisa por ele. “Sim”, respondeu Diógenes, “sai da minha frente, que estás fazendo sombra para mim”. Alexandre ficou tão impressionado com aquele despojamento e aquela corajosa altivez que, no caminho de volta, teria confessado aos companheiros, que riam da excentricidade do filósofo: “Pois eu, se não fosse Alexandre, juro que gostaria de ser Diógenes”.
Lições como esta sempre deixaram bem claro que, para os antigos, a sabedoria na vida não significa necessariamente profundos conhecimentos teóricos, mas antes um inconfundível espírito soberano, capaz de resistir serenamente às sereias do poder e da ambição, que sempre atraem os incautos para os recifes da incerteza. Alexandre, que, antes de ser soldado, tinha sido discípulo dileto de Aristóteles, deve ter compreendido perfeitamente o que Diógenes, à sua maneira, acabara de lembrar: o conhecimento é um sol que nos aquece; o poder, este, sempre será uma sombra.
Adaptado de: Moreno, C. O sol e a sombra. Zero Hora, 30 de outubro de 2012 | N° 17238.
O presente do indicativo em É o historiador Plutarco quem conta... está sendo empregado para
Provas
Questão presente nas seguintes provas
Um sistema baseado em microprocessador tem o mapeamento de memória descrito na tabela abaixo.
| Dispositivo |
Intervalo de endereços
(hexadecimal)
|
Número
de bytes
|
| RAM | 0000 - 7FFF | T1 |
| ENTRADA/SÁIDA | 8000 - 80FF | T2 |
| IMPRESSORA | 9000 - 90FF | T3 |
| VÍDEO | A000 - A7FF | T4 |
| ROM | C000 - FFFF | T5 |
Para essa configuração, o número de bytes disponíveis para cada dispositivo é
Provas
Questão presente nas seguintes provas
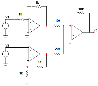
Para o circuito abaixo, considere os amplificadores operacionais como ideais e os valores dos resistores em Ohms.

A tensão de saída no nó “Vo” ao se aplicar as fontes de tensão V1 e V2 tem valor:
Provas
Questão presente nas seguintes provas
Considere as seguintes afirmações em relação à chave estrela-triângulo para acionamento de motores elétricos.
I - Permite que dê a partida com alimentação em estrela e que depois essa seja trocada para triângulo.
II - Permite que a corrente de partida seja maior para alcançar rapidamente a velocidade nominal.
III - É necessário que os seis terminais do motor estejam acessíveis.
IV - A chave permite que disjuntores de segurança tenham um dimensionamento menor.
Quais estão corretas?
Provas
Questão presente nas seguintes provas
Instrução: A questão refere-se ao texto abaixo.
Quando 2012 for apenas uma página metaforicamente amarelada na Wikipédia, dois eventos globais serão associados ao ano que está terminando: o sucesso do clipe da música Gangnam Style e a suposição ______ o mundo poderia acabar no dia 21 de dezembro. Excluindo-se a compreensível percepção ______ ouvir Gangnam Style sem parar durante boa parte do ano já foi a própria antessala do apocalipse, é possível identificar pelo menos dois elementos em comum entre a dancinha do cantor coreano Psy e a suposta profecia maia.
Para começar, ambos fizeram rir. Um artista que contasse apenas com o próprio talento musical talvez tivesse um pouco mais de dificuldade para alcançar, em apenas cinco meses, a estratosférica cifra de 1 bilhão de visualizações no YouTube. Mas Psy conquistou a atenção do mundo não porque é o novo Michael Jackson, mas porque milhões de internautas de todas as idades acharam engraçado compartilhar o vídeo ______ um sujeito gordinho monta um cavalo imaginário enquanto canta em um idioma incompreensível. Também do fim do mundo versão 2012 pode-se dizer, com alguma tranquilidade, que, ao contrário de anúncios anteriores do apocalipse iminente, este ninguém levou a sério. Nenhuma seita perdida nos confins do Planalto Central, nenhuma tribo obscura nos recônditos do México, nem mesmo aqueles malucos urbanos sempre tão dispostos a adotar a última crença pret-à-porter disponível no mercado: ninguém apareceu para reivindicar contrição e abrigos antimeteoros. (O máximo que os descendentes da civilização maia requereram foi o direito de promover o turismo usando como chamariz uma interpretação estapafúrdia de um calendário, o que parece ter sido suficiente para levar milhões de turistas do apocalipse para a região do sudeste mexicano.) O fim do mundo como o conhecemos em 2012 foi, acima de tudo, uma inesgotável fonte de piadas – muito mais do que de metáforas.
O segundo elemento em comum entre os coreanos e os maias é ainda mais decisivo para entendermos a época em que vivemos: trata-se do visível descompasso entre o tamanho original desses dois assuntos e a dimensão que acabaram tomando. Como se o vídeo do seu cachorro correndo atrás do rabo ou o do seu gato se espreguiçando no sofá fosse parar não apenas no Jornal Nacional, mas no cinema, no rádio e nos computadores pessoais de milhões de pessoas ao redor do planeta. Se o número de fãs que genuinamente curte Gangnam Style é muito menor do que aquela cifra de 1 bilhão de visualizações no YouTube sugere, boa parte deste fenômeno é baseada numa multidão que não existe no mundo real – como aqueles investimentos sem lastro que causaram a crise de 2008. Da mesma forma que a possibilidade do fim do mundo, onipresente na mídia nos últimos dias, nunca realmente existiu, a não ser como blague coletiva explorada até a última gota de nada na nadésima potência.
As melhores e as piores ideias já produzidas pelo homem contemplavam a utopia de uma humanidade guiada em bloco por um mesmo ideal coletivo. Religião, ideologia ou mesmo o medo de que o planeta se transforme em um pastel flutuante no espaço ainda não chegaram perto de produzir qualquer tipo de unanimidade global. Mas a internet pode estar mudando isso. O que temos aprendido nestes primeiros anos de rede mundial é que quanto menos se pretende dizer, maior é a chance de que o mundo inteiro esteja disposto a parar para ouvir.
Adaptado de: LAITANO, C. Gangnam style e o apocalipse.
Zero Hora, Porto Alegre, 22 dez 2012.
Assinale a alternativa que completa corretamente as lacunas, respectivamente.
Provas
Questão presente nas seguintes provas
Cadernos
Caderno Container