Foram encontradas 40 questões.
Disciplina: TI - Organização e Arquitetura dos Computadores
Banca: UFRN
Orgão: UFRN
Provas
Provas
Provas
Provas
Provas

Provas

Provas
Considerando o circuito abaixo, verifica-se que, quando a entrada C = 0, independentemente dos níveis lógicos das entradas A e B, o nível lógico da saída Y é alto. Ao testar todos os pinos dos circuitos integrados com os valores de entrada A = B = 1 e C = 0, obteve-se a tabela seguinte:

Provas
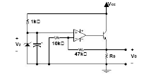
Uma fonte DC é projetada através do circuito abaixo, considerando o amplificador operacional ideal e tendo uma corrente máxima de saída de 15mA. O transistor com b=100 trabalha na região ativa e está sendo usado na configuração "seguidor de emissor". A tensão de emissor V0 é proporcional à tensão de referência Vz. Qual o valor de V0?

Provas
O circuito abaixo é implementado com dois CI's. Um deles é um NAND (a) e o outro é um flip-flop do tipo D (b). No momento em que o circuito é alimentado com Vcc, a saída Q do flip-flop é automaticamente feita 1 lógico, pois sua entrada "set" está inicialmente em 0 lógico (capacitor descarregado) e só algum tempo depois vai para 1 lógico, isso porque o capacitor se carrega até atingir a tensão Vcc. As entradas do circuito são as linhas A, B e C. A linha Z é a sua saída e a linha CK é o "clock" (relógio) do circuito. Foram feitas algumas medições cujos resultados estão dados na tabela abaixo.

Provas
Caderno Container