Foram encontradas 30 questões.
Em sistemas mecânicos, utilizam-se vários tipos de transmissão de potência. Os três principais tipos utilizados são
Provas
O processo de fabricação de peças metálicas que consiste, essencialmente, em encher-se com metal líquido a cavidade de um molde com formato e medidas correspondentes aos da peça a ser fabricada é denominado
Provas
Define-se passo de um parafuso como
Provas
O instrumento de bobina móvel G da figura ao lado tem resistência interna g e calibre i, isto é, quando, por sua bobina, circula a corrente i, seu ponteiro indica o valor final da escala. Para transformá-lo em um amperímetro capaz de medir a corrente I > i, coloca-se uma resistência em paralelo (shunt) com o instrumento G.

O valor da resistência Rs do shunt inserido no circuito é calculado pela expressão:
Provas
O circuito abaixo é um inversor multiplicador de ganho constante que utiliza um amplificador operacional, sendo R1 = 150 \( Ω \) e Rf = 600 \( Ω \).

Para uma entrada V1 = - 4 V, o valor da tensão de saída (Vo) será igual a
Provas
Considere que uma corrente de 84 mA e 60 Hz passa por um indutor de 25 mH. Nesse caso, a tensão sobre o indutor é, aproximadamente, igual a
Provas
Um transformador ideal possui 3.000 espiras no primário e 1.500 espiras no secundário. Se uma tensão alternada, de valor eficaz 220 V, for aplicada no primário, no secundário a tensão alternada de valor eficaz será igual a
Provas
Em relação à partida estrela-triângulo de um motor de indução trifásico, é correto afirmar que
Provas
Considere um motor com as características dadas na tabela abaixo
| POTÊNCIA |
COS \( φ \) | RENDIMENTO | FATOR DE UTILIZAÇÃO |
| 10 CV |
0,85 | 0,86 | 0,83 |
A demanda, em kVA, solicitada da rede elétrica pelo motor é, aproximadamente, igual a
Provas
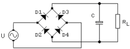
Analise a figura abaixo.

Esse circuito representa um retificador de
Provas
Caderno Container