Foram encontradas 30 questões.
“É a relação entre a demanda máxima de uma instalação ou de um setor ou conjunto de cargas de uma instalação e a potência instalada da instalação, do setor ou conjunto de cargas”. A definição acima aplica-se ao fator de
Provas
O dispositivo que detecta a soma fasorial das correntes que percorrem os condutores vivos de um circuito em determinado ponto é o
Provas
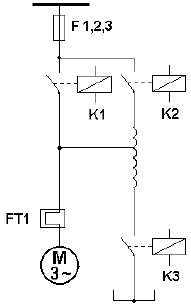
A figura abaixo representa um circuito de força de uma chave de partida de motores de indução trifásicos.

Essa chave denomina-se
Provas
Para se medir diretamente a potência ativa de um circuito trifásico a quatro fios (3 FASES + NEUTRO) desequilibrado deve ser utilizado o método
Provas
A seguir, é apresentado o diagrama de ligação de uma lâmpada fluorescente com partida convencional.

Os componentes 1,2 e 3 são, respectivamente,
Provas
Analise a figura abaixo.

O tipo de curto-circuito apresentado é
Provas
Considere a figura abaixo.

Trata-se de um motor elétrico
Provas
Um motor de indução trifásico de 2 pólos é ligado a uma rede de 60 Hz.
Sabendo-se que a rotação desse motor, a plena carga, é 3.560 RPM, o escorregamento percentual é
Provas
Um motor de indução trifásico de 2 pólos é ligado a uma rede de 60 Hz.
A velocidade síncrona desse motor é igual a
Provas
A figura a seguir mostra um esquema de aterramento.

De acordo com os dados desse esquema, o aterramento é do tipo
Provas
Caderno Container