Foram encontradas 30 questões.
Considerando-se um iluminamento de 500 lux, um fator de utilização de 0,56 e um fator de depreciação de 0,60, o fluxo luminoso necessário para iluminar adequadamente uma sala com dimensões de 4 m X 6 m é, aproximadamente,
Provas
A seguir, é apresentado o diagrama de ligação de uma lâmpada fluorescente com partida convencional.

Nesse diagrama, o componente 3 corresponde a um
Provas
O fluxo luminoso de uma lâmpada com eficiência luminosa de 13,8 lm/W e 100 W de potência é
Provas
A figura abaixo representa uma curva fotométrica.

Considerando-se a curva fotométrica representada, é correto afirmar que a iluminação é do tipo
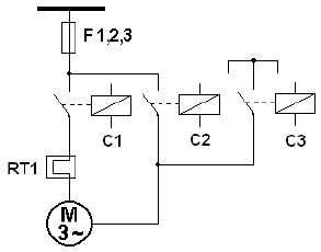
Provas
A seguir, está representado um circuito de força de uma chave de partida de motores elétricos de indução.

Esta chave denomina-se
Provas
A expressão que permite calcular, em kVA, a demanda feita à rede elétrica por um motor elétrico trifásico, levando-se em consideração o fator de utilização (Fu) deste é
Provas
Observe a figura abaixo.

Essa figura representa um motor elétrico
Provas
A velocidade síncrona (Ns) de um motor trifásico de indução de 4 pólos ligado a uma rede de 60 Hz, é igual a
Provas
Um motor de indução de rotor de gaiola de 6 pólos, 60 Hz, é carregado ao ponto em que ocorre seu torque máximo, atingindo então a velocidade de 900 RPM. A freqüência do rotor, em Hz, correspondente ao ponto de torque máximo é
Provas
Um motor CC desenvolve um conjugado de 200 N.m, sob dadas condições de fluxo e de corrente de armadura.
Quando a corrente de armadura cair 12% e o fluxo aumentar 8%, o conjugado será
Provas
Caderno Container