Foram encontradas 30 questões.
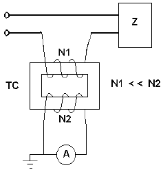
A figura a seguir representa um transformador de corrente (TC) alimentando um amperímetro ideal. Nela, Z representa uma carga genérica, N1 o número de espiras no primário, e N2 o número de espiras no secundário.

Considerando-se essa figura e os dados indicados, é correto afirmar que
Provas
Um motor elétrico é alimentado por um Quadro de Força (QF), através de um circuito terminal, conforme a figura a seguir.

A tensão, no QF, é igual a 380 V e, no circuito terminal, a queda de tensão máxima permitida (ΔV) é de 4%.
Considerando-se os elementos apresentados, é correto afirmar que a tensão mínima admissível no motor é igual a
Provas
Um material isolante utilizado em máquinas elétricas é identificado como pertencente à classe B. Os materiais dessa classe de isolamento suportam temperaturas de até
Provas
Um transformador trifásico apresenta as seguintes características:
- potência nominal (S): 1.000 kVA
- tensão nominal primária (V1): 13.800 V
- tensão nominal secundária (V2): 380 V
- impedância percentual (Z%): 5,5 %
No secundário desse transformador, a corrente de curto-circuito trifásico é, aproximadamente, igual a
Provas
O curto-circuito representado na figura abaixo é do tipo

Provas
A figura abaixo apresenta as partes constituintes de um equipamento instalado numa subestação.

O equipamento representado nessa figura é
Provas
Um consumidor tem uma potência instalada de 16.400 W e seu fator de demanda é 0,93.
Assim, sua demanda máxima é
Provas
A figura a seguir mostra um esquema de aterramento.

Conforme o esquema, o aterramento é do tipo
Provas
Considere o cabo elétrico de média tensão apresentado abaixo.

Nesse cabo elétrico, as partes indicadas pelos números 1, 2, 3, 4 e 5, são, respectivamente,
Provas
De acordo com o circuito abaixo, a tensão (US) da fonte é de 50 V e o valor da resistência (RS) da fonte é de 10 k \( \Omega \).

Nesse caso, a corrente que passa através do diodo (D) é
Provas
Caderno Container