Foram encontradas 50 questões.
A figura ao lado mostra a configuração básica de um circuito chopper step-down (buck).
Esse circuito se caracteriza pela tensão média de saída (V0) ser menor que a tensão de entrada (Vi). Enquanto a chave S (podendo ser chaveada por qualquer dispositivo de chaveamento operando em PWM) estiver fechada, o diodo ficará polarizado reversamente e o indutor armazenando energia em forma de campo magnético. Nesta situação, tem-se que

Provas
O gráfico ao lado corresponde a um sinal de tensão fornecido por uma fonte AC. O sinal é visualizado em um osciloscópio.
Condição dos controles do osciloscópio:
− Ganho vertical: posição 0,5 mV/DIV
− Base de tempo: posição 0,15 µs/DIV
O valor da frequência do sinal é, aproximadamente, igual a

Provas
A figura abaixo apresenta um circuito com uma configuração clássica para um amplificador operacional.

O tipo de configuração representada na figura corresponde a um amplificador
Provas
Um transformador de 120 kVA, 13.800/380 V, quando ensaiado em curto-circuito, forneceu os valores mostrados na tabela abaixo:
![]()
O valor da corrente de curto-circuito (ICC) obtida no ensaio de CC é, aproximadamente, igual a
Provas
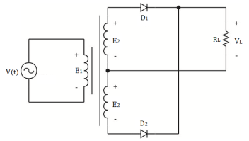
A figura abaixo representa um circuito retificador monofásico de onda completa.

São fornecidos os seguintes dados do circuito:
V(t) = 380sen(120πt + 10°) V; RL = 20 Ω; α = 2,4 (relação de espiras); RTJC = 1,0 °C/W; RTCD = 2,0 °C/W; VD = 0,7 V; rD = 40 mΩ; TJ = 150 °C; TA = 50 °C.
Nesse caso o valor da potência na carga RL é, aproximadamente, igual a
Considere √2 = 1,41
Provas
Os equipamentos abaixo relacionados são utilizados em uma residência convencional.

Considerando o custo de 100 kWh/mês igual a R$ 52,54 para consumidor residencial convencional no Rio Grande do Norte, o custo mensal (30 dias) de energia elétrica dessa residência é, aproximadamente, igual a
Provas
- EletrotécnicaCircuitos de Corrente Contínua em Eletrotécnica
- EletrotécnicaCircuitos Elétricos em Eletrotécnica
A ondulação da tensão de saída é de 1,5% da tensão média aplicada à carga.
Considerando que o conversor esteja operando com VE = 110 V, L = 20 mH, R = 150 Ω e D = 0,7, o valor da tensão média VS é, aproximadamente, igual a
Provas
- EletrotécnicaCircuitos de Corrente Contínua em Eletrotécnica
- EletrotécnicaCircuitos Elétricos em Eletrotécnica
A figura abaixo representa um circuito com uma associação mista de resistências.

A corrente total no circuito é, aproximadamente, igual a
Provas
Provas
Considere as seguintes afirmativas relacionadas à manutenção elétrica e à NR 10 – Segurança em Instalações e Serviços em Eletricidade.
I A resistência de contato em uma conexão elétrica não depende da superfície de contato, e sim da pressão entre as superfícies dos contatos.
II Para uma instalação elétrica com tensão nominal de 380 V, a zona livre (ZL) situa-se a uma distância maior do que 0,50 m do ponto da instalação energizado (PE).
III São exemplos de ensaios de rotina em transformadores de potência: fator de potência do isolamento, elevação de temperatura e nível de ruído.
IV É considerado trabalhador qualificado aquele que comprovar conclusão de curso específico na área elétrica reconhecido pelo Sistema Oficial de Ensino.
Dentre as afirmativas, estão corretas
Provas
Caderno Container