Foram encontradas 50 questões.
Provas
Z = (!$ \overline{A} !$ + Y)(A + Y)
A simplificação obtida dessa expressão é igual a
Provas
Parte do diagrama unifilar de uma subestação abrigada é representada na figura a seguir.

Nessa figura, CV é uma chave comutadora para voltímetro e TC são transformadores de corrente.
Os dados das tabelas 1, 2 e 3 abaixo devem ser considerados.

De acordo com a figura e baseando-se no critério de proteção contra as correntes de sobrecarga, nas tabelas 1, 2 e 3, é correto afirmar que a seção nominal dos cabos isolados, a corrente nominal do disjuntor tripolar e a relação nominal dos TCs adotados são, respectivamente,
Considere √3 = 1,73
Provas
Um centro de pesquisa terá seu sistema de iluminação trocado por outro mais eficiente visando melhorar os níveis de iluminação e reduzir o consumo de energia elétrica. No sistema proposto, lâmpadas led substituirão as fluorescentes. A tabela a seguir apresenta os dados do sistema de iluminação existente e do sistema proposto.

O sistema proposto funcionará durante o mesmo tempo do sistema existente: 12 horas por dia durante 30 dias por mês. A redução no consumo de energia mensal após a instalação do sistema proposto será de, aproximadamente,
Provas
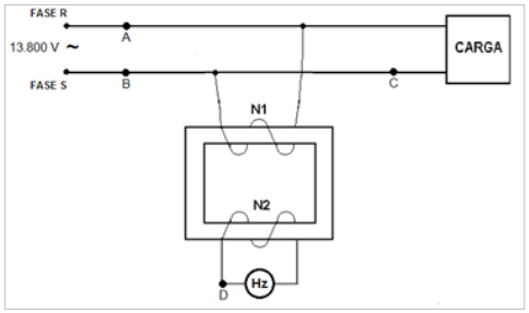
Um transformador de instrumentos é utilizado para realizar medições em um circuito, conforme a figura a seguir.

De acordo com a figura, a denominação desse transformador de instrumentos, a relação entre N1 e N2 e o ponto no qual deve-se realizar um aterramento são, respectivamente,
Provas
Uma carga trifásica é alimentada por um circuito trifásico proveniente de um quadro geral de distribuição (QGD) conforme a figura a seguir.

Considere a tabela (queda de tensão em V/A.km) abaixo.

De acordo com a figura, com os dados apresentados e com base na tabela, a queda de tensão no circuito em volt, a queda de tensão percentual no circuito e a tensão na carga são, respectivamente,
Provas
A figura apresentada abaixo representa um método utilizado para localização do ponto de ocorrência de uma falta para terra em um cabo elétrico AB subterrâneo de baixa tensão com comprimento de 200 m. Um cabo CD em boas condições de uso e tendo as mesmas características (comprimento, seção transversal, resistividade e isolação) do cabo com defeito é utilizado para auxiliar na medição. Os terminais B e D são unidos por um cabo com baixa resistência. As ligações com a terra são excelentes.

Nessa figura, R1 e R2 são resistências, E é uma bateria e G um galvanômetro. Quando R1 = 54 Ω e R2 = 42 Ω, a ponte está em balanço, ou seja, a corrente no galvanômetro é zero. Considerando os elementos apresentados, o valor de x é
Provas
A figura a seguir apresenta de forma esquematizada um para-raios de carboneto de silício (SiC) ligado a uma rede elétrica trifásica de média tensão com neutro solidamente aterrado.

De acordo com a figura, com os dados apresentados e com o funcionamento de um para-raios, é correto afirmar que
Provas
Por uma estrutura metálica aterrada flui uma corrente de falta para o solo fazendo com que apareçam superfícies equipotenciais, conforme a figura ao lado, a qual apresenta também o gráfico dos potenciais no solo.
No momento em que a corrente flui para o solo, uma pessoa encostada na estrutura submete-se à uma tensão de toque e outra pessoa que está em pé próximo à estrutura submete-se à uma tensão de passo.
De acordo com a figura e com essas informações, é correto afirmar que a tensão de

Provas
A figura a seguir representa a proteção de uma estrutura através do Método da Esfera Rolante.

Nesse método, o raio r da esfera rolante representa a distância entre o ponto de partida do líder ascendente e a extremidade do líder descendente. Na equação adotada pela norma ABNT NBR 5419:2015, essa distância é
Provas
Caderno Container