Foram encontradas 110 questões.
A seguir são apresentadas 4 aplicações básicas com amplificadores operacionais.

Qual alternativa apresenta as aplicações básicas, na ordem em que estão dadas (a), (b), (c) e (d)?
Provas
A figura apresenta um circuito retificador de onda completa em ponte.

Sobre esse circuito, marque V para as afirmativas verdadeiras e F para as falsas.
( ) No circuito apresentado, a polaridade da tensão do secundário do transformador acompanha a polaridade da tensão do primário.
( ) Nesse retificador, a corrente média nos diodos corresponde a um quarto da corrente média na carga.
( ) No intervalo de tempo em que a tensão VS do secundário é positiva, os diodos D2 e D4 conduzem em série.
( ) Quando VS é positivo, a tensão reversa sobre os diodos D1 e D3 é igual à tensão do secundário do transformador.
Assinale a sequência correta.
Provas
- Amplificadores em Eletrônica
- Diodo na Engenharia Eletrônica
- Eletrônica Analógica na Engenharia Eletrônica
- Transistores
Provas
Provas
Sobre automação de sistemas elétricos, marque V para as afirmativas verdadeiras e F para as falsas.
( ) A memória EPROM armazena os dados variáveis e temporários em um CLP, tais como correntes, tensão, alarmes, que podem ser eliminados quando da perda da fonte de tensão auxiliar.
( ) Structured Text (ST) ou texto estruturado é uma linguagem de programação mais elaborada, considerada de alto nível, que usa o princípio de criação de sentenças para definir e informar ao CLP qual a lógica necessária em determinado ponto.
( ) O protocolo de comunicação Profibus PA (Automação de Processos) é empregado na comunicação com sensores e atuadores discretos (on/off ), utiliza um gateway entre o Profibus DP (Periféricos Descentralizados) e o AS-I (Interface Sensor/Atuador) para acesso a esses atuadores.
( ) Gateway é um dispositivo de tradução de protocolo em hardware ou software que permite que os usuários que trabalham em uma rede possam acessar outra rede.
Assinale a sequência correta.
Provas

Provas

Provas
Ao se realizar a manutenção em um conversor CA/CC mostrado no diagrama esquemático, empregando um multiteste digital, utilizou-se o seguinte procedimento:
- o instrumento foi selecionado para a escala de Ω / ![]()
- a ponta de prova positiva corresponde ao terminal “V, I, Ω” do instrumento e à negativa ao “COM”;
- a chave CH1 foi aberta durante os testes.

Considerações:
• A designação RAD significa que a ponta de prova positiva foi ligada ao ponto “A” e a negativa, ao ponto “D”, igualmente válido para as outras leituras.
• 0 (zero) Ω se refere a um valor muito baixo de resistência ôhmica;
• ∞ Ω se refere a um valor elevado, fora do limite superior da escala.
Leituras:
RED=0 Ω;
RAD=∞Ω; RBD=0 Ω; RCD=0 Ω;
RAB=∞ Ω; RBC=∞ Ω; RAC=∞ Ω;
REA=0 Ω; REB=∞ Ω; REC=∞ Ω;
Com base nas medições, é possível deduzir que
Provas
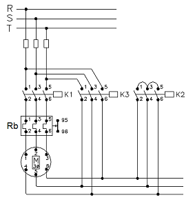
O diagrama esquemático (a) está associado ao circuito de força de uma chave estrela-triângulo e (b) ao diagrama de comando respectivo. No diagrama de força (a), têm-se os contatos principais A, B e C dos contatores e, no diagrama de comando, os contatos auxiliares c1, c2 e c3, e os contatores C1, C2 e C3.

Assinale a alternativa que apresenta a correta associação dos contatos principais A, B e C aos contatores C1, C2 e C3, respectivamente.
Provas
A figura (a) ilustra um procedimento para medir a resistência do eletrodo de aterramento (X), imerso num solo homogêneo. Para tanto, injeta-se uma corrente elétrica no eletrodo, por meio de uma fonte de tensão auxiliar e isolada da rede elétrica. Para o levantamento da curva (b), utilizando-se de um voltímetro digital, mede-se a queda de tensão, cuja referência é o eletrodo (X), em direção a um ponto distante, com incrementos na distância (d) de 1 m em 1 m.

Sobre a figura (a) e a curva de potencial (b), assinale a afirmativa INCORRETA.
Provas
Caderno Container