Foram encontradas 40 questões.
Assinale a alternativa que completa CORRETAMENTE a equação abaixo.
A equação mínima para a função Booleana !$ F = A·\overline {C}·\overline {D} + \overline {A}·C + B·\overline {C} + C·\overline {D} !$ é...
Provas
Questão presente nas seguintes provas
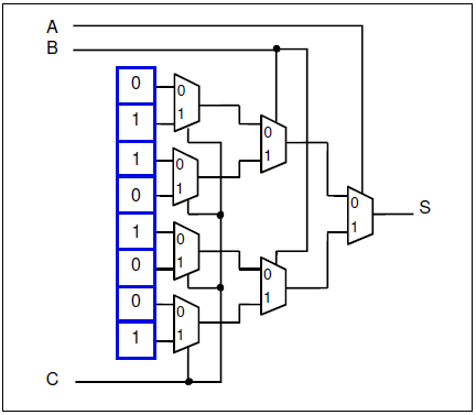
Observe a figura abaixo.

É CORRETO afirmar que o equivalente funcional do circuito apresentado na figura é...
Provas
Questão presente nas seguintes provas
Observe o circuito da figura abaixo, supondo: diodos ideais, !$ Vi(t)=10cos(120\pi t)V, V_{XY}= V_X − V_Y !$, que o sistema está em regime permanente.

Assinale a alternativa CORRETA.
Provas
Questão presente nas seguintes provas
Texto 2
Alimentos para o cérebro
Uma revisão de 160 artigos comprova que não só as experiências do dia a dia ajudam o cérebro a se desenvolver e se aperfeiçoar. Também o tipo de substrato orgânico da nossa dieta é crucial para a nossa inteligência aumentar. [...]
O estudioso Fernando Gómez-Pinilla descobriu que os ácidos graxos do tipo Ômega 3, encontrados no salmão, castanhas e kiwi, por exemplo, podem interferir positivamente na memória e auxiliam na melhora da depressão, esquizofrenia e demência. [...]
Um estudo de longa duração avaliou a saúde de indivíduos que vivem em uma vila isolada na Suíça, do seu nascimento à sua morte e toda a sua árvore genealógica, em um período superior a cem anos. Demonstrou que o tipo de alimento ingerido pode interferir até no funcionamento do cérebro de nossos descendentes, pois o número de indivíduos diabéticos e os casos de morte precoce aumentam nas gerações cujos avós paternos viveram em tempos de abundância.
Dietas ricas em gorduras trans, como frituras, salgadinhos e lanches com carne gorda e frita, atrapalham todas as funções intelectuais, portanto, deveriam ser evitadas, principalmente entre os mais jovens. [...]
Vários estudos comprovam a eficiência de suplementos vitamínicos como o ácido fólico e a vitamina E, capazes de atrasar o processo de declínio da função intelectual decorrente da idade e trauma cerebral, assim como o tempero indiano curry e o já referido Ômega 3. O curry é uma das explicações de a Índia ter um número proporcionalmente menor de doentes com demência do tipo Alzheimer.
Utilizar multivitamínicos pode não ter o mesmo resultado que a ingestão de alimentos ricos nesses elementos. A oferta in natura por uma dieta rica e variada é a melhor e a primeira escolha. Faça uma boa dieta, por você e até pela saúde dos seus netos.
(Adaptado de TUMA, R. Alimentos para o cérebro. Carta na Escola, São Paulo, n. 29, p. 13, set. 2008)
Nas últimas frases dos textos 1 e 2, há as seguintes sugestões aos leitores:
Texto 1: “Divirta-se.”
Texto 2: “Faça uma boa dieta, por você e até pela saúde dos seus netos.”
Assinale a alternativa que indica CORRETAMENTE o modo verbal que foi utilizado.
Provas
Questão presente nas seguintes provas
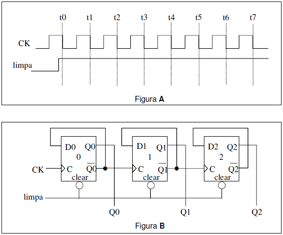
Observe as figuras A e B abaixo.

Considerando que os sinais “CK” e “limpa” mostrados na figura A são aplicados no circuito digital da figura B, e considerando que o período de “CK” é muito maior do que os tempos de retardo dos flip-flops do circuito da figura B, é CORRETO afirmar que no instante t5 o conteúdo dos flip-flops será:
Provas
Questão presente nas seguintes provas
Assinale a alternativa que completa CORRETAMENTE a afirmativa abaixo.
Convertendo o número inteiro binário 1110010110100011 para a base 16 obtém-se...
Provas
Questão presente nas seguintes provas
Observe o circuito da figura abaixo, assumindo que !$ R = 1k\Omega !$.

Assinale a alternativa que completa CORRETAMENTE a afirmativa abaixo.
A potência dissipada pelo resistor R é...
Provas
Questão presente nas seguintes provas
Identifique se são verdadeiras (V) ou falsas (F) as afirmativas com relação aos transistores de efeito de campo.
( ) O MOSFET tipo reforço, também conhecido por intensificação ou enriquecimento, de canal P, na região de saturação, apresenta uma relação quadrática entre a corrente de dreno e a tensão porta-fonte quando esta é negativa.
( ) A inversão da conexão dos terminais dreno e fonte do transistor JFET em um circuito amplificador não altera o desempenho do circuito.
( ) O transistor MOSFET tipo depleção de canal P apresenta corrente de dreno apenas quando a tensão porta-fonte é maior que zero.
Assinale a alternativa que representa a sequência CORRETA, de cima para baixo.
Provas
Questão presente nas seguintes provas
Identifique se são verdadeiras (V) ou falsas (F) as afirmativas em relação a um cabo coaxial utilizado para transmissão de um sinal analógico de interesse.
( ) Aterra-se apenas um ponto da malha para evitar laços de terra.
( ) Evita-se sobretensão aumentando a impedância do cabo.
( ) O aterramento é feito no ponto de maior impedância do circuito onde está ligado o cabo.
Assinale a alternativa que representa a sequência CORRETA, de cima para baixo.
Provas
Questão presente nas seguintes provas
Texto 1
Além do sorriso e da gargalhada
Difícil não reconhecer que uma boa risada – de preferência daquelas que nos surpreendem pela sua intensidade – nos deixa mais leves, mesmo quando as coisas não vão bem. Um sorriso, em geral, quebra resistências (as próprias e as alheias). Não por acaso,
durante uma briga de namorados aquele que consegue fazer os lábios do parceiro se moverem para cima com certeza conseguiu quebrar as resistências do outro – e está a caminho de conseguir uma trégua. A química cerebral está por trás da reconciliação: há uma descarga de endorfinas na corrente sanguínea quando rimos que chega aos centros de prazer cerebrais e os estimula.
Riso e bom humor são os temas da seção especial desta edição. Naturalmente os dois não são sinônimos e seria ingenuidade tomá-los assim. O primeiro, independentemente de sua intensidade, ocorre num momento específico, pontual. E não é novidade que pode ter vários sentidos; uma pessoa pode rir de maneira divertida, tímida, amedrontada, falsa, sarcástica ou até maldosa – quem não se lembra da gargalhada cruel da madrasta da Branca de Neve, por exemplo? Já o bom humor implica algo mais amplo, uma postura flexível e a capacidade de encontrar graça nas mais diferentes situações. Há, nessa forma de ver a vida, uma manifestação de inteligência, que nos permite reorganizar os mais diversos elementos de maneira criativa. Mas há, nesses dois temas, um ponto de convergência: o sistema cerebral “se diverte” quando percebe uma incongruência e consegue solucioná-la. Se isso se dá pontualmente, a expressão dessa excitação neural pode aparecer como um sorriso (ou quiçá uma gargalhada). O cérebro curioso, disposto a levar “pequenos escorregões” e ser surpreendido, nem sempre ri de forma óbvia – mas vê o mundo como um lugar repleto de motivos para achar graça.
Uma discussão que vem à tona com frequência quando nos voltamos para a questão humor diz respeito à resiliência, uma espécie de equivalente psíquico da resistência física – que pode ser grande aliada no tratamento psicoterapêutico. Diante das adversidades, esse aspecto faz com que sejamos capazes de enfrentar frustrações e perdas. Não se trata de negar a dor ou tentar disfarçá la – pelo contrário. A habilidade abarca justamente a possibilidade de reconhecer o sofrimento, mas não se deter nele. Carlos Drummond de Andrade deve ter razão: “... O primeiro amor passou. O segundo amor passou. O terceiro amor passou. Mas o coração continua. [...] Algumas palavras duras, em voz mansa, te golpearam. Nunca, nunca cicatrizaram. Mas e o humor?”
Boa leitura. Divirta-se.
(Adaptado de LEAL, G. Além do sorriso e da gargalhada. Mente & Cérebro, São Paulo, ano 16, n. 198,
p. 3, jun. 2009)
Identifique se são verdadeiras (V) ou falsas (F) as afirmativas abaixo, em relação às palavras destacadas da frase:
“Naturalmente os dois não são sinônimos e seria ingenuidade tomá-los assim.”
( ) O vocábulo os está empregado como artigo definido na primeira ocorrência e como pronome oblíquo na segunda.
( ) A expressão “os dois não são sinônimos” corresponde, semanticamente, a “os dois são antônimos”.
( ) A palavra naturalmente pode ser deslocada para o início da segunda oração sem alterar o significado da frase.
( ) A palavra assim refere-se ao fato de os dois (termos) serem sinônimos.
( ) O uso do verbo seria em lugar de é atenua a força da afirmação.
Assinale a alternativa que apresenta a sequência CORRETA, de cima para baixo.
Provas
Questão presente nas seguintes provas
Cadernos
Caderno Container