Foram encontradas 40 questões.

(wordsofleisure.com)
Assinale a afirmativa CORRETA, quanto ao texto.
Provas
Questão presente nas seguintes provas
1325245
Ano: 2013
Disciplina: Direito Cultural, Desportivo e da Comunicação
Banca: UFSC
Orgão: UFSC
Disciplina: Direito Cultural, Desportivo e da Comunicação
Banca: UFSC
Orgão: UFSC
Provas:
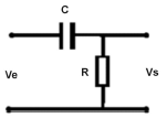
Em relação ao filtro, conforme figura abaixo, podemos afirmar que:
I) para ondas senoidais de frequências altas, a reatância capacitiva assume valores baixos, em comparação com o valor da resistência. Dessa maneira, a tensão de saída será praticamente igual à tensão de entrada.
II) para frequências baixas, a reatância capacitiva assume valores altos, em comparação com o valor de resistência, atenuando a tensão de saída para um valor praticamente nulo. Dessa maneira, o filtro permite a passagem de sinais de frequências altas, sendo por isso denominado filtro passa-alta.
III) é constituído pelo circuito RC-Série, sendo que, neste caso, a tensão de saída é a obtida sobre o capacitor.

Está(ão) CORRETA(s) apenas:
Provas
Questão presente nas seguintes provas
Apenas 30% dizem confiar na polícia
Estudo divulgado ontem mostra que, em um ano, desconfiança cresceu 8,6 pontos percentuais. Nos EUA, 88% confiam. Levantamento feito pela FGV revela, ainda, que 95% não acreditam nos partidos políticos.
Sete em cada dez brasileiros não confiam no trabalho da polícia. Pesquisa divulgada ontem pela FGV (Fundação Getúlio Vargas) em parceira com o FBSP Fórum Brasileiro de Segurança Pública mostra que 70,1% da população não confia nas forças de segurança. O índice é 8,6 pontos percentuais mais alto do registrado no primeiro semestre de 2012 (61,5%).
Os pernambucanos são aqueles que menos confiam nas instituições policiais. Segundo o levantamento, 27% dizem que acreditam no trabalho da Polícia Militar e 25% no da Policia Civil.
A Bahia é o Estado onde mais se confia nas instituições policiais. Dos entrevistados, 54% disseram acreditar na Polícia Militar, enquanto 50% confiam na Polícia Civil.
Já São Paulo, aparece em posição intermediária entre os sete Estados consultados na pesquisa. Dos entrevistados, 38% aprovam a Polícia Militar, e 40% o trabalho da Polícia Civil.
Nos Estados Unidos, 88% confiam na atuação da polícia. No Reino Unido, o índice chega a 82%.
O levantamento também mostra que 95% dos brasileiros não acreditam nos partidos políticos. Outros 79% reprovam o Congresso Nacional.
O estudo ouviu 6.600 pessoas, entre 2012 e este ano. Foram feitas entrevistas em sete Estados – AM, PE, BA, SP, MG, RJ, RS e no Distrito Federal.
Delegados
A pesquisa revela também que, apesar de ter o maior número de delegados de polícia no país, com mais de 3 mil na ativa, o Estado de São Paulo foi o que pior remunerou os profissionais em início de carreira em 2012.
Enquanto um delegado em Mato Grosso recebeu, em 2012, R$ 18.837,00, o profissional em São Paulo ganhou R$ 6.709, 32.
O Estado diz que reconhece a importância do trabalho do delegado e que este ano aprovou um aumento salarial.

Jornal Metro, 06 de novembro de 2013, p. 06.
Assinale a alternativa em que as palavras destacadas do texto são substituídas, adequada e respectivamente, sem alteração de sentido.
Pesquisa divulgada ontem – A Bahia é o Estado onde mais se confia – O levantamento também mostra que.
Provas
Questão presente nas seguintes provas
1311946
Ano: 2013
Disciplina: Direito Cultural, Desportivo e da Comunicação
Banca: UFSC
Orgão: UFSC
Disciplina: Direito Cultural, Desportivo e da Comunicação
Banca: UFSC
Orgão: UFSC
Provas:
Suponha que o técnico necessita ligar um equipamento DMX 512 do tipo dip switch, no canal 60. Indique as chaves de 1 a 10 que devem ser acionadas.
Provas
Questão presente nas seguintes provas
1298445
Ano: 2013
Disciplina: Direito Cultural, Desportivo e da Comunicação
Banca: UFSC
Orgão: UFSC
Disciplina: Direito Cultural, Desportivo e da Comunicação
Banca: UFSC
Orgão: UFSC
Provas:
Um sinal de áudio estéreo é codificado com tamanho de amostra de 8 bits a uma taxa de 22 Khz. A taxa de bits em Kbps do arquivo de áudio resultante é de:
Provas
Questão presente nas seguintes provas
1295814
Ano: 2013
Disciplina: Direito Cultural, Desportivo e da Comunicação
Banca: UFSC
Orgão: UFSC
Disciplina: Direito Cultural, Desportivo e da Comunicação
Banca: UFSC
Orgão: UFSC
Provas:
Relacione, conforme figuras abaixo, os tipos de refletores de iluminação correspondentes.

Provas
Questão presente nas seguintes provas
1244133
Ano: 2013
Disciplina: Direito Cultural, Desportivo e da Comunicação
Banca: UFSC
Orgão: UFSC
Disciplina: Direito Cultural, Desportivo e da Comunicação
Banca: UFSC
Orgão: UFSC
Provas:
Analisando as conexões da figura abaixo, indique a alternativa que apresenta, respectivamente, o nome correspondente a cada conector.

Provas
Questão presente nas seguintes provas
1244042
Ano: 2013
Disciplina: Direito Cultural, Desportivo e da Comunicação
Banca: UFSC
Orgão: UFSC
Disciplina: Direito Cultural, Desportivo e da Comunicação
Banca: UFSC
Orgão: UFSC
Provas:
Marque a alternativa que apresenta o caminho que o áudio percorre da entrada à saída, em um sistema básico de P.A.
Provas
Questão presente nas seguintes provas
Apenas 30% dizem confiar na polícia
Estudo divulgado ontem mostra que, em um ano, desconfiança cresceu 8,6 pontos percentuais. Nos EUA, 88% confiam. Levantamento feito pela FGV revela, ainda, que 95% não acreditam nos partidos políticos.
Sete em cada dez brasileiros não confiam no trabalho da polícia. Pesquisa divulgada ontem pela FGV (Fundação Getúlio Vargas) em parceira com o FBSP Fórum Brasileiro de Segurança Pública mostra que 70,1% da população não confia nas forças de segurança. O índice é 8,6 pontos percentuais mais alto do registrado no primeiro semestre de 2012 (61,5%).
Os pernambucanos são aqueles que menos confiam nas instituições policiais. Segundo o levantamento, 27% dizem que acreditam no trabalho da Polícia Militar e 25% no da Policia Civil.
A Bahia é o Estado onde mais se confia nas instituições policiais. Dos entrevistados, 54% disseram acreditar na Polícia Militar, enquanto 50% confiam na Polícia Civil.
Já São Paulo, aparece em posição intermediária entre os sete Estados consultados na pesquisa. Dos entrevistados, 38% aprovam a Polícia Militar, e 40% o trabalho da Polícia Civil.
Nos Estados Unidos, 88% confiam na atuação da polícia. No Reino Unido, o índice chega a 82%.
O levantamento também mostra que 95% dos brasileiros não acreditam nos partidos políticos. Outros 79% reprovam o Congresso Nacional.
O estudo ouviu 6.600 pessoas, entre 2012 e este ano. Foram feitas entrevistas em sete Estados – AM, PE, BA, SP, MG, RJ, RS e no Distrito Federal.
Delegados
A pesquisa revela também que, apesar de ter o maior número de delegados de polícia no país, com mais de 3 mil na ativa, o Estado de São Paulo foi o que pior remunerou os profissionais em início de carreira em 2012.
Enquanto um delegado em Mato Grosso recebeu, em 2012, R$ 18.837,00, o profissional em São Paulo ganhou R$ 6.709, 32.
O Estado diz que reconhece a importância do trabalho do delegado e que este ano aprovou um aumento salarial.

Jornal Metro, 06 de novembro de 2013, p. 06.
Assinale a alternativa em que a reescrita do texto está correta, quanto à concordância.
“Apenas 30% dizem confiar na polícia.
Estudo divulgado ontem mostra que, em um ano, desconfiança cresceu 8,6 pontos percentuais. Nos EUA, 88% confiam. Levantamento feito pela FGV revela, ainda, que 95% não acreditam nos partidos políticos.”
I) Somente cerca de 30% diz confiar na polícia.
Um estudo feito pela FGV, divulgado ontem, mostra que, em um ano, cresceram 8,6% a desconfiança. Nos EUA, 88% confia. O levantamento revela, ainda, que 95% não acredita nos partidos políticos.
Um estudo feito pela FGV, divulgado ontem, mostra que, em um ano, cresceram 8,6% a desconfiança. Nos EUA, 88% confia. O levantamento revela, ainda, que 95% não acredita nos partidos políticos.
II) Apenas cerca de 30% dizem confiar na polícia.
Levantamento feito pela FGV e divulgado ontem mostra que, em um ano, cresceu 8,6% a desconfiança. Nos EUA, 88% confiam. O estudo revela, ainda, que a maior parte da população, 95%, não acredita nos partidos políticos.
Levantamento feito pela FGV e divulgado ontem mostra que, em um ano, cresceu 8,6% a desconfiança. Nos EUA, 88% confiam. O estudo revela, ainda, que a maior parte da população, 95%, não acredita nos partidos políticos.
III) Uma pequena parcela da população, 30%, dizem confiar na polícia.
O estudo divulgado ontem, realizado pela FGV, mostra que, em um ano, cresceram 8,6 pontos percentuais a desconfiança da população. Nos EUA, muitas pessoas, 88%, confia. É revelado, ainda, que 95% não acreditam nos partidos políticos.
O estudo divulgado ontem, realizado pela FGV, mostra que, em um ano, cresceram 8,6 pontos percentuais a desconfiança da população. Nos EUA, muitas pessoas, 88%, confia. É revelado, ainda, que 95% não acreditam nos partidos políticos.
Está(ão) CORRETO(s) apenas os itens:
Provas
Questão presente nas seguintes provas
1236146
Ano: 2013
Disciplina: Direito Cultural, Desportivo e da Comunicação
Banca: UFSC
Orgão: UFSC
Disciplina: Direito Cultural, Desportivo e da Comunicação
Banca: UFSC
Orgão: UFSC
Provas:
Assinale a alternativa que apresenta a utilidade da função “phantom power”, presente na maioria das mesas de som.
Provas
Questão presente nas seguintes provas
Cadernos
Caderno Container