Foram encontradas 40 questões.
466322
Ano: 2013
Disciplina: Direito Cultural, Desportivo e da Comunicação
Banca: UFSC
Orgão: UFSC
Disciplina: Direito Cultural, Desportivo e da Comunicação
Banca: UFSC
Orgão: UFSC
Provas:
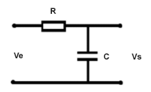
Em relação ao filtro, conforme figura abaixo, podemos afirmar que:

I) para ondas senoidais de frequências baixas, a reatância capacitiva assume valores baixos, em comparação com o valor da resistência. Dessa maneira, a tensão de saída será praticamente igual à tensão de entrada.
II) para frequências altas, a reatância capacitiva assume valores baixos, em comparação com o valor da resistência, atenuando a tensão de saída para um valor praticamente nulo. Dessa maneira, o filtro permite a passagem de sinais de frequências baixas, sendo por isso denominado filtro passa-baixa.
III) para uma determinada frequência, quando a reatância capacitiva for igual à resistência, teremos a tensão de saída igual à tensão no resistor, que somadas vetorialmente resultam na tensão de entrada.
Está(ão) CORRETA(s) apenas:
Provas
Questão presente nas seguintes provas
466194
Ano: 2013
Disciplina: Direito Cultural, Desportivo e da Comunicação
Banca: UFSC
Orgão: UFSC
Disciplina: Direito Cultural, Desportivo e da Comunicação
Banca: UFSC
Orgão: UFSC
Provas:
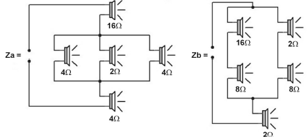
Calcule as impedâncias em ohms de Za e Zb, da associação de alto-falantes abaixo:

Assinale a alternativa CORRETA.
Provas
Questão presente nas seguintes provas
398170
Ano: 2013
Disciplina: Direito Cultural, Desportivo e da Comunicação
Banca: UFSC
Orgão: UFSC
Disciplina: Direito Cultural, Desportivo e da Comunicação
Banca: UFSC
Orgão: UFSC
Provas:
Indique a função da chave PFL de uma mesa de som.
Provas
Questão presente nas seguintes provas
398150
Ano: 2013
Disciplina: Direito Cultural, Desportivo e da Comunicação
Banca: UFSC
Orgão: UFSC
Disciplina: Direito Cultural, Desportivo e da Comunicação
Banca: UFSC
Orgão: UFSC
Provas:
Assinale a alternativa que apresenta as interfaces mais utilizadas para se capturar um vídeo digital a partir de uma filmadora digital.
Provas
Questão presente nas seguintes provas
397223
Ano: 2013
Disciplina: Direito Cultural, Desportivo e da Comunicação
Banca: UFSC
Orgão: UFSC
Disciplina: Direito Cultural, Desportivo e da Comunicação
Banca: UFSC
Orgão: UFSC
Provas:
Em relação às tecnologias DLP e LCD, utilizadas pela maioria dos projetores multimídia, podemos afirmar que:
I) a DLP utiliza um chip com espelhos microscópicos, para refletir a luz da lâmpada, gerando uma imagem monocromática, e um disco de cores para colorir a imagem.
II) a LCD, conforme o disco de cores gira, a imagem projetada pelos espelhos muda. Ou seja, não há uma imagem sendo projetada continuamente mas sim imagens monocromáticas, que vão mudando a uma velocidade em que os olhos não conseguem perceber, "compondo" a imagem colorida.
III) a DLP, separa a luz branca da lâmpada em vermelho, verde e azul (red, green e blue, em inglês, daí o sistema de cores RGB) e envia essa luz através do painel DLP, que "abre" ou "fecha" determinados pixels, gerando as outras cores e projetando a imagem no anteparo.
IV) o LCD, devido à especificidade da sua tecnologia, proporciona uma projeção com cores mais saturadas e imagens mais nítidas; enquanto o projetor multimídia DLP, na maioria dos casos, oferece pretos mais profundos e intensos e um contraste muito mais carregado.
Estão CORRETAS apenas:
Provas
Questão presente nas seguintes provas
364503
Ano: 2013
Disciplina: Direito Cultural, Desportivo e da Comunicação
Banca: UFSC
Orgão: UFSC
Disciplina: Direito Cultural, Desportivo e da Comunicação
Banca: UFSC
Orgão: UFSC
Provas:
Identifique os formatos de imagem, em pixel, utilizados em codec de videoconferência, correspondentes a 16 CIF, CIF, QCIF, Sub-QCIF, 4 CIF.
Provas
Questão presente nas seguintes provas
362742
Ano: 2013
Disciplina: Direito Cultural, Desportivo e da Comunicação
Banca: UFSC
Orgão: UFSC
Disciplina: Direito Cultural, Desportivo e da Comunicação
Banca: UFSC
Orgão: UFSC
Provas:
Indique a alternativa que apresenta a utilidade do controle de PAN, em uma mesa de som.
Provas
Questão presente nas seguintes provas
322966
Ano: 2013
Disciplina: Direito Cultural, Desportivo e da Comunicação
Banca: UFSC
Orgão: UFSC
Disciplina: Direito Cultural, Desportivo e da Comunicação
Banca: UFSC
Orgão: UFSC
Provas:
Observe o padrão polar ao lado.

Assinale a alternativa que apresenta o tipo de microfone ao qual se refere esse padrão.
Provas
Questão presente nas seguintes provas
295680
Ano: 2013
Disciplina: Direito Cultural, Desportivo e da Comunicação
Banca: UFSC
Orgão: UFSC
Disciplina: Direito Cultural, Desportivo e da Comunicação
Banca: UFSC
Orgão: UFSC
Provas:
Com relação aos tipos de sensores CCD e CMOS de câmeras digitais, é CORRETO afirmar que:
I) os sensores CCD criam imagens de alta qualidade e baixo ruído.
II) os sensores CMOS são tradicionalmente mais suscetíveis ao ruído.
III) o sensor CCD usa um processo que consome pouca energia. Ele consome cerca de 100 vezes menos energia do que um sensor CMOS equivalente.
IV) quando expostos a uma cena, seções diferentes do CCD geram cargas elétricas de maneira proporcional à intensidade da luz percebida por elas. A partir disso, é possível medir essas cargas e saber com precisão o quão brilhante uma parte da imagem será.
Estão CORRETAS apenas:
Provas
Questão presente nas seguintes provas
Senado aprova projeto que limita peso de mochilas para alunos
O Senado aprovou nesta quarta-feira (20) projeto que limita o peso das mochilas dos alunos de ensino fundamental e médio. O objetivo do projeto é minimizar danos à saúde dos estudantes, provocados pelo excesso de peso carregado diariamente pelos alunos.
A CAS (Comissão de Assuntos Sociais) do Senado já havia aprovado o projeto na semana passada, em primeiro turno. Hoje, a comissão concluiu a votação da proposta - que segue para análise da Câmara se não houver pedido para o plenário do Senado votar a matéria.
Pela proposta, os estudantes não poderão carregar mochilas mais pesadas do que 15% que o seu peso corporal.
Uma criança que tenha o peso de 25 quilos, por exemplo, não poderá carregar mais de 3,7 quilos na mochila. Já um jovem que pese 45 quilos, terá que transportar na mochila o peso máximo de 6,7 quilos.
O projeto determina que o peso do estudante deve ser informado pelos pais ou responsáveis à escola por escrito, no caso de alunos da educação infantil ou ensino fundamental, ou pelos próprios estudantes do ensino médio. Mas não estabelece como será a fiscalização do peso carregado pelos alunos.
Pela proposta, as escolas ficam obrigadas a instalar armários para que os estudantes deixem diariamente parte de seu material escolar, reduzindo o peso das mochilas. O texto diz que os armários são "insumos indispensáveis ao desenvolvimento do processo de ensino e aprendizagem".
No caso das escolas públicas, o custo da instalação dos armários deve ser incluído no cálculo do custo mínimo por estudante previsto em lei.
O projeto também determina que o poder público promova ampla campanha educativa sobre o peso máximo permitido nas mochilas. A proposta, no entanto, não estabelece sanções para as escolas que desrespeitarem a regra.
Relatora do projeto, a senadora Ângela Portela (PT-RR) disse que o objetivo da limitação do peso é evitar problemas de saúde para estudantes que ainda estão com sua formação física incompleta - especialmente para crianças e jovens entre 10 e 16 anos.
(http://www.gazetadopovo.com.br, acessado em 20.11.2013)
Em relação à pontuação do texto, considere as seguintes afirmativas:
I) A vírgula no início do terceiro parágrafo foi empregada para separar uma circunstância de lugar deslocada.
II) No sexto parágrafo, o uso das aspas indicam o início e o fim de uma citação, diferenciandoa do restante do texto.
III) No oitavo parágrafo, a conjunção no entanto vem isolada por vírgulas, porque está deslocada do início da oração.
Está(ão) CORRETA(s):
Provas
Questão presente nas seguintes provas
Cadernos
Caderno Container