Foram encontradas 40 questões.

Disponível em: <http://tiras-do-calvin.tumblr.com/>.
Acesso em: 19 abr. 2014.
Analise a tira acima.
Considerando a norma padrão escrita, assinale a alternativa CORRETA.
Provas
Questão presente nas seguintes provas
Deseja-se comandar um conjunto de lâmpadas de pontos distintos de um laboratório de ensino. Assinale a alternativa CORRETA em relação a esse caso.
Provas
Questão presente nas seguintes provas
Sobre o motor monofásico, é CORRETO afirmar que:
Provas
Questão presente nas seguintes provas
O circuito abaixo é composto por três resistências – R1, R2 e R3 – e duas fontes de tensão contínuas – E1 e E2. Sabendo que:
R1 = 2 Ω; R2 = 1 Ω; R3 = 1 Ω
E1 = 6 V; E2 = 3 V

Analise as seguintes afirmativas:
I. A corrente i1 tem intensidade 3A.
II. A corrente i2 tem intensidade 3A.
III. A corrente i3 tem intensidade -6A.
IV. A corrente i2 tem sentido inverso ao mostrado na figura.
V. A potência consumida em todos os resistores é de 54W.
VI. A diferença de potencial elétrico sobre o resistor R1 é de 6V.
VII. A diferença de potencial elétrico sobre o resistor R2 é de 4V.
VIII. A diferença de potencial elétrico sobre o resistor R3 é de 3V.
Assinale a alternativa CORRETA.
Provas
Questão presente nas seguintes provas
A figura abaixo mostra a montagem de quatro resistores de resistência R, onde são indicados quatro terminais: a, b, c e d.

Considere que duas condições distintas podem ocorrer para a operação do circuito:
1ª condição: c e d curto-circuitados;
2ª condição: c e d conforme a configuração do circuito da figura.
Com base no circuito, assinale os valores CORRETOS para a resistência equivalente, vistos pelos terminais a e b, considerando a 1ª e a 2ª condições para os terminais c e d respectivamente.
Provas
Questão presente nas seguintes provas
Lanche 30/08/2012 [data de publicação da matéria]
10 cachorros-quentes muito apetitosos pelo Brasil
Conheça os hot-dogs considerados os melhores de São Paulo, Rio, Brasília, Porto Alegre, Belém e região do ABC paulista
Cachorro-quente é uma comida democrática. Ao mesmo tempo em que ele pode ser um simples pão com salsicha e molho, também pode ter ingredientes finos ou mais próximos da realidade de uma região específica.
O preço também varia. Se em uma barraquinha ele pode custar por volta de três reais, versões mais elaboradas podem chegar a milhares de dólares. Um exemplo é o hot-dog mais caro do mundo, vendido por 2,3 mil dólares em um restaurante de Nova York.
Independentemente das peculiaridades de cada tipo, esse sanduíche é um grande sucesso dentro e fora do país. Confira a seguir um dentre alguns exemplares que já foram considerados os melhores em sete cidades brasileiras para provar in loco ou tentar copiar em casa.
Cachorro-quente do R, em Porto Alegre
A especialidade desta lanchonete, criada em 1962 em Porto Alegre, foi considerada pelos moradores o melhor cachorro-quente da cidade, de acordo com uma consulta feita pela revista Veja Porto Alegre Comer e Beber, neste ano. Não é a primeira vez que o hot-dog ganha destaque. Ele já foi vencedor na categoria de melhor cachorro-quente da cidade nas edições de 1998, 2000, 2001, 2004, 2005, 2006 e 2009.
Os sanduíches variam no tamanho e podem vir com uma, duas ou três salsichas. A lista de ingredientes também inclui ervilha, salsa, queijo ralado, ketchup, mostarda e molho especial.
[...]
Disponível em: <http://exame.abril.com.br/estilo-de-vida/noticias/10-cachorros-quentes-muito-apetitosos-pelo-brasil>.
[Adaptado]. Acesso em: 20 abr. 2014.
Considerando as informações do Texto, assinale a alternativa CORRETA.
Provas
Questão presente nas seguintes provas
As seguintes medidas de controle de risco elétrico devem ser tomadas nos trabalhos e intervenções em instalações elétricas:
1 - Desenergização elétrica
2 - Emprego de tensão de segurança
3 - Proibição ao uso de adornos pessoais
4 - Aterramento das instalações elétricas
5 - Vestimentas com condutibilidade adequada
6 - Utilização de capacete para proteção contra choques elétricos
7 - Isolação das partes vivas
8 - Sistema de seccionamento automático de alimentação
9 - Utilização de luvas e calçados para proteção contra choques elétricos
Assinale a alternativa que apresenta CORRETAMENTE apenas as medidas de proteção COLETIVA.
Provas
Questão presente nas seguintes provas
Na coluna 1 são apresentadas algumas características de materiais empregados em eletrotécnica. Na coluna 2 são listados diversos materiais. Numere a coluna 2 de acordo com a coluna 1, identificando as características dos materiais apresentados.
Coluna 1
1) Condutor
2) Semicondutor
3) Isolante
Coluna 2
( ) Silício
( ) Óxido de Tântalo
( ) Cobre
( ) Tungstênio
( ) Mica
( ) Germânio
( ) Baquelite
( ) Ouro
( ) Selênio
Assinale a alternativa que apresenta a sequência CORRETA, de cima para baixo.
Provas
Questão presente nas seguintes provas
Assinale a alternativa que completa CORRETAMENTE a lacuna da frase abaixo.
“ é uma estratégia na qual se comandam vários computadores remotamente, a fim de se enviar e-mails e/ou fazer ataques a sites sem que o dono do computador tenha conhecimento disso.”
Provas
Questão presente nas seguintes provas
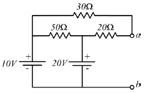
Assinale a alternativa CORRETA. Considere o circuito elétrico representado na figura ao lado. A diferença de potencial elétrico entre os pontos a e b é de:

Provas
Questão presente nas seguintes provas
Cadernos
Caderno Container