Foram encontradas 60 questões.
Um sistema trifásico em conexão triângulo, uma tensão de fase de 100 V, produz uma tensão de linha de:
Provas
Sobre a transformada de Laplace assinale a alternativa incorreta.
Provas

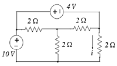
O valor da corrente i é:
Provas
Assinale a alternativa incorreta sobre queda de tensão permitida, de acordo com a norma NBR5410:
Provas

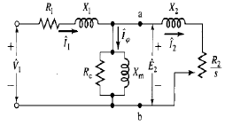
O motor de indução pode ser representado por um circuito equivalente monofásico, referido ao estator, conforme mostra a figura.
Assinale a opção incorreta.
Provas
Sobre função de transferência assinale a alternativa incorreta.
Provas

Para o circuito o valor da tensão entre coletor e emissor é aproximadamente:
Provas
Um sistema microcontrolado precisa ter uma resolução de 1 mV do sinal analógico medido. A faixa de sinal varia de 0 a 10V.
O conversor AD deve ter no mínimo:
Provas
Um motor de indução trifásico de 220 V, 4 pólos, 60 Hz, 10 CV possui os seguintes dados de catálogo: velocidade nominal – 1760 rpm, corrente nominal – 26,6 A, conjugado nominal – 4,07 kgfm, relação corrente de partida/corrente nominal – 8,0, relação conjugado máximo/conjugado nominal – 3,0, relação conjugado de partida/conjugado nominal – 2,2, rendimento com carga nominal – 89%, fator de potência com carga nominal – 0,83. Escolha a afirmação incorreta sobre este motor.
Provas
Os motores utilizados em furadeiras elétricas portáteis utilizam um motor conhecido como motor universal.
Este motor é:
Provas
Caderno Container