Foram encontradas 60 questões.
Quando a carga a ser instalada em uma indústria é superior a 75 kW, a concessionária fornecerá energia em média tensão (11,9 kV). Para demandas de até 225kVA o consumidor deverá construir em sua propriedade um posto de transformação de acordo com as normas técnicas da concessionária
Assinale a alternativa que não faz parte do referido posto de transformação.
Provas
O Selo Procel de Economia de Energia ou simplesmente Selo Procel, foi instituído por Decreto Presidencial em 8 de dezembro de 1993. É um produto desenvolvido e concedido pelo Programa Nacional de Conservação de Energia Elétrica - Procel, coordenado pelo Ministério de Minas e Energia – MME, com sua Secretaria-Executiva mantida pelas Centrais Elétricas Brasileiras S.A – Eletrobrás.
O Selo Procel tem por objetivo:
I. orientar o consumidor no ato da compra, indicando os produtos que apresentam os melhores níveis de eficiência energética dentro de cada categoria, proporcionando assim economia na sua conta de energia elétrica.
II. estimular a fabricação e a comercialização de produtos mais eficientes, contribuindo para o desenvolvimento tecnológico e a preservação do meio ambiente.
III. evitar o superávit de energia elétrica no país.
Assinale a alternativa correta:
Provas
Um sistema trifásico equilibrado é composto de uma fonte de tensão em estrela e uma carga em triângulo.
Considere as afirmativas:
I. O fator de potência do sistema não depende da carga.
II. Na fonte, o módulo da tensão de fase é igual ao módulo da tensão de linha.
III. A corrente de neutro desta carga é diferente de zero.
IV. A corrente em uma das linhas é igual à soma fasorial das correntes de fase da carga ligadas a esta linha.
Provas

A figura ilustra a planta baixa de um corredor com os pontos de iluminação. Em função do grande comprimento do corredor, foi solicitado que fossem previstos quatro interruptores de luz ao longo do corredor e que, a partir de cada um deles, fosse possível acender ou apagar as luminárias existentes.
Para que a instalação atenda o que foi solicitado, os condutores que deverão passar pelo eletroduto E1 são:
Provas

A figura ilustra a planta baixa de um corredor com os pontos de iluminação. Em função do grande comprimento do corredor, foi solicitado que fossem previstos quatro interruptores de luz ao longo do corredor e que, a partir de cada um deles, fosse possível acender ou apagar as luminárias existentes.
Qual o tipo de interruptor que deverá ser utilizado no ponto I1, dentro da caixa tracejada na figura?
Provas
Sobre chaves estrela-triângulo de partida de motores trifásicos, pode-se afirmar que:
I. a corrente de partida de uma chave estrela-triângulo fica reduzida em aproximadamente 1/3 do seu valor nominal.
II. na chave estrela-triângulo para um motor alimentado pela tensão 220V, na sua partida em estrela, a tensão cai para 127V.
III. o motor deve ter pelo menos três terminais acessíveis para ligações.
IV. o valor de tensão da rede deve coincidir com o valor de tensão da ligação estrela do motor.
Assinale a alternativa correta:
Provas
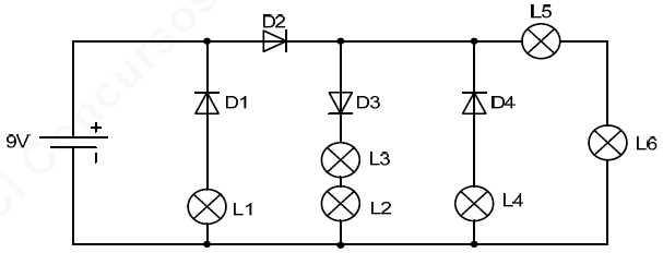
Sabendo-se que a tensão nominal das lâmpadas do circuito abaixo é de 4,50 V, identifique a condição de funcionamento de cada uma delas.

Provas
Um transformador trifásico tem as seguintes características:
- potência nominal: 112,5 kVA
- tensão primária: 12 kV
- tensão secundária: 220 V
O valor da corrente nominal do disjuntor de proteção geral dos circuitos ligados nos enrolamentos secundários deve ser de:
Provas
Quanto ao uso de condutores, a ABNT, na sua norma NBR 5410, padroniza a seção mínima de condutores e cabos isolados de cobre para o condutor fase, conforme a utilização do circuito.
Assinale a alternativa correta.
Provas
De acordo com a Constituição da República Federativa do Brasil:
Assinale a alternativa correta.
Provas
Caderno Container