Foram encontradas 60 questões.
Em uma instalação de baixa tensão ocorreu uma falta entre os condutores vivos. Quanto ao valor da corrente de falta, assinale qual a alternativa correta:
Provas
Assinale a alternativa correta em relação ao planejamento de uma instalação elétrica:
Provas
Assinale a alternativa correta quanto ao fator de potência de uma instalação elétrica:
Provas
A queda de tensão entre a origem de uma instalação e qualquer ponto de tomadas, em relação ao valor da tensão nominal da instalação, quando alimentada diretamente por um ramal de baixa tensão, a partir de uma rede de distribuição pública, conforme norma brasileira, não deve ser superior a um determinado valor. Assinale a alternativa correta referente a este valor:
Provas
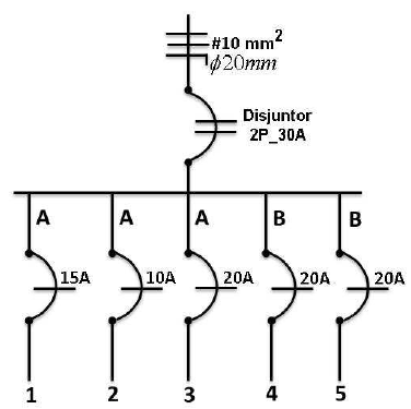
A figura a seguir apresenta o diagrama unifilar do quadro de carga de uma instalação elétrica residencial. A simbologia gráfica empregada é a usualmente adotada para instalações elétricas de baixa tensão e estão indicados no diagrama o alimentador e cinco circuitos da instalação. De acordo com as informações contidas no diagrama da figura, assinale a alternativa incorreta:

Figura com diagrama unifilar
Provas
Assinale a alternativa que indica as cores dos condutores fase A, fase B, neutro e de proteção, em instalações elétricas bifásicas de baixa tensão em corrente alternada, segundo a norma de instalações elétricas de baixa tensão:
Provas
Em uma instalação, foram constatadas as seguintes medições com aparelhos apropriados: 12 kW e 6 kVAr. Assinale a alternativa com o valor do fator de potência da instalação:
Provas
Deseja-se que um ambiente com dimensões 10 m x 10 m tenha um nível de iluminância de no mínimo 200 Lux. As luminárias têm duas lâmpadas fluorescentes de 20 W e 1.200 lumens e estão distribuídas de forma coerente. Considerando um fator de utilização 0,75 e um fator de depreciação 0,80, pelo método dos lumens, esse ambiente deve ter, no mínimo, um número de luminárias igual a:
Provas
Em um projeto de iluminação de interiores, assinale a alternativa correta quanto aos parâmetros que devem ser considerados:
Provas
Um sistema elétrico possui um esquema de aterramento com um ponto da alimentação diretamente aterrado. Se as massas da instalação estão ligadas aos eletrodos de aterramento eletricamente distintos do eletrodo de aterramento da alimentação, assinale qual a alternativa que representa o tipo de esquema de aterramento correto:
Provas
Caderno Container