Foram encontradas 60 questões.
A figura a seguir apresenta as curvas típicas de torque por velocidade de um motor de indução trifásico de 220/380 V. Sabendo-se que a curva “B” refere-se à tensão e frequência nominal e “Cr” à curva do conjugado resistente, assinale a alternativa correta:

Figura das curvas típicas de motores de indução trifásicos
Provas
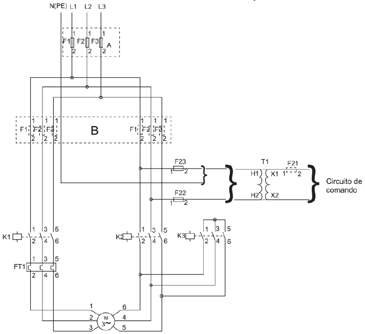
Considere o circuito de força ilustrado na figura a seguir e assinale qual alternativa refere-se ao acionamento de motores de indução trifásico:

Figura de circuito para motor de indução trifásico
Provas
A tabela a seguir apresenta os dados de catálogo de um motor de indução trifásico:
| Potência | Conjugado Nominal | Tensão Nominal | Rotação Nominal | Número de Polos | Corrente Nominal (In) | Corrente com Rotor Bloqueado Ip/In | Conjugado de Partida Cp/Cn | Conjugado Máximo Cmáx/Cn |
| 1 HP | 0,423 kgfm | 220 V | 1.725 rpm | 4 | 2,90 A | 7,3 | 3 | 3,2 |
Com base nos dados do motor, assinale a alternativa incorreta:
Provas
Considere o circuito da figura como sendo equivalente monofásico alimentado por uma fonte de tensão de 100 V, apresentando como carga uma resistência de 10 Ω e duas lâmpadas incandescentes de 100 V nominal e de 60 W e 100 W de potência, respectivamente. Supondo que a energia custa 0,50 R$/kWh, e que a lâmpada de 60 W é utilizada 5h/dia, a lâmpada de 100 W é acesa por 2h/dia e a resistência é ligada por 30min/dia, assinale a alternativa correta:

Figura circuito elétrico
Provas
Considerando o sistema de acionamento de motores de indução trifásicos, assinale a alternativa incorreta:
Provas
Considerando a correção do fator de potência, assinale a alternativa incorreta:
Provas
Considerando o circuito indicado na figura a seguir, assinale a corrente que circula na fonte de alimentação:

Figura circuito elétrico
Provas
Considerando-se um motor de indução trifásico de tensão nominal de 220/380 V, é correto afirmar que:
Provas
Considere que o circuito elétrico indicado na figura a seguir seja um circuito equivalente monofásico, com fonte de alimentação de 220 V eficaz que alimenta duas cargas, sendo a Carga 2 um equipamento indutivo. Assinale a alternativa correta, considerando a operação em regime permanente:

Figura com circuito elétrico
Provas
Num sistema de cabeamento estruturado, assinale a alternativa incorreta quanto aos cabos UTP:
Provas
Caderno Container