Foram encontradas 60 questões.
Polímeros caracterizam-se por apresentarem uma alta massa molar ou peso molecular. Com o aumento da massa molar, aumenta-se a probabilidade das macromoléculas formarem emaranhamentos ou enroscos e, assim, podemos esperar:
Provas
A partir de uma certa massa molar, as macromoléculas poliméricas passam a apresentar interações intermoleculares consideráveis, também chamadas de ligações moleculares secundárias. Assinale a alternativa que apresentas os dois principais tipos de interações intermoleculares ou ligações secundárias presentes em polímeros:
Provas
Indique a nomenclatura correta de cada um destes polímeros representados nas figuras I a IV:

Provas
As estruturas a seguir representam as possíveis combinações dos monômeros A e B para formar copolímeros. A classificação correta para cada um destes copolímeros conforme aparecem nas sequências de I a IV é:

Provas
Polímeros são macromoléculas, mas nem todas as macromoléculas são polímeros. A principal característica que diferencia os polímeros das outras macromoléculas é:
Provas
Motores hidráulicos são usados para movimentar roscas na câmera de plastificação de injetoras. Com uma combinação apropriada de bombas e motores hidráulicos, variações de velocidade e torque são possíveis. A figura a seguir apresenta um circuito de motor hidráulico com controles de desaceleração lenta e parada.

Identifique os componentes representados pelos algarismos I, II, III, IV, V e VI, respectivamente:
Provas
Roscas de extrusão devem ser limpas periodicamente para evitar a contaminação de um polímero por outro. Dois tipos básicos de limpeza são os mais usados:
1. Limpeza com polímero de baixa temperatura de fusão, carregado ou não, em que se faz a extrusão ou a purga deste material durante o tempo necessário para observação visual da limpeza no material que deixa a matriz.
2. Limpeza com retirada da rosca em alta temperatura, na qual o polímero ainda se encontra amolecido.
Assinale a alternativa que indica com que frequência estes procedimentos 1 e 2 devem ser realizados, respectivamente:
Provas
Assinale a alternativa incorreta sobre as boas práticas de manutenção preventiva de um motor elétrico:
Provas
Uma indústria possui motores com potência total de 120 kVA e cos !$ θ !$ = 0,6. A tensão efetiva é de 380V. Assinale a alternativa correta, que apresenta os resultados para os cálculosI) do novo fator de potência desta instalação, após a instalação de capacitores de 65 KVAr e da corrente total circulando pelo circuito e II) do novo fator de potência desta instalação, após a substituição de um forno a combustível por um forno elétrico de 60 kW e da corrente total circulando neste circuito nesta nova situação.
Provas
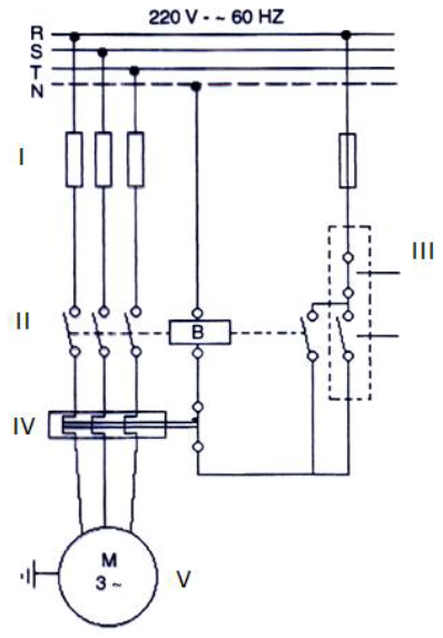
Identifique, na figura a seguir, os seguintes componentes deste circuito elétrico: motor elétrico, relés térmicos, fusíveis, botoeira e contator, respectivamente:

Provas
Caderno Container