Foram encontradas 60 questões.
No circuito a seguir, os valores do módulo da corrente i fornecida pela fonte e a defasagem entre esta e a tensão da fonte são:
Provas
Uma fonte de tensão real pode ser representada por uma fonte de tensão ideal em série com uma resistência interna. Ligado aos terminais desta fonte, temos um resistor de 5 Ω, e sabe-se que este é o valor de resistência que absorve a máxima potência da fonte, cujo valor é de 20 W. Pode-se então concluir que os valores da resistência interna da fonte e sua tensão em aberto são:
Provas
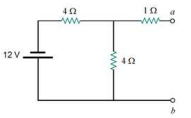
No circuito a seguir, os valores da resistência e da tensão do circuito equivalente de Thévenin entre os terminais (a) e (b) são:

Provas
No circuito a seguir, o valor da corrente e seu sentido no resistor de 6 Ω são:

Provas
Na tela de um osciloscópio é mostrada a forma de onda a seguir. Sabendo-se que o osciloscópio está ajustado para 0,2/divisão e 50 µs/divisão, quais os valores aproximados da frequência e da amplitude pico a pico do sinal?

Provas
Deseja-se saber se uma tomada residencial em uma parede possui tensão. Para isto, será usado o multímetro mostrado a seguir, mas não se sabe qual a tensão da rede. Antes de usar o multímetro, entretanto, será necessário:

Provas
Para testar o funcionamento de um determinado circuito, um técnico avaliou que é necessário colocar na sua entrada um sinal senoidal de 2 kHz. Para isto, deve-se usar o gerador de funções mostrado a seguir. Neste equipamento, as chaves são de tecla, que são ativadas quando pressionadas. Para selecionar o sinal desejado, as chaves que devem ser pressionadas são:

Provas
Um capacitor de 10 µF está carregado com uma carga de 0,01 C. A tensão entre seus terminais é de:
Provas
Sabendo-se que no circuito a seguir, R1= 6 Ω, R2= 3 Ω, R3= 5 Ω e R4=4 Ω, o valor da corrente fornecida pela bateria é:

Provas
Uma bateria possui a curva de descarga em corrente constante mostrada na figura a seguir. Sabe-se que quando a tensão na bateria era 12,00 V, a resistência de carga era 0,8 Ω. O valor da resistência de carga após 90 minutos do início da descarga da bateria, considerando que a corrente se manteve constante, é:

Provas
Caderno Container