Foram encontradas 60 questões.
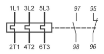
A simbologia e os contatos (97-98) e (95-96) representam, respectivamente:

Provas
Analise a figura a seguir e assinale a alternativa correta:

Provas
A configuração básica de um circuito de partida de motores elétricos é constituída dos seguintes elementos: rede elétrica, seccionamento, proteção contra curto-circuito, proteção contra sobrecarga, dispositivo de manobra e motor. Assinale a alternativa incorreta:
Provas
Sobre os dispositivos empregados em acionamentos elétricos, assinale a alternativa incorreta:
Provas
Qual é número de terminais de alimentação de um motor de indução trifásico de 220/380 V?
Provas
Considere um motor de indução trifásico de 220/380 V. Assinale a alternativa que indica o acionamento não permitido:
Provas
Quais dos dispositivos a seguir são empregados para permitir o controle da tensão e frequência de acionamento do motor de indução trifásicos?
Provas
Disciplina: Segurança e Saúde no Trabalho (SST)
Banca: UFSCAR
Orgão: UFSCAR
A Norma Regulamentadora nº 10 do Ministério do Trabalho e Emprego considera como baixa tensão:
Provas
Disciplina: Segurança e Saúde no Trabalho (SST)
Banca: UFSCAR
Orgão: UFSCAR
A Norma Regulamentadora nº 10 do Ministério do Trabalho e Emprego considera como alta tensão:
Provas
Disciplina: Segurança e Saúde no Trabalho (SST)
Banca: UFSCAR
Orgão: UFSCAR
De acordo com a Norma Regulamentadora nº 10 do Ministério do Trabalho e Emprego, o que é uma zona controlada?
Provas
Caderno Container