Foram encontradas 60 questões.
A principal premissa da manutenção preditiva é permitir o agendamento da parada do equipamento para manutenção preventiva, evitando assim a sua falha repentina. Considere as afirmativas a seguir sobre manutenção preditiva:
I. A manutenção preditiva estabelece que a intervenção sobre um equipamento só é realizada quando este apresentar uma mudança na sua condição de operação.
II. A manutenção preditiva permite a eliminação de desmontagens para inspeção.
III. A manutenção preditiva permite estabelecer as condições para que a vida útil dos componentes seja maximizada.
IV. A manutenção preditiva depende da medição de parâmetros de funcionamento do equipamento com base em dados que informam alguma condição de desgaste.
É correto o que se afirma em:
Provas
De acordo com os registros de manutenção de uma determinada máquina, o tempo de funcionamento (TF) e o tempo de reparo (TR), dados em horas, são os seguintes:
| TF | 50 | 52 | 48 | 50 | ||||
| TR | 5 | 3 | 6 | 6 |
Assinale a alternativa que representa o valor da disponibilidade inerente (Di), em porcentagem.
Provas
As bombas são utilizadas nos circuitos hidráulicos com o objetivo de converter energia mecânica em energia hidráulica. Considere as afirmações a seguir.
I. As bombas centrífugas são máquinas rotativas nas quais o fluxo e a pressão são gerados dinamicamente. A única resistência é aquela criada pelo peso do fluido 26 e pelo atrito. A bomba centrífuga aplica energia ao fluido por meio de variações na velocidade que ocorrem pela passagem do fluido através das pás do rotor e de outras geometrias da carcaça da bomba.
II. A bomba de engrenagens consiste basicamente de uma carcaça com orifícios de entrada e de saída e de um mecanismo de bombeamento composto de duas engrenagens. Uma das engrenagens é a motora, que é ligada a um eixo conectado a um elemento acionador principal. A outra engrenagem é a engrenagem movida. No lado da entrada, os dentes das engrenagens desengrenam, o fluido entra na bomba, sendo conduzido pelo espaço existente entre os dentes e a carcaça, para o lado da saída onde os dentes das engrenagens engrenam e forçam o fluido para fora do sistema.
III. As bombas de palheta produzem uma ação de bombeamento fazendo com que as palhetas acompanhem o contorno de um anel ou carcaça. O mecanismo de bombeamento de uma bomba de palheta consiste de: rotor, palhetas, anel e uma placa de orifício com aberturas de entrada e saída.
É correto o que se afirma em:
Provas
Os compressores de ar são equipamentos responsáveis por admitir o ar da atmosfera, comprimi-lo e enviá-lo para um reservatório. Considere as afirmações a seguir.
I. No compressor alternativo de pistão de simples efeito, o pistão está ligado diretamente ao virabrequim por uma biela, que proporciona um movimento alternativo de sobe e desce ao pistão, e o empuxo é totalmente transmitido ao cilindro de compressão. Iniciado o movimento descendente, o ar é aspirado por meio de válvulas de admissão, preenchendo a câmara de compressão. A compressão do ar tem início com o movimento da subida. Após obter-se uma pressão suficiente para abrir a válvula de descarga, o ar é expulso do cilindro.
II. O compressor de parafuso é dotado de uma carcaça onde giram dois rotores helicoidais em sentidos opostos. Um dos rotores possui lóbulos convexos, o outro uma depressão côncava e são denominados, respectivamente, rotor macho e rotor fêmea. Os rotores são sincronizados por meio de engrenagens.
III. Em compressores dinâmicos de fluxo radial, o ar é acelerado a partir da periferia em direção ao centro de rotação, ou seja, é admitido pela primeira hélice radialmente, é acelerado e expulso axialmente.
É correto o que se afirma em:
Provas
Considerando tratamentos termoquímicos para ligas ferro-carbono, avalie as sentenças abaixo.
I. A cementação consiste do enriquecimento de carbono na superfície de peças de baixo teor de carbono. A temperatura de aquecimento é superior à temperatura crítica e as peças devem ser envolvidas por um meio carbonetante. A peça cementada deve ser posteriormente temperada.
II. A nitretação consiste do enriquecimento superficial de nitrogênio, que se combina com certos elementos dos aços, formando nitretos de alta dureza e 25 resistência ao desgaste. A temperatura deve ser inferior à da zona crítica e os aços nitretados não exigem têmpera posterior.
III. A carbonitretação consiste na introdução superficial de carbono e nitrogênio simultaneamente, a temperaturas acima da zona crítica, em atmosfera gasosa.
É correto o que se afirma em:
Provas
Assinale a alternativa que descreve corretamente um tratamento térmico aplicado ao aço carbono:
Provas
O Comitê Internacional de Pesos e Medidas, em 1969, reconheceu que os utilizadores do SI terão necessidade de empregar conjuntamente certas unidades 24 que não fazem parte do Sistema Internacional, porém estão amplamente difundidas. Assinale a alternativa que apresenta corretamente a conversão de uma unidade para o SI.
Provas
Assinale a alternativa que contém apenas grandezas de base no Sistema Internacional de Unidades
Provas
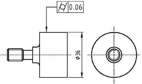
Assinale a alternativa que indica corretamente a tolerância geométrica aplicada à superfície cilíndrica da figura abaixo:

Provas
A figura abaixo mostra a escalas da bainha e do tambor e o nônio de um micrômetro externo. As setas indicam coincidência do traço do nônio com a escala do tambor. Assinale a alternativa que apresenta corretamente a resolução do instrumento e a leitura indicada:

Provas
Caderno Container