Foram encontradas 50 questões.
Considere os dados a seguir:
- coeficiente de transmissão de calor entre uma superfície e um líquido é 10 Btu/h ft2 ºF;
- 1 Btu = 0,252 kcal;
- 1 ft = 30,48 cm;
- \( \Delta \)T (ºC) = 1,8 \( \Delta \)T (ºF).
É CORRETO afirmar que o total de quilocalorias por hora, por metro quadrado, por graus Celsius que é transferido nesse sistema será de
Provas
A equação geral da condução de calor em coordenadas cartesianas para qualquer meio estacionário com condutividade térmica constante é
\( {\large{∂^2T \over ∂ x^2}}+{\large{∂^2T \over ∂y^2}}+{\large{∂^2T \over ∂z^2}}+{\large{\dot{q} \over K}}={\large{1 \over \alpha}} {\large{∂ T \over ∂ t}} \)
Está INCORRETA a alternativa
Provas
São mecanismos básicos de transferência de calor, EXCETO a
Provas
Quanto ao EPI – Equipamento de Proteção Individual, é CORRETO afirmar que cabe ao
Provas
A empresa é obrigada a fornecer aos empregados, gratuitamente, EPI – Equipamento de Proteção Individual – adequado ao risco, em perfeito estado de conservação e funcionamento, nas seguintes circunstâncias, EXCETO
Provas
De acordo com a NR 10 – Segurança em Instalações e Serviços em Eletricidade, é considerada Alta Tensão a tensão superior a
Provas
A respeito da NR 10 – Segurança em Instalações e Serviços em Eletricidade, é INCORRETO afirmar que
Provas
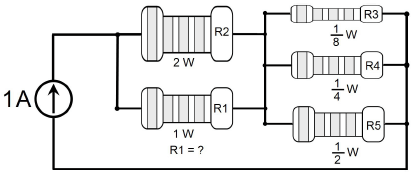
O circuito da figura seguinte mostra a associação de cinco resistores com capacidades de dissipação térmicas diferentes. Sob cada um dos resistores, estão indicadas as respectivas potências dissipadas quando esse circuito é alimentado por uma fonte de corrente de 1A.

Com base nessas informações, é CORRETO afirmar que o valor da resistência do resistor R1 é igual a
Provas
Buscando avaliar a influência do atraso no tempo de propagação de portas lógicas NOR (em português NOU), um professor solicitou ao técnico de laboratório que montasse o circuito lógico da figura seguinte.

Terminada a experiência, o professor solicitou ao técnico que providenciasse uma porta lógica equivalente ao circuito montado com as portas NOR (NOU). Após alguns ensaios para levantar a tabela verdade desse circuito, o técnico concluiu que a porta lógica equivalente é uma porta cuja saída S é
Provas
A figura seguinte mostra quatro resistores com capacidades de dissipação térmicas diferentes (os valores estão mostrados à direita de cada resistor no circuito), ligados em paralelo e alimentados por uma fonte de tensão CC de 10 volts.

Considerando os respectivos valores das potências dissipadas pelas resistências, é CORRETO afirmar que a soma das correntes que atravessam
Provas
Caderno Container