Foram encontradas 50 questões.
Considere o circuito da figura mostrada a seguir.

O valor da potência medida pelo wattímetro é de
Provas
No circuito da figura seguinte, um multímetro, ajustado para a função de amperímetro, está sendo usado para medir a corrente elétrica fornecida pela fonte de tensão CC de 8 volts que atravessa os resistores.

Desconsideradas as tolerâncias dos resistores, a corrente medida é de
Provas
Deseja-se elaborar um roteiro para a manutenção de um circuito eletrônico digital empregado no monitoramento de um motor de combustão interna que aciona o alternador do sistema no-break, responsável por manter em funcionamento o sistema de informática de um dos campi da Universidade. Como saída S, esse circuito eletrônico digital emite um alarme sonoro sempre que o motor está trabalhando em regime de não conformidade, caracterizado por pressão insuficiente do óleo lubrificante ou pela temperatura da água de arrefecimento do motor acima do valor estabelecido. Para tal, existem sensores que medem a velocidade angular do motor, W, a pressão do óleo lubrificante, POL, e a temperatura da água, T. Quando a rotação do motor estiver acima de 2200 rpm, a temperatura da água deverá estar abaixo de 70 ºC. Porém, com o motor girando abaixo de 1800 rpm, tolera-se uma temperatura de até 100 ºC.
As tabelas a seguir mostram as correspondências dos níveis binários para a saída desses sendores.

A seguir, encontra-se desenhado o Mapa de Karnaugh correspondente ao circuito eletrônico digital, no qual o estado lógico X (don't care condition) pode assumir o valor binário 0 ou 1.

A partir da simplificação obtida pela utilização desse Mapa de Karnaugh, pode-se afirmar que a Expressão Booleana que melhor descreve a função lógica do circuito eletrônico digital é a da opção
Provas
Leia o texto a seguir para resolver a questão.
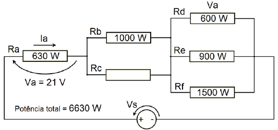
A figura seguinte retrata uma instalação elétrica em que seis cargas resistivas, conectadas com associações em série e em paralelo, dissipam uma potência total de 6630 W. O circuito é alimentado por uma fonte de tensão Vs. Nos terminais da carga Ra, mede-se uma tensão Va igual a 21 V. As potências dissipadas pelas demais cargas encontram-se registradas no interior dos retângulos que representam essas cargas.

O valor da tensão Vs aplicada ao circuito pela fonte de alimentação é de
Provas
Leia o texto a seguir para resolver a questão.
A figura seguinte retrata uma instalação elétrica em que seis cargas resistivas, conectadas com associações em série e em paralelo, dissipam uma potência total de 6630 W. O circuito é alimentado por uma fonte de tensão Vs. Nos terminais da carga Ra, mede-se uma tensão Va igual a 21 V. As potências dissipadas pelas demais cargas encontram-se registradas no interior dos retângulos que representam essas cargas.

Nessas condições, é CORRETO afirmar que o valor de Rc é de
Provas
Um equipamento instalado em um departamento da universidade opera 4 horas e 40 minutos por dia, cinco dias por semana. Quando esse equipamento é alimentado em 125 volts, ele drena uma corrente de 24 A. Então, é CORRETO afirmar que a energia consumida semanalmente por esse equipamento é de
Provas
Leia o texto a seguir para resolver a questão.
A figura seguinte retrata uma instalação elétrica em que cinco cargas resistivas, ligadas em paralelo, dissipam uma potência total de 12400 W. O circuito é alimentado por uma fonte de corrente que fornece a corrente Itotal. A carga Ra é percorrida por uma corrente Ia de 5 A. As potências dissipadas pelas demais cargas encontram-se registradas no interior dos retângulos que representam essas cargas.

Pode-se ainda afirmar que a soma das correntes que atravessam
Provas
Leia o texto a seguir para resolver a questão.
A figura seguinte retrata uma instalação elétrica em que cinco cargas resistivas, ligadas em paralelo, dissipam uma potência total de 12400 W. O circuito é alimentado por uma fonte de corrente que fornece a corrente Itotal. A carga Ra é percorrida por uma corrente Ia de 5 A. As potências dissipadas pelas demais cargas encontram-se registradas no interior dos retângulos que representam essas cargas.

A corrente total, Itotal, consumida por essa instalação elétrica é de
Provas
Leia o texto a seguir para resolver a questão.
A figura seguinte retrata uma instalação elétrica em que cinco cargas resistivas, ligadas em paralelo, dissipam uma potência total de 12400 W. O circuito é alimentado por uma fonte de corrente que fornece a corrente Itotal. A carga Ra é percorrida por uma corrente Ia de 5 A. As potências dissipadas pelas demais cargas encontram-se registradas no interior dos retângulos que representam essas cargas.

Nessas condições, é CORRETO afirmar que a soma das resistências
Provas
Leia o texto a seguir para resolver a questão.
Um inversor lógico, existente em uma placa de um PLC (Controlador Lógico Programável), com tecnologia TTL, deve acionar o relé mostrado na figura a seguir. Deseja-se especificar um transistor para fazer a conexão entre a saída desse inversor e o relé.

São dados:
|
• Resistência elétrica da bobina do relé: 20 S. |
|
• Corrente mínima para acionar o relé: 40 mA. |
|
• Corrente máxima suportada pela bobina do relé: 100 mA. |
|
• O inversor lógico TTL fornece uma corrente no terminal de saída da porta inversora de até 400 μA para uma tensão de saída mínima de 2,4 volts para o nível lógico 1. |
|
• O transistor, quando conduzindo, apresenta uma queda de tensão de 0,7 volts entre os terminais de base e o emissor. |
|
• A tensão mínima de saturação entre o coletor e o emissor, Vcesat, é 0,2 volts. |
O valor da resistência RC para que o limite de corrente da bobina do relé não seja ultrapassado, ainda que o parâmetro !$ \beta !$ do transistor seja muito maior que o valor mínimo especificado, é de
Provas
Caderno Container