Foram encontradas 40 questões.
Dado o circuito oscilador mostrado na figura ao lado, no qual o amplificador operacional é alimentado com uma tensão simétrica de +12V e –12V, considere as seguintes afirmativas:
I - O circuito é um oscilador do tipo Hartley.
II - O sinal no ponto Vo é uma forma de onda quadrada.
III - A frequência de oscilação é de 100 krad/s.
IV - O circuito ressonante LC define a amplitude do sinal de saída.

Está(ão) correta(s)
Provas
Determine o valor da tensão de saída (Vo) do seguinte circuito, que utiliza um amplificador operacional.

O valor determinado corresponde a
Provas
Os enrolamentos de um motor elétrico trifásico possuem uma resistência elétrica de 6 Ohms e uma reatância indutiva de 8 Ohms. Se o motor for ligado em estrela e for aplicada uma tensão de linha de 220 Volts (rms), a corrente de linha (em Ampères) e a potência aparente (em kVA) do motor correspondem, respectivamente, a
Provas
Um circuito Buffer (de tensão) que utilize um amplificador operacional, fornece uma maneira de se _______________ um sinal de entrada a uma carga, agindo como um circuito de _______________ impedância de entrada e baixa _______________ de saída.
A sequência que completa corretamente as lacunas é
Provas
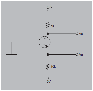
No circuito mostrado na figura abaixo, a tensão de emissor, Ve, foi medida como sendo de −0,7 V. Se, para o transistor bipolar, !$ \beta \, = \, 50 !$, calcule a tensão de coletor, Vc.

A tensão de coletor (Vc) corresponde a
Provas
Analise o circuito que é mostrado a seguir.

Se a diferença de potencial entre os pontos A e B vale zero Volts (Vab = 0), qual o valor da resistência R em Ohms?
Provas
No circuito da figura a seguir, tem-se um amperímetro e um voltímetro ideais. Quando a chave CH for fechada, a leitura apresentada pelo amperímetro mostra 1 mA e pelo voltímetro vale 3 Volts.

Considerando-se desprezível a resistência interna da fonte "E", os valores calculados da resistência "R" e da tensão da fonte "E" correspondem, respectivamente, a
Provas
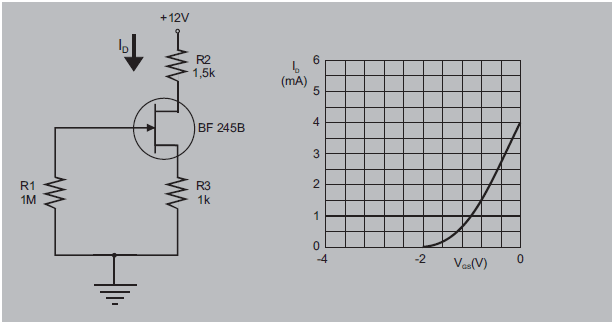
O circuito da figura abaixo é um estágio amplificador que utiliza o JFET BF 245B, cuja curva de transferência (ID XVGS) aparece ao lado.

Determinados os valores de ID e VDS correspondentes ao ponto de operação do JFET nesse circuito, tem-se
Provas
Observe a figura a seguir, onde está representado um retificador de onda completa tipo ponte.

Sabendo-se que a carga R = 500 Ohms, a sua tensão cc em Volts (Vcc) e a corrente de carga em miliAmpéres (mA), correspondem, respectivamente, a
Provas
Assinale a alternativa coma afirmativa CORRETA.
Provas
Caderno Container