Foram encontradas 40 questões.
Observe a figura abaixo.

Um técnico, utilizando-se de um multímetro, analisa o circuito eletrônico. Tendo isso em mente, assinale verdadeiro (V) ou falso (F) em cada afirmativa.
( ) Se o resistor da base estiver aberto, a tensão de base no transistor será de 15 Volts.
( ) Se a tensão entre a base e o emissor (VBE) forde0,7Volts e a tensão entre o coletor e o emissor forde11,96Volts,
( ) Se o resistor de coletor estiver em curto-circuito, o transistor apresentará no circuito uma tensão de coletor igual a 15 Volts.
( ) Se não existir corrente na base e no coletor do transistor, o resistor de base RB estará aberto, logo a tensão de base VB valerá zero Volts e a tensão de coletor V será igual a 15 Volts.
A sequência correta é
Provas
A polarização "cc" de um transistor de junção bipolar é conhecida como um processo _______________, pois visa estabelecer o ponto de _______________ do circuito amplificador.
A sequência que completa corretamente as lacunas é
Provas
Sobre o aquecedor AQ da figura a seguir, tem-se as seguintes informações: valores nominais gravados em sua placa de identificação: potência P = 200Watts e tensão V = 100 Volts. O fusível F suporta uma corrente elétrica máxima de 3Ampères e possui uma resistência elétrica desprezível.

Qual é o menor valor da resistência R (em Ohms) que se pode ligar em paralelo com o aquecedor, sem que o fusível se rompa?
Provas
Observando-se o circuito da figura a seguir, nota-se que a corrente que passa pelo amperímetro "A" não se altera quando a chave "CH" é fechada.

Calculando-se a resistência elétrica do amperímetro, obtém-se
Provas
A localização da chamada região Zener em um diodo Zener pode ser controlada variando-se os níveis da
Provas
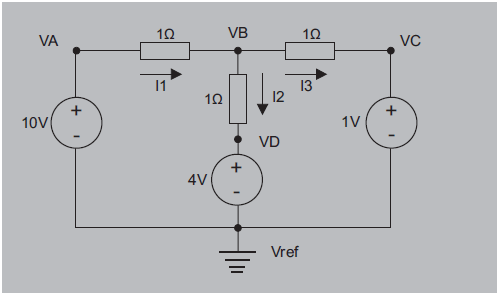
Um circuito elétrico pode ser composto por várias malhas, constituídas por elementos que geram ou absorvem energia elétrica, conforme mostrado a seguir.

Sobre o circuito acima, analise as seguintes afirmativas:
I - Para se calcular a tensão no nó VB em relação ao nó de referência (Vref = 0 V), pode-se utilizar uma das Leis de Kirchhoff, que diz que a soma algébrica das correntes em um nó é igual a zero, obtendo-se VB= 5 V.
II - Para se calcular a tensão no nó VB em relação ao nó de referência (Vref = 0 V), pode-se utilizar uma das Leis de Kirchhoff, que diz que a soma das quedas de tensão em uma malha é igual a zero, obtendo-se VB= 4,3 V.
III - Invertendo-se a polaridade da fonte de 1 V, a corrente que circula pelo resistor em série com essa fonte de 1 V aumenta para 5,33A.
IV - Invertendo-se a polaridade da fonte de 1 V, a corrente que circula pelo resistor em série com a fonte de 4 V aumenta para 1A.
Está(ão) correta(s)
Provas
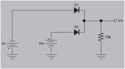
No circuito abaixo, os diodos têm características ideais (Rf = 0 , Rr = !$ ∞ !$ e Vy = 0). Determine a tensão de saída (Vo) do circuito.

O valor determinado corresponde a
Provas
Tendo em mente um determinado sistema elétrico analisado sob o aspecto de energia, potência e correção do seu fator de potência, assinale verdadeiro (V) ou falso (F) em cada afirmativa.
( ) Quanto maior o consumo de energia reativa para um mesmo consumo de energia ativa, maior será o fator de potência do sistema.
( ) A ligação adequada de um banco de capacitores pode compensar o atraso da corrente em relação à tensão nesse sistema, reduzindo o ângulo de defasagem e, assim, aumentando o seu fator de potência.
( ) Após a instalação do banco de capacitores, a potência ativa do sistema é alterada, ocorrendo também a alteração na potência aparente do circuito.
A sequência correta é
Provas
O circuito abaixo é um regulador de tensão. Determine o valor da tensão nominal do regulador (Vo), sabendo que DZ é umdiodo zener ideal com uma tensão de ruptura Vz = 4,3V, a tensão base-emissor de Q1 é de 0,7 V e que R3=R4. Considere IB1 !$ ≈ !$ 0.

O valor determinado é
Provas
A função booleana F = !$ [ \overline{ A. \, B \, + \, C}] !$ pode ser representada como
Provas
Caderno Container