Foram encontradas 40 questões.
No ambiente de trabalho, os agentes ambientais geram riscos ambientais, classificados em cinco categorias.
Relacione os tipos de riscos com os agentes ambientais.
1. Riscos Químicos
2. Riscos Físicos
3. Riscos Biológicos
4. Riscos Ergonômicos
5. Riscos Mecânicos
( ) Animais peçonhentos
( ) Combustíveis
( ) Vibração
( ) Choque elétrico
( ) Treinamento inadequado
A sequência correta é
Provas
Em uma transmissão por polias e correias onde o objetivo é a multiplicação da rotação com uma relação de transmissão igual a 3, se o diâmetro da polia motora é igual a 180 mm, o diâmetro da polia movida será
Provas
A Norma Regulamentadora N° 10 (NR 10) do Ministério do Trabalho e Emprego (MTE) foi atualizada no ano de 2004 e trata da Segurança em Instalações e Serviços em Eletricidade. Em relação à NR 10, são feitas as seguintes afirmações:
I - Aplica-se às fases de geração, transmissão e distribuição de energia elétrica, não sendo aplicada na fase de consumo de energia elétrica.
II - Permite o trabalho individual nos serviços em instalações elétricas energizadas em alta e baixa tensões, desde que executado por profissional devidamente capacitado e autorizado.
III - Prioriza as medidas de proteção coletiva em todos os serviços executados em instalações elétricas.
Está(ão) correta(s)
Provas
O aterramento elétrico é a ligação intencional da carcaça de um equipamento elétrico com a terra, podendo ser do tipo funcional, de proteção e temporário. A NBR 5410 (Instalações Elétricas de Baixa Tensão) estabelece esquemas de aterramento, como o que mostra a figura.

O esquema de aterramento da figura é chamado de
Provas
Um aquecedor industrial trifásico com potência ativa P, tensão de linha V e corrente de linha utiliza três resistências iguais, conectadas em estrela, sem neutro. Caso as resistências desse aquecedor sejam conectadas em triângulo, na mesma tensão de linha V, a potência ativa e a corrente de linha do aquecedor serão, respectivamente,
Provas
Nos refrigeradores domésticos usuais no Brasil, o sistema de controle da temperatura interna é feito com a utilização de um termostato que faz o conjunto motor-compressor funcionar, com entrada de controle constante, sempre que a temperatura interna estiver entre um valor mínimo e um valor máximo. O sistema de controle, empregado nesses equipamentos, caracteriza-se como
Provas
A Norma Regulamentadora N° 10 (NR 10) do Ministério do Trabalho e Emprego (MTE), atualizada no ano de 2004, introduziu o conceito de desenergização de instalações elétricas. De acordo com aNR10, somente serão consideradas desenergizadas as instalações elétricas liberadas para trabalho, mediante os procedimentos apropriados listados em ordem aleatória. Obedecendo à NR 10, numere os procedimentos, colocando-os na sequência correta.
( ) Constatação da ausência de tensão
( ) Instalação da sinalização de impedimento de reenergização
( ) Seccionamento
( ) Instalação de aterramento temporário com equipotencialização dos condutores dos circuitos
( ) Impedimento de reenergização
( ) proteção dos elementos energizados existentes na zona controlada
A sequência correta é
Provas
Pretende-se comandar um ponto de iluminação de uma instalação elétrica independente a partir de seis pontos distintos. Para isso, dispõem-se de interruptores paralelos (three-way) e interruptores intermediários (four-way).
A quantidade e tipos de interruptores necessários para essa instalação são
Provas
Uma viga simples de 3 metros, apoiada em suas extremidades, como mostra a figura, é carregada com uma carga concentrada de 4,5 kN a 2 metros do apoio A, desprezando o peso da viga. As reações RA e RB nos apoios A e B são, respectivamente,

Provas
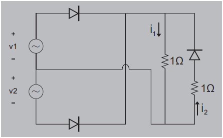
A análise do circuito representado na figura, constituído por componentes ideais, permite afirmar que os valores eficazes das correntes elétricas i1 e i2 são, respectivamente,
v1 = v2 = 10 sen (120 !$ \pi !$ t) V

Provas
Caderno Container