Foram encontradas 40 questões.
A figura 1 representa o diagrama de blocos de um controlador onde a entrada é o sinal de erro e a saída é o sinal de controle.

Considerando-se a entrada do controlador constante, a figura 2 representa a evolução temporal do sinal de controle.

A análise da figura 2 permite afirmar que a ação de controle executada é do tipo:
Provas
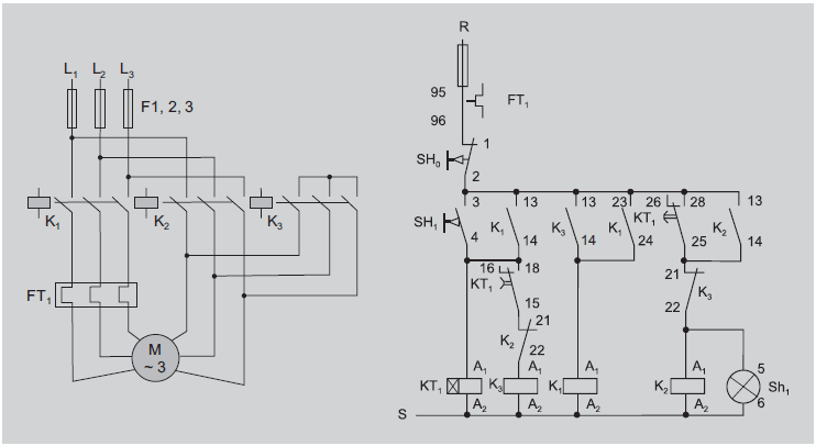
A figura apresentada mostra os circuitos de força e comando para uma chave de partida estrela-triângulo de um motor de indução trifásico.

A respeito da chave de partida estrela-triângulo e dos circuitos representados, são feitas as seguintes afirmações:
I - Os contatores K1 e K2 são responsáveis pela ligação estrela, enquanto os contatores K1 e K2 são responsáveis pela ligação triângulo.
II - Para proteger adequadamente o motor, operando com carga nominal, o relé de sobrecarga FT1 deverá ser ajustado para a corrente nominal do motor na ligação triângulo.
III - Para que seja possível utilizar essa chave de partida, a tensão trifásica da rede deve coincidir com a tensão da ligação estrela do motor.
Está(ão) correta(s)
Provas
Um determinado circuito elétrico é alimentado por uma tensão senoidal de valor eficaz V. A tensão de pico a pico deste circuito é de
Provas
Na figura, está representado um circuito constituído por uma fonte de tensão, um diodo retificador e um resistor, todos componentes ideais.

A tensão da fonte é v = V sen (120 !$ \pi !$ t). Com respeito a esse circuito, a tensão no resistor, no intervalo de tempo correspondente ao primeiro ciclo da tensão da fonte, é descrita corretamente por
Provas
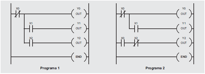
A linguagem Ladder foi a primeira destinada especificamente à programação de Controladores Programáveis (CP). É ainda a mais utilizada, estando presente praticamente em todos os CP disponíveis no mercado. A Figura a seguir mostra dois programas de CP em linguagem Ladder, os quais utilizam três entradas digitais (X0, X1 e X2) e três saídas digitais (Y0,Y1 e Y2).

Em relação aos programas apresentados, pode-se afirmar que
Provas
O limite de resistência à tração (tensão de escoamento) de um cabo de aço é igual a 250 MPa. Em um projeto, onde esse cabo será aplicado, e o coeficiente de segurança deve ser igual a 5, a tensão admissível a ser considerada para este elemento é de
Provas
Considere que, no circuito retificador em ponte, representado na figura, todos os componentes são ideais.
v1= v2=10 sen(120 !$ \pi !$ t) V

O valor médio da tensão no resistor de carga, Rc, vale
Provas
Numere a 2ª coluna de acordo como tipo de centro das válvulas de controle direcionais hidráulicas apresentadas.
1. Centro aberto
2. Centro fechado
3. Centro em Tandem
4. Centro aberto negativo
( )

( )

( )

( )

A sequência correta é
Provas
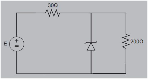
A figura mostra um circuito regulador de tensão com diodo zener.

O diodo zener tem uma tensão reversa de ruptura de 10 V e sua potência é de 1 W. Na faixa de operação como regulador de tensão, a corrente no diodo zener só pode variar entre o valor máximo, associado a sua potência, e um valor correspondente a 10% do valor máximo. A partir dessas informações, pode-se determinar que, para o funcionamento adequado do circuito como regulador de tensão, a faixa de valores da tensão de entrada deve ser de
Provas
A válvula de controle direcional representada na figura é do tipo:

Provas
Caderno Container