Foram encontradas 50 questões.
A figura a seguir representa, parcialmente, o diagrama de uma instalação elétrica residencial.

Considerando as informações do diagrama, os condutores que devem ser instalados no trecho de eletroduto indicado na figura por "A", para que a lâmpada seja comandada por 4 pontos independentes são
Provas
Em qualquer construção mecânica, é necessário fazer a união das peças entre si. Para isso, utilizam-se os elementos de fixação. Esses fixadores possuem diferentes funções e aplicações; alguns visam à fixação permanente, e outros permitem até a rotação de peças.
Considerando os diferentes tipos de elementos de fixação, assinale a alternativa correta.
Provas
Uma carga elétrica trifásica equilibrada ligada em estrela com impedância igual a 1 Ohm por fase e fator de potência igual a 1,0 é ligada a uma fonte trifásica com tensão de linha de 100 V. A potência ativa trifásica da carga, em kW, é de
Provas
Na figura a seguir, a onda senoidal representa a tensão de alimentação de um determinado circuito elétrico.

Em relação a essa forma de onda, considere as afirmações a seguir.
I - O valor da tensão eficaz pode ser representado por !$ { \large \sqrt{2}. \sqrt{3}.E \over 2} !$ .
II - O valor da tensão de pico a pico pode ser representado por !$ \sqrt{2}. \sqrt{3}.E !$.
III - A frequência dessa onda senoidal é de 0,5 Hz.
IV - Durante o tempo de 60 segundos, cada ciclo completo se repete por 60 vezes.
Está(ão) correta(s)
Provas
Sensores são elementos provedores de informações para os sistemas de automação industrial. Considerando o princípio de funcionamento e aplicações dos sensores industriais, assinale V (verdadeira) ou F (falsa) em cada uma das afirmações a seguir.
( ) Os sensores óticos são capazes de detectar diferentes tipos de objetos, com exceção daqueles transparentes.
( ) Os sensores de proximidade indutivos podem detectar diferentes tipos de materiais, como, por exemplo, madeira, plástico e metais, bastando para isso ajustar sua sensibilidade.
( ) Os sensores de proximidade capacitivos são capazes de detectar objetos a uma distância que pode variar de poucos milímetros a vários metros.
( ) O termopar é um transdutor de força que converte a força aplicada de tensão ou torção em valores de resistência elétrica dados em Ohm.
A sequência correta é
Provas
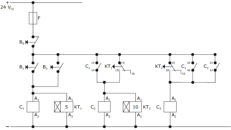
O acionamento de cargas elétricas usando contatoras (C , C e C ) e relés temporizadores (KT e KT ) é re- 1 2 3 1 2 presentado, na figura a seguir, pelo circuito lógico de comando, tendo os temporizadores retardo na energização: KT programado para 5 segundos e KT programado para 10 segundos.

Considere que o circuito ainda está em fase de projeto e poderá ter falhas. Após 15 segundos do acionamento manual (durante 1 segundo) do botão pulsante B , o(s) dispositivo(s) que se manterá(ão) energizado(s) é(são)
Provas
Com o crescimento da eletrônica de potência, torna- se cada vez mais viável o uso de chaves eletrônicas para partida de motores elétricos. Em relação a chaves eletrônicas, soft-starter e inversor de frequência, considere as afirmações a seguir.
I - O inversor de frequência possibilita a operação do motor com torque constante para diferentes velocidades.
II - O circuito elétrico interno de um inversor de frequência pode ser dividido em três partes: retificador de entrada, filtro e retificador de saída.
III - A soft-starter controla a tensão da rede por meio do circuito de potência constituído de tiristores, ou seja, o controle da soft-starter varia o ângulo de disparo dos tiristores, variando-se, com isso, a frequência aplicada ao motor.
Está(ão) correta(s)
Provas
A respeito das características metrológicas de um instrumento de medição, pode-se afirmar que a resolução de um paquímetro é a que o instrumento fornece e é obtida pela divisão entre a unidade da e o número de divisões da .
Assinale a alternativa que preenche corretamente as lacunas.
Provas
Observe a figura.

O circuito elétrico representado na figura é constituído por duas fontes de tensão contínua e dois resistores, todos componentes ideais. O valor, em módulo, da tensão entre os pontos A e B é de
Provas
A alteração da microestrutura dos materiais é amplamente utilizada para modificar suas propriedades mecânicas. Nos materiais metálicos, utilizamse os tratamentos térmicos para modificar sua estrutura e, consequentemente, suas propriedades. A respeito dos tratamentos, considere as alternativas:
I - O recozimento é utilizado para obter uma microestrutura de perlita grosseira que confere baixa dureza ao material.
II - O tratamento térmico de têmpera produz uma microestrutura de bainita que é de elevada dureza.
III - A normalização é utilizada para homogeneizar a microestrutura e aliviar as tensões internas através da obtenção de perlita fina.
Está(ão) correta(s)
Provas
Caderno Container