Foram encontradas 50 questões.
Para responder à questão leia o texto a seguir.
A tolerância à corrupção no Brasil: uma antinomia
entre normas morais e prática social.
Quando se abre o jornal, é raro não nos defrontarmos com escândalos no mundo político. Casos de malversação de recursos públicos, uso indevido da máquina administrativa, redes de clientelas e tantas outras mazelas configuram uma sensação de mal-estar coletivo, que nos leva a olhar de modo muito cético os rumos que a política, no Brasil, tem tomado. Criam-se, dessa forma, um clamor moral e um clima de caça às bruxas que geram instabilidade e um muro de lamentações e barreiras a projetos de políticas públicas. Contudo, apesar da sucessão de escândalos no Brasil, existe uma sensação de impotência por parte da sociedade; a corrupção é tolerada, e os cidadãos ficam apenas aguardando qual será o próximo escândalo que circulará nos jornais.
Essa sensação de mal-estar coletivo com a corrupção cria concepções de senso comum de uma natural desonestidade do brasileiro.
Um dos traços característitcos do senso comum no Brasil é que o brasileiro típico tem caráter duvidoso e, , não se nega a levar algum tipo de vantagem no âmbito das relações sociais ordinárias. Por isso, vários indicadores de confiança apontam o Brasil como um país onde a desconfiança impera. Para além do senso comum, esse tipo de leitura da realidade social brasileira converge para termos centrais das interpretações do país, e a produção de conceitos no mundo acadêmico também incorpora esse tipo de visão, sendo o brasileiro típico um cidadão voltado para seus desejos agonísticos, que se expressam em formas sociais como o jeitinho e a malandragem. Culpa-se, sobremaneira, nossa herança histórica deixada pelo mundo ibérico, que teria feito com que o Brasil não conhecesse o processo de racionalização típico do Ocidente e não incorporasse os valores e princípios do mundo protestante, ascético e voltado para uma ética dos deveres e do trabalho.
O projeto de interpretação do Brasil fornecido pela vertente do patrimonialismo tende tomar esse pressuposto como característica antropológica, alicerçada em visão muitas vezes derivada de outras experiências sociais. Afinal, a herança do patrimonialismo ibérico deixou algumas mazelas na constituição da sociedade brasileira, o que acarretaria projetos de ruptura com o passado.
A prática de corrupção não está relacionada aspectos do caráter do brasileiro, mas à constituição de normas informais que institucionalizaram certas práticas tidas como moralmente degradantes, mas cotidianamente toleradas. A antinomia entre normas morais e prática social da corrupção no Brasil revela que há uma outra antinomia: a corrupção é explicada, no plano da sociedade brasileira, pelofosso que separa os aspectos morais e valorativos da vida e da cultura política. Isso acarreta uma tolerância à corrupção que está na base da vida democrática pós- 1985.
Fonte: FILGUEIRAS, F. A tolerância à corrupção no Brasil: uma antinomia entre normas morais e prática social. Revista Opinião Pública, Campinas, v. 15, n. 2, nov. 2009. Disponível em: http://www.scielo.br/pdf/op/v/s/n2/05.pdf. Acesso em 30 mai. 2015. (Adaptado)
Considerando o emprego da norma-padrão e à construção de sentido, assinale a alternativa que preenche corretamente as lacunas na sequência do texto.
Provas
Uma barra de aço de secção transversal quadrada de 20mm x 20mm está submetida a um esforço de tração conforme a figura abaixo.

Qual é a tensão de tração, em MPa, sobre a secção transversal dessa barra?
Provas
Em relação à Norma Regulamentadora 10 (NR10), considere as afirmativas a seguir.
I - Os estabelecimentos com carga instalada superior a 75 kW devem constituir e manter o Prontuário de Instalações Elétricas.
II - Todo projeto elétrico deve prever condições para adoção de aterramento temporário.
III - É considerado profissional legalmente habilitado o trabalhador que comprovar conclusão de curso específico na área elétrica reconhecido pelo sistema oficial de ensino.
Está(ão) correta(s)
Provas
A figura abaixo representa um micrômetro ajustado após realizar uma determinada medição.

Qual é o valor da leitura deste micrômetro?
Provas
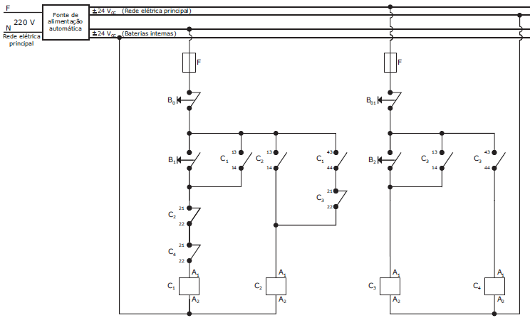
Um circuito lógico de comando para acionamento de cargas elétricas usando contatoras é representado pela figura. O circuito é alimentado por uma fonte de tensão automática que possui dois circuitos de saída. Uma saída é alimentada pela rede elétrica principal e a outra saída é alimentada por baterias internas. Na falta de energia da rede principal, a saída com baterias é energizada, sendo desenergizada com o retorno da energia da rede principal.

Considere a seguinte operação: durante uma falta de energia da rede principal, aciona-se manualmente o botão pulsante B2 e logo após aciona-se manualmente o botão pulsante B1. A(s) contatora(s) que se manterá( ão) energizada(s) após a operação descrita é (são)
Provas
Sobre o processo de soldagem MIG/MAG (GMAW), considere as afirmativas a seguir.
I - Possui maior taxa de deposição quando comparado ao processo de eletrodo revestido.
II - Pode ser usado sem restrições em ambientes abertos (soldagem no campo).
III - Permite soldar em todas as posições.
IV - O eletrodo deste processo pode ser do tipo tubular preenchido com fluxo.
Está(ão) correta(s)
Provas
O sucesso das operações de corte por estampos depende da folga entre o punção e a matriz. Essa folga afetará aspectos importantes, como o acabamento e a exatidão do corte. A figura abaixo representa as folgas indicadas entre o punção e a matriz para diferentes espessuras e materiais de chapa.

De acordo com a análise da figura, conclui-se que
Provas
Para responder à questão leia o texto a seguir.
A tolerância à corrupção no Brasil: uma antinomia
entre normas morais e prática social.
Quando se abre o jornal, é raro não nos defrontarmos com escândalos no mundo político. Casos de malversação de recursos públicos, uso indevido da máquina administrativa, redes de clientelas e tantas outras mazelas configuram uma sensação de mal-estar coletivo, que nos leva a olhar de modo muito cético os rumos que a política, no Brasil, tem tomado. Criam-se, dessa forma, um clamor moral e um clima de caça às bruxas que geram instabilidade e um muro de lamentações e barreiras a projetos de políticas públicas. Contudo, apesar da sucessão de escândalos no Brasil, existe uma sensação de impotência por parte da sociedade; a corrupção é tolerada, e os cidadãos ficam apenas aguardando qual será o próximo escândalo que circulará nos jornais.
Essa sensação de mal-estar coletivo com a corrupção cria concepções de senso comum acerca de uma natural desonestidade do brasileiro.
Um dos traços característitcos do senso comum no Brasil é que o brasileiro típico tem caráter duvidoso e, a princípio , não se nega a levar algum tipo de vantagem no âmbito das relações sociais ordinárias. Por isso, vários indicadores de confiança apontam o Brasil como um país onde a desconfiança impera. Para além do senso comum, esse tipo de leitura da realidade social brasileira converge para termos centrais das interpretações do país, e a produção de conceitos no mundo acadêmico também incorpora esse tipo de visão, sendo o brasileiro típico um cidadão voltado para seus desejos agonísticos, que se expressam em formas sociais como o jeitinho e a malandragem. Culpa-se, sobremaneira, nossa herança histórica deixada pelo mundo ibérico, que teria feito com que o Brasil não conhecesse o processo de racionalização típico do Ocidente e não incorporasse os valores e princípios do mundo protestante, ascético e voltado para uma ética dos deveres e do trabalho.
O projeto de interpretação do Brasil fornecido pela vertente do patrimonialismo tende a tomar esse pressuposto como característica antropológica, alicerçada em visão muitas vezes derivada de outras experiências sociais. Afinal, a herança do patrimonialismo ibérico deixou algumas mazelas na constituição da sociedade brasileira, o que acarretaria projetos de ruptura com o passado.
A prática de corrupção não está relacionada a aspectos do caráter do brasileiro, mas à constituição de normas informais que institucionalizaram certas práticas tidas como moralmente degradantes, mas cotidianamente toleradas. A antinomia entre normas morais e prática social da corrupção no Brasil revela que há uma outra antinomia: a corrupção é explicada, no plano da sociedade brasileira, pelofosso que separa os aspectos morais e valorativos da vida e da cultura política. Isso acarreta uma tolerância à corrupção que está na base da vida democrática pós- 1985.
Fonte: FILGUEIRAS, F. A tolerância à corrupção no Brasil: uma antinomia entre normas morais e prática social. Revista Opinião Pública, Campinas, v. 15, n. 2, nov. 2009. Disponível em: http://www.scielo.br/pdf/op/v/s/n2/05.pdf. Acesso em 30 mai. 2015. (Adaptado)
Em relação à formação de palavras usadas no texto, considere as afirmativas a seguir.
I - As palavras "impotência" e "desonestidade" são formadas pelo processo de derivação prefixal e sufixal, e os prefixos de ambas as palavras denotam negação.
II - A palavra "malandragem" é formada pelo processo de derivação sufixal e significa o resultado da ação de ser malandro.
III - As palavras "sobremaneira" e "antinomia" são formadas pelo processo de composição por justaposição e derivação prefixal, respectivamente.
Está(ão) correta(s)
Provas
Para responder à questão leia o texto a seguir.
A tolerância à corrupção no Brasil: uma antinomia
entre normas morais e prática social.
Quando se abre o jornal, é raro não(I) nos defrontarmos com escândalos no mundo político. Casos de malversação de recursos públicos, uso indevido da máquina administrativa, redes de clientelas e tantas outras mazelas configuram uma sensação de mal-estar coletivo, que nos leva a olhar de modo muito cético os rumos que a política, no Brasil, tem tomado. Criam-se(II), dessa forma, um clamor moral(II) e um clima de caça às bruxas(II) que geram(III) instabilidade e um muro de lamentações e barreiras a projetos de políticas públicas. Contudo, apesar da sucessão de escândalos no Brasil, existe uma sensação de impotência por parte da sociedade; a corrupção é tolerada, e os cidadãos ficam apenas aguardando qual será o próximo escândalo que circulará nos jornais.
Essa sensação de mal-estar coletivo com a corrupção cria concepções de senso comum acerca de uma natural desonestidade do brasileiro.
Um dos traços característitcos do senso comum no Brasil é que o brasileiro típico tem caráter duvidoso e, a princípio , não se nega a levar algum tipo de vantagem no âmbito das relações sociais ordinárias. Por isso, vários indicadores de confiança apontam o Brasil como um país onde a desconfiança impera. Para além do senso comum, esse tipo de leitura da realidade social brasileira converge para termos centrais das interpretações do país, e a produção de conceitos no mundo acadêmico também incorpora esse tipo de visão, sendo o brasileiro típico um cidadão voltado para seus desejos agonísticos, que se expressam em formas sociais como o jeitinho e a malandragem. Culpa-se, sobremaneira, nossa herança histórica deixada pelo mundo ibérico, que teria feito(IV) com que o Brasil não conhecesse(IV) o processo de racionalização típico do Ocidente e não incorporasse(IV) os valores e princípios do mundo protestante, ascético e voltado para uma ética dos deveres e do trabalho.
O projeto de interpretação do Brasil fornecido pela vertente do patrimonialismo tende a tomar esse pressuposto como característica antropológica, alicerçada em visão muitas vezes derivada de outras experiências sociais. Afinal, a herança do patrimonialismo ibérico deixou algumas mazelas na constituição da sociedade brasileira, o que acarretaria projetos de ruptura com o passado.
A prática de corrupção não está relacionada a aspectos do caráter do brasileiro, mas à constituição de normas informais que institucionalizaram certas práticas tidas como moralmente degradantes, mas cotidianamente toleradas. A antinomia entre normas morais e prática social da corrupção no Brasil revela que há uma outra antinomia: a corrupção é explicada, no plano da sociedade brasileira, pelofosso que separa os aspectos morais e valorativos da vida e da cultura política. Isso acarreta uma tolerância à corrupção que está na base da vida democrática pós- 1985.
Fonte: FILGUEIRAS, F. A tolerância à corrupção no Brasil: uma antinomia entre normas morais e prática social. Revista Opinião Pública, Campinas, v. 15, n. 2, nov. 2009. Disponível em: http://www.scielo.br/pdf/op/v/s/n2/05.pdf. Acesso em 30 mai. 2015. (Adaptado)
Em relação às escolhas linguísticas e à construção de sentido no texto, considere as afirmativas a seguir.
I - Se o adjunto adverbial "não" fosse deslocado para antes de "é raro", o sentido da informação seria mantido.
II - As expressões "um clamor moral" e "um clima de caça às bruxas" correspondem ao agente da ação expressa por "Criam-se" e sinalizam a intenção de encobrimento dos responsáveis pela ação.
III - O pronome "que" retoma a palavra "bruxas", motivo pelo qual o verbo "geram" está flexionado.
IV - O modo verbal empregado em "conhecesse" e "incorporasse" está condicionado ao uso do tempo verbal "teria feito", que expressa incerteza e relaciona um fato futuro a um fato passado.
Está(ão) correta(s)
Provas
Para responder à questão leia o texto a seguir.
Gentileza gera gentileza
o título da coluna foi tomado emprestado dele, o próprio Gentileza. Gentileza foi um grande homem, com um grande legado e uma grande vida.
Passou a maior parte dela pregando a gentileza como um modo de existir. Depois que morreu, em 1996, velhinho, aos 79 anos, a Companhia de Limpeza Urbana do Rio cobriu seus escritos nas pilastras do viaduto do Caju com tinta cinza. Não podia ser mais simbólico. O apagamento de Gentileza gerou um movimento de reação chamado “Rio com gentileza”, que resgatou o livro urbano de Gentileza e propõe a gentileza como uma forma de estar no mundo.
É sério. Parece pouco. É muito. Faz uma enorme diferença. Quando somos maltratados em algum lugar, por alguém, isso já envenena o nosso dia. E desencadeia reações desencontradas em cadeia. Por outro lado, às vezes nem percebemos, mas a beleza de outro dia, nosso suspeito bom-humor num dia comum, começou lá atrás , quando alguém teve um gesto gentil, nos acolheu com simpatia, nos tratou bem. Seja o nosso chefe, o motorista do ônibus, o balconista da padaria. Faz bem para a vida ser tratado com gentileza. E um gesto gentil também desencadeia reações similares em cadeia. Gentileza, o profeta, tinha toda a razão quando respondia aos que o chamavam de maluco: “Maluco pra te amar, louco pra te salvar”.
Se cada um de nós fizer uma reconstituição mental do nosso dia, hoje mesmo, vai perceber que o pior dele foi causado porque não foram gentis conosco nem fomos gentis com os outros. Desde o bom dia que faltou, o por favor que não foi dito, a buzina desnecessária no trânsito, a cara fechada, o sorriso que economizamos, a ajuda que poderíamos ter dado e não demos, ou ainda a que não recebemos, o elogio que não veio, a crítica que deveria ter sido feita para somar, mas foi programada para massacrar, o veneno que escorreu da nossa boca e da dos outros. Uma soma de pequenos e desnecessários gastos de energia que só serviram para nos intoxicar.
Gentileza é o exercício cotidiano de vestir a pele do outro. É cuidar não de alguém, mas de qualquer um. Mesmo que ele não seja nosso parente, mesmo que seja um estranho. Cuidar por nada. Sem precisar de motivo. Cuidar por cuidar.
Por que algo tão essencial se tornou supérfluo? Porque gentileza não se consome, talvez. Não tem valor monetário. Não se ganha nada de material com ela. Também não custa nada.
Hoje, tratar mal as pessoas, marchar pelos corredores, fechar a cara, não dar bom dia e dizer coisas duras sem nenhum cuidado parece ser um atributo dos poderosos. Quase uma virtude. O conjunto de características que costuma cercar o poder é imediatamente incorporado pelos subordinados. Nessa lógica, há sempre alguém a quem não precisamos beneficiar, não com a nossa gentileza, porque gentileza não tem nada a ver com isso, mas a quem não precisamos beneficiar com a nossa bajulação.
Acho que ser gentil não é nada prosaico, é um ato de resistência diante de uma vida determinada por valores calculáveis: só faço tal coisa se ganhar algo em troca, seja dinheiro ou um dos muitos pequenos poderes ou um ponto a mais com quem manda. A gentileza vira essa lógica do avesso: sou gentil sem esperar nada em troca.
Gentileza não é mesmo algo que temos, é mais algo que somos. E que nos tornamos. Talvez o verdadeiro poder esteja naquele que pode dar sem esperar nada em troca. Como Gentileza.
Assim como inventaram um dia sem carro, acho que poderíamos criar um dia com gentileza. Não precisa ser uma campanha de massa, basta uma decisão interna, silenciosa, de cada um. Só para experimentar. Um dia só tentando ser gentil. Engolindo a palavra ríspida, calando a fofoca ainda no esôfago, olhando de verdade para as pessoas, escutando o que o outro tem a dizer, mesmo que não nos pareça tão interessante, sorrindo um pouco mais.
Pequenos gestos. Segurar o elevador, dar oi e dar tchau, não se atravessar na frente de ninguém nem sair correndo para ser o primeiro, ter paciência em vez de se irritar, elogiar um pouco mais, deixar passar o que não foi tão legal, mas também não foi tão grave e, quando a crítica for imprescindível, abusar da delicadeza. Um dia só, mesmo que seja apenas para experimentar algo diferente. Quem sabe o que pode acontecer?
Fonte: BRUM, E. Gentileza gera gentileza. Época, 05 out. 2009. Disponível em: http://revistaepoca.globo.com/Revista/Epoca/0,,EMI96818-15230,00-GENTILEZA+GERA+GENTILEZA.html. (Adaptado)
Com relação a recursos linguísticos empregados no texto, considere as afirmativas a seguir.
I - A palavra "mesmo", expressa exatidão quanto ao instante do enunciado, ao passo que, na linha 118, enfatiza o argumento de que faz parte, podendo ser substituída por de fato.
II - O termo "mesmo que", estabelece relação de sentido equivalente ao seu emprego na linha 152, podendo, em ambas as ocorrências, ser substituído, sem alteração do sentido, por ainda que.
III - O elemento "porque" poderia ser substituído por porquanto, mantendo-se a relação explicativa.
Está(ão) correta(s)
Provas
Caderno Container