Foram encontradas 50 questões.
Em uma usina hidroelétrica, a energia mecânica da queda d'água é transformada em energia elétrica. Supondo que a altura da coluna d'água sobre a turbina geradora seja de 20 m e que a vazão de água nela seja de 1 m3/s, qual a quantidade máxima de energia que essa turbina pode gerar em 1 h? Considere a densidade da água igual a 1 g/cc. Considere a aceleração gravitacional g = 10 m/s2.
Provas
Observe a figura.

A figura apresenta uma peça de metal com uma abertura circular em seu centro. Apresenta também um paquímetro com a indicação das três opções para a realização de medidas de comprimentos (identificadas por 1, 2 e 3 na figura) e, no seu vernier, a indicação da medida do diâmetro da abertura. O diâmetro da abertura e a opção mais indicada para a medida do diâmetro são, respectivamente,
Provas
Um pequeno objeto, no fundo e próximo ao centro de uma piscina cheia d'água, é observado por uma pessoa fora da piscina. Sobre a imagem do objeto vista por essa pessoa, é correto afirmar que
Provas
Observe a figura.

Uma esfera, de massa M e suspensa por um cabo, sustenta um bloco de massa m contra uma parede, como indicado na figura. Os coeficientes de atrito estático entre a bola e o bloco e entre o bloco e a parede são iguais e valem ue. O mínimo valor de M e para que o bloco não caia é igual a
Provas
Observe a figura.

Três blocos idênticos com comprimento ℓ são empilhados como ilustrados na figura. O deslocamento horizontal da face direita do bloco superior em relação à face direita do bloco na base é dada por x.
O valor máximo de x para que o arranjo não seja desfeito é
Provas
Em um violão devidamente afinado, cada uma das seis cordas, quando postas a vibrar, emite um som com uma frequência diferente. Considere as afirmativas a seguir.
I - As cordas vão vibrar em frequências diferentes porque a densidade linear de massa de cada uma é diferente das demais.
II - O comprimento da onda que se propaga na corda, no modo fundamental, é igual ao dobro do comprimento da corda.
III - O ajuste da frequência de vibração da corda (afinação) é feito modificando a tensão na corda.
Está(ão) correta(s)
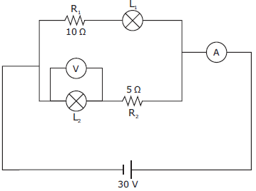
Provas
Para responder à questão, observe a figura.

A figura apresenta um circuito composto por dois resistores (R1 e R2), duas lâmpadas (L1 e L2 idênticas e com a resistência de filamento de 5 omhs), uma fonte de força eletromotriz, um voltímetro e um amperímetro. Sobre o circuito é correto afirmar que
Provas
Observe as figuras.

A figura A representa uma caixa com água em seu interior, e a figura B representa o perfil do nível do líquido no interior da caixa. A caixa está sobre uma superfície plana, nivelada horizontalmente. Com base na distribuição do líquido, é correto afirmar que a caixa está
Provas
Uma garrafa térmica mantém durante certo tempo a temperatura de um corpo, quente ou frio, colocado em seu interior. Na construção da garrafa, procura-se evitar que haja transmissão de calor de dentro para fora ou de fora para dentro. As paredes da garrafa são duplas e com vácuo entre elas para evitar a transferência de calor por . As paredes da garrafa são espelhadas para diminuir transferência de calor por , e o conjunto deve ficar fechado a fim de evitar a transferência de calor por .
Os processos de transferência de calor que preenchem corretamente a sequência de lacunas do texto são
Provas
Observe a figura.

Uma cuba de ondas é um recipiente contendo água que permite estudar em laboratório a propagação de ondas. A figura acima mostra uma vista superior de ondas planas se propagando para a direita em duas regiões da cuba com profundidades diferentes. As linhas escuras indicam as regiões de máxima altura das ondas em determinado instante.
É correto afirmar que
Provas
Caderno Container