Foram encontradas 40 questões.
Com relação ao endereço IP, na versão 4 (Ipv4), assinale a alternativa correta.
Provas
Com relação às afirmações abaixo, assinale a alternativa correta.
Provas
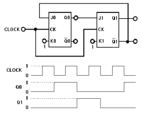
Com relação ao circuito contador abaixo, assinale a alternativa correta.

Provas
O número decimal equivalente à soma dos números hexadecimais 2B e 16 é:
Provas
Com relação ao circuito 2 da questão 25, assinale a alternativa INCORRETA.
Provas
Com relação aos circuitos lógicos numerados abaixo, assinale a alternativa correta.

Provas
O circuito da figura abaixo é um filtro ativo de segunda ordem.

Pode-se afirmar que o circuito é um filtro do tipo:
Provas
Considerando que, no circuito amplificador da figura abaixo, V1 é igual a -1 Volt, qual seria o valor de V2.

Provas
Considerando, no circuito limitador da figura abaixo, que os diodos D1 e D2 são ideais e que VAC é uma fonte de tensão alternada de 10 V rms, assinale a alternativa correta.

Provas
Considerando que, no circuito da figura abaixo, o diodo zener é ideal e que possui uma tensão de ruptura de 6 V, a corrente IZ será de:

Provas
Caderno Container