Foram encontradas 40 questões.
Com relação ao circuito amplificador da figura abaixo, assinale a alternativa correta.

Provas
Todas as afirmações abaixo estão corretas, EXCETO:
Provas
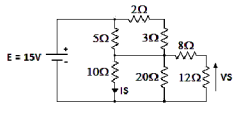
Determine a corrente (IS) e a tensão (VS) no circuito da figura da questão 16.
Provas
Determine a resistência equivalente (Req) do circuito da figura abaixo.

Provas
Jogando ao mesmo tempo três dados honestos, qual a probabilidade de que o produto dos pontos obtidos em cada dado seja um número ímpar?
Provas
Se o número natural !$ n = 2^r5^s;\,r,s\,\in |N !$, possui 33 divisores pares positivos, então r + s é igual a:
Provas
Ana, Beatriz e Célia foram ao aniversário de uma amiga. Ana comeu 5 salgados a mais do que Beatriz e 6 a mais do que Célia. Se Beatriz e Célia comeram conjuntamente 23 salgados, quantos salgados as três amigas comeram?
Provas
Considere a função real de variável real f definida por f(x) = ax + b; a,b ∈ IR. Se as retas definidas pelas equações y = - x + 1 e (y) = ax + b são perpendiculares e f(f(2)) = 1, então a + b é igual a:
Provas
A que taxa mensal i devemos aplicar o capital de R$1200,00, no sistema de juros simples, para que, depois de 5 anos, a aplicação renda juros de R$1800,00?
Provas
Existe uma receita certa para o sucesso? Sim, existe. E, melhor ainda, cada um de nós possui os ingredientes básicos para cozinhar um sucesso de dar água na boca dos outros. Uns mais, alguns menos, mas não há ninguém que, algum dia, não tenha parado para observar o próximo e se admirar: “Como é que ele conseguiu tanto com tão pouco?” Porque, basta observar, os bem-sucedidos não parecem possuir nenhum ingrediente mágico ou sobrenatural. E a resposta é mais simples do que parece: o segredo do sucesso não está na lista de ingredientes, mas no modo de preparo. É nesse contexto que uma pergunta tão banal e tão repetida — “Você está preparado?” — assume sua real importância: “Você sabe mesmo como misturar os ingredientes que tem?”
Então, vamos à despensa (com “e”): ali estão, bem arrumadinhos, a ousadia, a perseverança, a liderança, a criatividade, a ética, o espírito de equipe, e mais uma batelada de outros ingredientes que entram na fórmula do sucesso, segundo os especialistas em culinária executiva. Mas quem um dia já preparou um bolo sabe que não adianta jogar tudo isso dentro de uma panela, em doses iguais e ao mesmo tempo. Há sempre uma sequência e uma proporção, e os quituteiros de mão-cheia são os que aprenderam que existe uma receita apropriada para cada ocasião. Se a dosagem for errada, o resultado fica intragável.
Pausa para um aperitivo. Tudo começa por sabermos onde estamos pisando. Por quê? Porque a palavra ingrediente veio daí mesmo, de “passo”. Em latim, passo era gradus e dessa palavrinha derivaram várias outras, só que a gente nem percebe mais o passo escondido dentro delas, como “gradual” (passo a passo), “degrau” (um passo acima), “retrógrado” (que anda para trás), “congresso” (marchar junto), e até o “dégradé” (cor que vai mudando a cada passo). Dessa salada surgiria o verbo latino ingredi, “caminhar para dentro” e seu derivado, ingrediente, “o que entra”.
Mas se trata do que entra no passo certo. Eu trabalhei com muita gente agressiva (termo que, casualmente, quer dizer “um passo contra”) e notei que esse ingrediente era absolutamente necessário em algumas situações, enquanto em outras era totalmente dispensável. Na hora da avaliação de desempenho, alguns funcionários eram elogiados por sua agressividade, enquanto outros, tão agressivos quanto, eram criticados. E o segundo grupo ficava sem entender bulhufas, achando que estava sendo perseguido pela chefia. Na verdade, o que as empresas avaliam nunca é o ingrediente em si — no caso, a agressividade —, mas sim o produto final — o resultado. A mesma coisa acontece quando comemos um bolo: se um ingrediente sobressai, é porque ele foi mal calculado. E aí passa a comprometer o todo.
Entender essa simples regrinha talvez seja a coisa mais complicada na autoadministração de uma carreira. O mais comum é o profissional usar sempre o mesmo ingrediente, na mesma proporção, não importa a ocasião. Ou então, quando as coisas estão meio paradas, é sempre mais fácil imaginar que “está me faltando alguma coisa” — ou seja, mais ingredientes. Não é a quantidade que faz uma receita de sucesso. É o discernimento. Sucesso é, por exemplo, ter um vasto estoque de criatividade e de ambição, mas saber que há momentos em que o mais recomendável é fazer um simples arroz com feijão.
(MaxGehringer.) Disponível em: <http://www.ucg.br/site_docente/adm/francisco_jose/pdf/liderancaechefia/pdf/ArtigosdeMaxGehringer.pdf>. Acesso em 25/05/2010.
“Então, vamos à despensa (com “e”) [...]”.
Assinale a alternativa que melhor corresponde ao sentido de então, no texto.
Provas
Caderno Container