Foram encontradas 50 questões.

Analisando os circuitos acima, é correto afirmar que
Provas

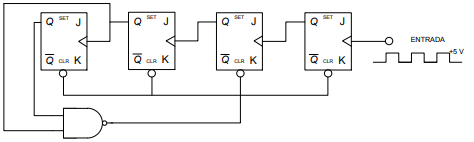
O módulo do contador assíncrono representado pela figura acima é:
(Obs.: considerar que todas as entradas J e K estão em nível alto)
Provas
Considere a implementação de um circuito lógico com três entradas, A, B e C, e uma saída, S. A saída deste circuito deve ser 1 (um) quando as entradas A, B e C, tiverem os valores apresentados na tabela abaixo, e 0 (zero) para os demais valores de entrada.
| A | B | C |
| 0 | 0 | 1 |
| 0 | 1 | 0 |
| 0 | 1 | 1 |
| 1 | 1 | 1 |
A expressão mínima, na forma de soma de produtos, que representa este circuito é:
Provas

Assinale a alternativa que representa a operação lógica implementada pelo circuito da figura acima.
Provas

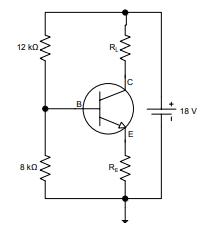
As condições para que o transistor NPN, representado na figura acima, trabalhe na região ativa são:
Provas

O transistor mostrado na figura acima é o BC337, cujo βcc vale 540. O valor da resistência equivalente da base é igual a
Provas

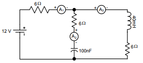
O circuito acima está operando no regime permanente.
Os valores mostrados nos amperímetros A1, A2 e A3, respectivamente, são:
Provas
Quais erros conformam o erro instrumental de uma régua de aço, com resolução de 1 mm?
Provas
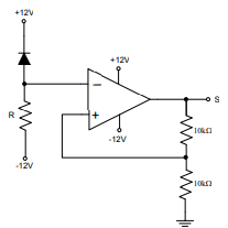
O amplificador operacional no circuito abaixo é ideal. Quando a tensão aplicada no terminal positivo é maior do que a tensão aplicada no terminal negativo, a saída é de +12 V e, quando ocorre o inverso, a saída é igual a –12 V. O fotodiodo tem uma corrente de escuro (dark current) de 10 μA e uma corrente de 180 μA, quando iluminado.

Se desejar que a tensão na saída, S, seja –12 V ou +12 V, dependendo da iluminação no fotodiodo, o melhor valor para o resistor R será de
Provas

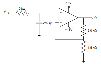
Analisando o circuito esquematizado na figura acima, é correto afirmar que esse circuito é um
Provas
Caderno Container