Foram encontradas 40 questões.
Em um projeto de instalações elétricas para a recepção de um escritório, encontram-se previstos um
ponto de iluminação geral difusa, uma iluminação em fita LED embutida no forro de gesso e um conjunto de
três spots, de acionamento único, sobre o balcão. Sabendo-se que a iluminação geral deverá ser acionada por
dois pontos distintos e os demais de um único ponto, quais os tipos de interruptores deverão ser especificados
para o correto funcionamento de toda a iluminação deste ambiente?
Provas
Questão presente nas seguintes provas
Considerando a NBR 5410, leia as asserções sobre definição, posicionamento e utilização das caixas
de passagens.
I. Caixas de passagem são utilizadas para facilitar as passagens dos cabos e referem-se aos locais para inspeção e acomodação das emendas e conexões dos cabos elétricos.
II. Os trechos contínuos de tubulação, sem interposição de caixas ou equipamentos, não devem exceder 15 metros de comprimento para linhas internas às edificações e 30 metros para as linhas em áreas externas às edificações, se os trechos forem retilíneos.
III. O número máximo permitido de curvas a 90 graus é 2 em cada trecho, sendo necessária a redução de 3m de comprimento a cada curva inserida.
IV. É obrigatório o uso das caixas de passagem em todos os pontos de emenda ou de derivação de condutores bem como quando for necessário segmentar a tubulação.
Estão CORRETAS apenas as asserções
I. Caixas de passagem são utilizadas para facilitar as passagens dos cabos e referem-se aos locais para inspeção e acomodação das emendas e conexões dos cabos elétricos.
II. Os trechos contínuos de tubulação, sem interposição de caixas ou equipamentos, não devem exceder 15 metros de comprimento para linhas internas às edificações e 30 metros para as linhas em áreas externas às edificações, se os trechos forem retilíneos.
III. O número máximo permitido de curvas a 90 graus é 2 em cada trecho, sendo necessária a redução de 3m de comprimento a cada curva inserida.
IV. É obrigatório o uso das caixas de passagem em todos os pontos de emenda ou de derivação de condutores bem como quando for necessário segmentar a tubulação.
Estão CORRETAS apenas as asserções
Provas
Questão presente nas seguintes provas
Sobre os dispositivos de proteção para instalações elétricas de baixa tensão, analise as asserções a
seguir.
I. O dispositivo de proteção contra surtos (DPS) interrompe o circuito automaticamente em caso de curtocircuito.
II. O disjuntor diferencial residual (DR) interrompe o circuito frente a qualquer diferença de potencial que possa causar danos nas instalações e também nas pessoas inseridas no ambiente.
III. Os fusíveis do tipo D são utilizados para proteção do circuito de comando e de motores elétricos, devido à sua ação de efeito retardado para suportar o pico da corrente de partida.
IV. Os disjuntores termomagnéticos residenciais de curva de atuação tipo B são apropriados para cargas resistivas e iluminação, sendo os de curva tipo C indicados para cargas indutivas.
É CORRETO apenas o que se afirma em
I. O dispositivo de proteção contra surtos (DPS) interrompe o circuito automaticamente em caso de curtocircuito.
II. O disjuntor diferencial residual (DR) interrompe o circuito frente a qualquer diferença de potencial que possa causar danos nas instalações e também nas pessoas inseridas no ambiente.
III. Os fusíveis do tipo D são utilizados para proteção do circuito de comando e de motores elétricos, devido à sua ação de efeito retardado para suportar o pico da corrente de partida.
IV. Os disjuntores termomagnéticos residenciais de curva de atuação tipo B são apropriados para cargas resistivas e iluminação, sendo os de curva tipo C indicados para cargas indutivas.
É CORRETO apenas o que se afirma em
Provas
Questão presente nas seguintes provas
Um transformador de 220V/110V, com potência de 1.100 VA, ligado à uma fonte de 220 V, alimenta
uma carga resistiva de 110 ohms. Qual a corrente solicitada da rede e qual o carregamento do transformador?
Provas
Questão presente nas seguintes provas
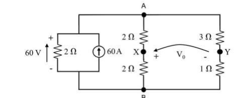
Marque a opção CORRETA para o valor medido da tensão V0 caso seja conectado um voltímetro entre os terminais X e Y do circuito elétrico apresentado a seguir.

Provas
Questão presente nas seguintes provas
As afirmativas a seguir referem-se aos métodos de manutenção.
I. A manutenção corretiva é feita após a ocorrência da falha, com o objetivo de recolocar o equipamento novamente em condição de produção.
II. A manutenção preventiva prevê que o reparo só será executado se o desgaste do elemento em análise estiver além do tolerável, indicando uma condição de falha ou defeito iminente.
III. A manutenção preditiva é caracterizada pela prática de pequenas intervenções nas máquinas e nos equipamentos, em intervalos de tempo programados, antes que defeitos ou falhas aconteçam.
Assinale a alternativa CORRETA.
I. A manutenção corretiva é feita após a ocorrência da falha, com o objetivo de recolocar o equipamento novamente em condição de produção.
II. A manutenção preventiva prevê que o reparo só será executado se o desgaste do elemento em análise estiver além do tolerável, indicando uma condição de falha ou defeito iminente.
III. A manutenção preditiva é caracterizada pela prática de pequenas intervenções nas máquinas e nos equipamentos, em intervalos de tempo programados, antes que defeitos ou falhas aconteçam.
Assinale a alternativa CORRETA.
Provas
Questão presente nas seguintes provas
O texto abaixo refere-se à questão.
RETOMANDO A APRENDIZAGEM DEPOIS DA CRISE
Claudia Costin
A recente divulgação de um estudo do Insper mostrando as perdas de aprendizagem ocorridas durante
o período de fechamento das escolas revelou o que muitos já intuíam: a presencialidade é fundamental,
especialmente para crianças e jovens e, mesmo que estratégias adequadas de ensino remoto tenham sido
criadas, tanto por escolas particulares como públicas, o despreparo geral para lidar com uma crise tão grave e
repentina não facilita a aprendizagem. Além disso, para parte dos alunos, a falta de conectividade e de
equipamentos tornou o processo bem mais desafiador.
O estudo tentou quantificar as perdas em ganhos futuros dos atuais alunos de Ensino Fundamental e
Ensino Médio, por ter tido acesso apenas a uma fração dos aprendizados esperados. E as perdas consolidadas
chegariam a 700 bilhões de reais. Mas, infelizmente, o quadro pode se mostrar ainda mais dramático, frente ao
advento da chamada 4ª Revolução Industrial, em que postos de trabalho vêm sendo extintos numa velocidade
sem precedentes na História. Sim, outros postos serão criados, mas demandarão competências de nível muito
mais sofisticado, como pensamento crítico, capacidade de fazer análises mais aprofundadas e resolução
colaborativa de problemas complexos com criatividade.
Neste contexto, contar apenas com habilidades básicas não será mais suficiente. A Educação deverá
se preparar para oferecer um aprendizado bem mais aprofundado em todos os níveis de ensino. Além disso, a
crise da Covid trouxe um outro problema, para além da perda de aprendizagens: o fantasma do abandono
escolar e até o da retomada do trabalho infantil. Evidentemente, para fazer frente a estes enormes desafios,
precisaremos de um esforço nacional e de boas políticas públicas que incluem a busca ativa das crianças e
dos jovens que deixaram a escola.
Mas há algo que cada escola, particular e pública, pode fazer para recuperar, ao menos parcialmente,
o que se perdeu. Primeiro, na volta às aulas presenciais, depois de um acolhimento adequado, fazer uma boa
avaliação diagnóstica que permita à equipe escolar, trabalhando como time, definir um plano de ação claro que
inclua uma priorização do currículo. Precisamos saber o que ainda dá tempo de ensinar até o fim deste ano
letivo, começando por um nivelamento geral para relembrar o que deveria ter sido aprendido no ano ou
semestre anterior.
Também ajuda usar a tecnologia como aliada, num processo de ensino híbrido, agora com a escola
aberta. Em escolas que atendem alunos em situação de vulnerabilidade, ajuda autorizá-los a ficar mais tempo
na escola em espaços como sala de leitura ou de informática, com equipamentos coletivos à sua disposição e
bons recursos digitais voltados à recuperação ou ao ensino remoto.
As plataformas adaptativas, caso a escola tenha acesso a elas, que ajudam o professor a identificar
exatamente as insuficiências de aprendizagem de cada aluno e o remetem para a aula digital que ainda não
domina, podem ser instrumentos poderosos.
Mas, o mais importante é que engajemos os alunos num processo de ensino mais aprofundado e
motivador, formando pensadores autônomos, capazes de formular seus próprios julgamentos. Estes não serão
substituídos por máquinas e poderão ajudar a construir um mundo menos sujeito a crises, como a que
atualmente vivemos. Assim seja!
Disponível em: https://conteudoaberto.ftd.com.br/home-professor/educacao-em-foco/retomando-aaprendizagem-depois-da-crise-por-claudia-costin/#. Acesso em: 19 nov. 2021.
Provas
Questão presente nas seguintes provas
O texto abaixo refere-se à questão.
RETOMANDO A APRENDIZAGEM DEPOIS DA CRISE
Claudia Costin
A recente divulgação de um estudo do Insper mostrando as perdas de aprendizagem ocorridas durante
o período de fechamento das escolas revelou o que muitos já intuíam: a presencialidade é fundamental,
especialmente para crianças e jovens e, mesmo que estratégias adequadas de ensino remoto tenham sido
criadas, tanto por escolas particulares como públicas, o despreparo geral para lidar com uma crise tão grave e
repentina não facilita a aprendizagem. Além disso, para parte dos alunos, a falta de conectividade e de
equipamentos tornou o processo bem mais desafiador.
O estudo tentou quantificar as perdas em ganhos futuros dos atuais alunos de Ensino Fundamental e
Ensino Médio, por ter tido acesso apenas a uma fração dos aprendizados esperados. E as perdas consolidadas
chegariam a 700 bilhões de reais. Mas, infelizmente, o quadro pode se mostrar ainda mais dramático, frente ao
advento da chamada 4ª Revolução Industrial, em que postos de trabalho vêm sendo extintos numa velocidade
sem precedentes na História. Sim, outros postos serão criados, mas demandarão competências de nível muito
mais sofisticado, como pensamento crítico, capacidade de fazer análises mais aprofundadas e resolução
colaborativa de problemas complexos com criatividade.
Neste contexto, contar apenas com habilidades básicas não será mais suficiente. A Educação deverá
se preparar para oferecer um aprendizado bem mais aprofundado em todos os níveis de ensino. Além disso, a
crise da Covid trouxe um outro problema, para além da perda de aprendizagens: o fantasma do abandono
escolar e até o da retomada do trabalho infantil. Evidentemente, para fazer frente a estes enormes desafios,
precisaremos de um esforço nacional e de boas políticas públicas que incluem a busca ativa das crianças e
dos jovens que deixaram a escola.
Mas há algo que cada escola, particular e pública, pode fazer para recuperar, ao menos parcialmente,
o que se perdeu. Primeiro, na volta às aulas presenciais, depois de um acolhimento adequado, fazer uma boa
avaliação diagnóstica que permita à equipe escolar, trabalhando como time, definir um plano de ação claro que
inclua uma priorização do currículo. Precisamos saber o que ainda dá tempo de ensinar até o fim deste ano
letivo, começando por um nivelamento geral para relembrar o que deveria ter sido aprendido no ano ou
semestre anterior.
Também ajuda usar a tecnologia como aliada, num processo de ensino híbrido, agora com a escola
aberta. Em escolas que atendem alunos em situação de vulnerabilidade, ajuda autorizá-los a ficar mais tempo
na escola em espaços como sala de leitura ou de informática, com equipamentos coletivos à sua disposição e
bons recursos digitais voltados à recuperação ou ao ensino remoto.
As plataformas adaptativas, caso a escola tenha acesso a elas, que ajudam o professor a identificar
exatamente as insuficiências de aprendizagem de cada aluno e o remetem para a aula digital que ainda não
domina, podem ser instrumentos poderosos.
Mas, o mais importante é que engajemos os alunos num processo de ensino mais aprofundado e
motivador, formando pensadores autônomos, capazes de formular seus próprios julgamentos. Estes não serão
substituídos por máquinas e poderão ajudar a construir um mundo menos sujeito a crises, como a que
atualmente vivemos. Assim seja!
Disponível em: https://conteudoaberto.ftd.com.br/home-professor/educacao-em-foco/retomando-aaprendizagem-depois-da-crise-por-claudia-costin/#. Acesso em: 19 nov. 2021.
Provas
Questão presente nas seguintes provas
O texto abaixo refere-se à questão.
COP26 fracassa
A Conferência das Nações Unidas sobre as Mudanças Climáticas de 2021 (COP26) foi encerrada
oficialmente ontem em Glasgow (Escócia). Os primeiros rascunhos de um acordo global ficaram muito aquém
das expectativas da Organização das Nações Unidas (ONU) e da maioria dos cidadãos dos 193 países
participantes.
Após 12 dias de conversações, faltaram entendimentos e acertos para evitar que haja uma alta de 1,5ºC
na temperatura do planeta até 2030 — 10 anos antes da previsão inicial.
[...]
Mantido o atual ritmo de aquecimento, o mundo estará entre 2,4% e 2,7% mais quente no fim do século.
Conter o avanço do aquecimento global implica revisão dos modelos econômicos de produção e consumo, com
rápida migração para uma economia verde.
A indústria automobilística teria que acelerar uma profunda alteração na linha de produção, substituindo
os combustíveis fósseis por outras fontes de energia para a movimentação dos veículos.
As políticas ambientais, por sua vez, deveriam se voltar à preservação e recomposição das florestas,
sobretudo as tropicais, que têm capacidade de absorção de gás carbônico (CO2), um dos grandes vilões do
aquecimento, ao lado da queima de carvão e dos gases lançados pelos veículos na atmosfera.
Embora, no discurso, os líderes mundiais concordem com a necessidade de conter o aquecimento
global, os aspectos econômicos e financeiros pesam na tomada de decisões. Os países em desenvolvimento
cobram promessas de financiamento das nações mais ricas. Por sua vez, os desenvolvidos não cumprem o
que foi acordado. O impasse está estabelecido.
Países, como o Brasil, com grandes reservas de petróleo evitam os debates sobre a eliminação do
combustível fóssil. Estados Unidos e China, as duas maiores economias do mundo, têm sérias divergências no
campo comercial e resistem quanto à revisão dos meios de produção.
Enquanto os chefes de Estado se distanciam do que deveria ser ponto de convergência — a defesa do
planeta e de todas as vidas que nele habitam —, a natureza segue em seus desarranjos que, na avaliação dos
cientistas, são catastróficos e ameaças concretas à perenidade da humanidade. A falta de consenso pode, e
os sinais são claros, levar o mundo para uma caminho sem retorno.
Disponível em: https://www.correiobraziliense.com.br/opiniao/2021/11/4962895-cop26-fracassa.html.
Acesso em: 30 nov. 2021. (Texto modificado).
Provas
Questão presente nas seguintes provas
O texto abaixo refere-se à questão.
COP26 fracassa
A Conferência das Nações Unidas sobre as Mudanças Climáticas de 2021 (COP26) foi encerrada
oficialmente ontem em Glasgow (Escócia). Os primeiros rascunhos de um acordo global ficaram muito aquém
das expectativas da Organização das Nações Unidas (ONU) e da maioria dos cidadãos dos 193 países
participantes.
Após 12 dias de conversações, faltaram entendimentos e acertos para evitar que haja uma alta de 1,5ºC
na temperatura do planeta até 2030 — 10 anos antes da previsão inicial.
[...]
Mantido o atual ritmo de aquecimento, o mundo estará entre 2,4% e 2,7% mais quente no fim do século.
Conter o avanço do aquecimento global implica revisão dos modelos econômicos de produção e consumo, com
rápida migração para uma economia verde.
A indústria automobilística teria que acelerar uma profunda alteração na linha de produção, substituindo
os combustíveis fósseis por outras fontes de energia para a movimentação dos veículos.
As políticas ambientais, por sua vez, deveriam se voltar à preservação e recomposição das florestas,
sobretudo as tropicais, que têm capacidade de absorção de gás carbônico (CO2), um dos grandes vilões do
aquecimento, ao lado da queima de carvão e dos gases lançados pelos veículos na atmosfera.
Embora, no discurso, os líderes mundiais concordem com a necessidade de conter o aquecimento
global, os aspectos econômicos e financeiros pesam na tomada de decisões. Os países em desenvolvimento
cobram promessas de financiamento das nações mais ricas. Por sua vez, os desenvolvidos não cumprem o
que foi acordado. O impasse está estabelecido.
Países, como o Brasil, com grandes reservas de petróleo evitam os debates sobre a eliminação do
combustível fóssil. Estados Unidos e China, as duas maiores economias do mundo, têm sérias divergências no
campo comercial e resistem quanto à revisão dos meios de produção.
Enquanto os chefes de Estado se distanciam do que deveria ser ponto de convergência — a defesa do
planeta e de todas as vidas que nele habitam —, a natureza segue em seus desarranjos que, na avaliação dos
cientistas, são catastróficos e ameaças concretas à perenidade da humanidade. A falta de consenso pode, e
os sinais são claros, levar o mundo para uma caminho sem retorno.
Disponível em: https://www.correiobraziliense.com.br/opiniao/2021/11/4962895-cop26-fracassa.html.
Acesso em: 30 nov. 2021. (Texto modificado).
A indústria automobilística teria que acelerar uma profunda alteração na linha de produção, substituindo os combustíveis fósseis por outras fontes de energia para a movimentação dos veículos.
As políticas ambientais, por sua vez, deveriam se voltar à preservação e recomposição das florestas, sobretudo as tropicais[...]
Em seu lugar, outros articuladores poderiam ser usados sem prejuízo do sentido, EXCETO:
Provas
Questão presente nas seguintes provas
Cadernos
Caderno Container