Foram encontradas 35 questões.
Observe as afirmativas abaixo, que correspondem às características da modulação PWM:
I. Possibilita o controle de conversores de potência através do controle da largura dos pulsos de disparo das chaves.
II. Pelo fato da modulação PWM utilizar o método de modulação analógico, esta requer uma maior banda passante.
III. A modulação ocorre de forma que um sinal de alta frequência é modulado em largura de pulso por um sinal de informação de baixa frequência.
É CORRETO o que se afirma em:
Provas
Assinale a alternativa que apresenta uma desvantagem dos CLP nos sistemas de comando elétrico:
Provas
Os microcontroladores se distinguem dos microprocessadores por apresentarem como funcionalidade:
Provas
Das modulações listadas abaixo, a que se trata de uma modulação analógica é:
Provas
O elemento que NÂO faz parte de um sistema básico de telecomunicações é:
Provas
O circuito eletrônico responsável por converter tensão c.c. em tensão c.c. é denominado:
Provas
Observe a figura abaixo que representa um circuito com transistor MOSFET.

Sabendo que !$ l_D = l_{DSS} (1 - \dfrac {V_{GS}}{V_P})^2 !$ , é CORRETO afirmar que a tensão !$ V_{GS} !$ deste circuito é:
Provas
Observe a figura abaixo que representa um circuito com transistor MOSFET.

Sabendo que !$ l_D = l_{DSS} (1 - \dfrac {V_{GS}}{V_P})^2 !$, é CORRETO afirmar que a corrente deste circuito é:
Provas
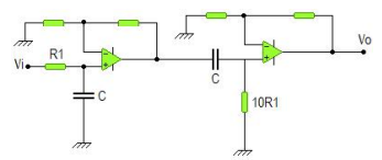
O circuito abaixo refere-se a um filtro ativo.

É CORRETO afirmar que este circuito representa o filtro:
Provas
Observe o circuito representado na figura abaixo.

Em relação ao circuito em questão, é CORRETO afirmar que a equação da tensão de saída é:
Provas
Caderno Container