Foram encontradas 40 questões.
Para a elaboração de projetos elétricos industriais, existem alguns critérios com relação à localização do quadro de distribuição que devem ser observados. Sobre a localização do quadro de distribuição de circuitos terminais, é INCORRETO afirmar:
Provas
Observe a representação do circuito de corrente alternada com tensão de amplitude 100 V e frequência de 60 Hz.

Analise as afirmativas sobre esse circuito:
I. A corrente total fornecida pela fonte deste circuito (Itotal) é 2,24 A.
II. O circuito pode ser caracterizado como indutivo.
III. A potência ativa do circuito é 199,36 W.
É CORRETO o que se afirma em:
Provas
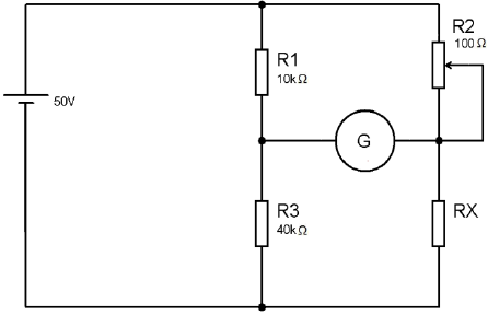
Observe o circuito da ponte de Wheatstone apresentado abaixo:

Considerando que, ao ajustarmos a resistência R2 em 100 Ω, a corrente medida pelo galvanômetro G é nula, o valor apresentado pela carga Rx é:
Provas
É INCORRETO afirmar que os instrumentos de medida podem ser classificados:
Provas
NÃO é um distúrbio passível de ocorrer no sistema elétrico:
Provas
Os relés são dispositivos utilizados para a proteção de sistemas elétricos. A alternativa que NÃO apresenta um tipo de relé relacionado à sua forma de construção é:
Provas
Analise as afirmações a respeito dos instrumentos de medida:
I. Um instrumento de medida é caracterizado pela grandeza que o mesmo é capaz de medir.
II. O calibre de um instrumento de medida é o valor mínimo que um instrumento é capaz de medir.
III. A resolução de um instrumento é o maior incremento que se pode obter na leitura de uma medida.
IV. Precisão e exatidão não são características que exprimem a confiabilidade dos instrumentos de medida.
As afirmações que NÃO condizem com a teoria de instrumentos de medida são apenas:
Provas
A tensão residual especificada nos para-raios é:
Provas
Analise as afirmações a respeito da proteção de sistemas elétricos:
I. Os para-raios são utilizados para proteção de equipamentos elétricos contra descargas atmosféricas.
II. As sobretensões podem ser classificadas como atmosféricas, temporárias ou de manobra.
III. A sobretensão provocada por descarga atmosférica pode comprometer as fases ou o neutro do sistema elétrico. Esse tipo de sobretensão é obtido apenas por descarga direta.
É CORRETO o que se afirma em:
Provas
Observe o circuito de corrente contínua a seguir:

A expressão que representa a tensão no ponto P do circuito de corrente contínua apresentado acima é:
Provas
Caderno Container