Foram encontradas 35 questões.
Durante uma aula prática, um estudante, utilizando um diodo de silício 1N4007, uma bateria de 9 V e alguns resistores, montou em seu protoboard o circuito ilustrado na figura abaixo:

Após energizar o circuito, o estudante efetuou a medida da tensão nos terminais do resistor de 7,5 Ω utilizando um voltímetro na escala apropriada. É CORRETO afirmar que a leitura realizada pelo voltímetro foi de:
Provas
Considere o sistema de controle industrial ilustrado na figura abaixo:

O sistema consiste em um reservatório de água, cuja vazão de entrada é manipulada por uma válvula pneumática (LV 200), um controlador de processos industriais (LIC 200) e um sensor de pressão instalado na base do reservatório (LT 200).
É CORRETO afirmar que o objetivo deste sistema de controle é manter constante(s):
Provas
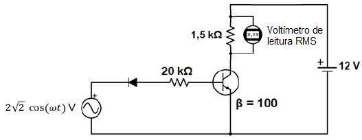
Considere o circuito transistorizado ilustrado na figura abaixo:

Um voltímetro de leitura RMS é conectado aos terminais do resistor do circuito coletor. É CORRETO afirmar que a leitura realizada pelo voltímetro é:
Provas
O coração de produtos eletrônicos avançados de hoje é um microcontrolador (μC) que se comunica com um ou mais dispositivos periféricos. Eles são baratos e fáceis de usar, e permitem que se coloque inteligência de um computador em praticamente qualquer coisa eletrônica. Com relação aos microcontroladores, analise as afirmativas abaixo:
I. Trabalham com velocidade de processamento menor que os processadores construídos para computadores. Todavia, possuem CPU, memória e periféricos incluídos em um único chip.
II. Incluem tanto a memória de dados (RAM estática) quanto a memória de programa não volátil (tipo FLASH) no chip. Muitos incluem EEPROM não volátil adicional para manter dados de calibração e configuração do sistema.
III. O software embutido, chamado de firmware, deve ser desenvolvido em linguagem de máquina, sendo o programador obrigado a trabalhar com colunas de números binários, e cada bit tem que ser um bit perfeito. Não se pode programá-los com linguagens de alto nível como C ou C++.
Está CORRETO o que se afirma em:
Provas
Considere um circuito onde um capacitor e um resistor estão conectados em série. Para este tipo de circuito o produto é denominado constante de tempo do circuito RC. Para R em ohms e C em farads, o produto RC é dado em segundos.
Supondo que em t = 0 o capacitor esteja completamente carregado e a tensão medida em seus terminais seja V0 , é CORRETO afirmar que, quando t = RC, a tensão medida nos terminais do capacitor será:
Provas
Considere uma carga trifásica equilibrada conectada em Y (estrela). A carga é alimentada por uma fonte de tensão trifásica. O neutro da fonte é conectado ao neutro da carga. Cada ramo da carga trifásica é percorrido por uma corrente de fase If .
Com relação à corrente que percorrerá o condutor neutro, In, é CORRETO afirmar que:
Provas
O choque elétrico é um estímulo rápido no corpo humano, ocasionado pela passagem da corrente elétrica. Essa corrente circulará pelo corpo quando ele se tornar parte do circuito elétrico, onde há uma diferença de potencial suficiente para vencer a resistência elétrica oferecida pelo corpo. Com relação ao choque elétrico, analise as afirmativas abaixo:
I. Embora o circuito elétrico deva apresentar uma diferença de potencial capaz de vencer a resistência elétrica oferecida pelo corpo humano, o que determina a gravidade do choque elétrico é a intensidade da corrente circulante pelo corpo.
II. O caminho percorrido pela corrente elétrica no corpo humano é um fator que determina a gravidade do choque, sendo os choques elétricos de maior gravidade aqueles em que a corrente elétrica passa pelo coração.
III. As características da corrente elétrica não são fatores determinantes na gravidade do choque elétrico. Para corrente contínua (CC), as intensidades das correntes deverão ser as mesmas que as das correntes alternadas para ocasionar as mesmas sensações do choque elétrico.
IV. Ocorrem diferenças nos valores de intensidade da corrente elétrica para uma determinada sensação de choque elétrico, se a vítima for do sexo feminino ou do sexo masculino, sendo as vítimas do sexo feminino sensíveis a menores valores de correntes que as do sexo masculino.
Está CORRETO o que se afirma em:
Provas
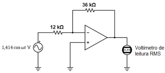
Um voltímetro de leitura RMS está conectado à saída do amplificador operacional do circuito ilustrado na figura abaixo.

É CORRETO afirmar que a leitura realizada pelo voltímetro é:
Provas
Um transformador ideal é um dispositivo constituído por duas bobinas estreitamente acopladas (denominadas enrolamento primário e enrolamento secundário). Aplicando-se uma tensão CA ao primário, é CORRETO afirmar que aparece no secundário:
Provas
Desde 1997 e conforme consta na NBR 5410, os dispositivos diferenciais residuais devem ser aplicados em alguns tipos de circuitos. É INCORRETO afirmar que eles devam ser aplicados a circuitos que alimentam:
Provas
Caderno Container