Foram encontradas 120 questões.

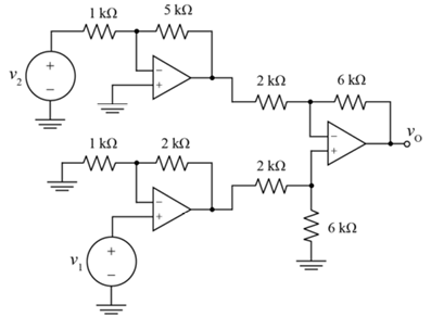
A respeito do circuito precedente, julgue o item a seguir.
Para o circuito apresentado, vO = 9v1 + 15v2.
Provas
No circuito a seguir, RB = 100 kΩ, RE = 1 kΩ, RL = 100 Ω; o transistor Q1 tem β = 100 e VBE = 0,7 V; e a fonte de alimentação fornece VCC = 15 V. O circuito está corretamente polarizado para operar na região ativa. Os capacitores são considerados ideais, atuando como curtos-circuitos na faixa de frequências de operação.

Com base nas informações precedentes, julgue o item que se segue.
A corrente de polarização do coletor do transistor é superior a 4 mA.
Provas
No circuito a seguir, RB = 100 kΩ, RE = 1 kΩ, RL = 100 Ω; o transistor Q1 tem β = 100 e VBE = 0,7 V; e a fonte de alimentação fornece VCC = 15 V. O circuito está corretamente polarizado para operar na região ativa. Os capacitores são considerados ideais, atuando como curtos-circuitos na faixa de frequências de operação.

Com base nas informações precedentes, julgue o item que se segue.
O ganho de tensão do circuito é inferior a 10.
Provas
No circuito a seguir, RB = 100 kΩ, RE = 1 kΩ, RL = 100 Ω; o transistor Q1 tem β = 100 e VBE = 0,7 V; e a fonte de alimentação fornece VCC = 15 V. O circuito está corretamente polarizado para operar na região ativa. Os capacitores são considerados ideais, atuando como curtos-circuitos na faixa de frequências de operação.

Com base nas informações precedentes, julgue o item que se segue.
A impedância de entrada do circuito, para pequenos sinais, é igual a 100 kΩ.
Provas
A respeito da teoria de controle de sistemas dinâmicos e processamento de sinais, julgue o item que se segue.
Um sistema dinâmico físico real, modelado como linear, contínuo e invariante no tempo e de segunda ordem, poderá ter suas raízes características distintas, sendo uma real e a outra complexa.
Provas
A respeito da teoria de controle de sistemas dinâmicos e processamento de sinais, julgue o item que se segue.
Os filtros de sinais do tipo FIR (finite impulse response) utilizam realimentação e, por consequência, devem ser bem dimensionados para evitar instabilidade assintótica.
Provas
A respeito da teoria de controle de sistemas dinâmicos e processamento de sinais, julgue o item que se segue.
Um sistema linear, contínuo e invariante no tempo, controlável e observável, que tem como modos característicos as exponenciais e−3t e e−10t, é assintoticamente estável.
Provas
A respeito da teoria de controle de sistemas dinâmicos e processamento de sinais, julgue o item que se segue.
Para um sistema linear contínuo e invariante no tempo, com todos os polos distintos e representado no espaço de estados, pode-se obter uma representação alternativa, chamada forma modal, por transformação linear se os autovetores da matriz de estado original forem conhecidos.
Provas
Em relação à teoria eletromagnética, julgue o item a seguir.
Para ondas eletromagnéticas transversais, em meios lineares, homogêneos, isotrópicos, sem fontes, não condutores e ilimitados, as componentes de campos elétrico e magnético não vibram na direção de propagação.
Provas
Em relação à teoria eletromagnética, julgue o item a seguir.
A componente tangencial do vetor campo elétrico na fronteira entre dois meios dielétricos é contínua na transição de um meio para o outro.
Provas
Caderno Container