Foram encontradas 40 questões.
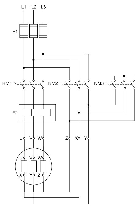
Observe a figura a seguir:

(Arquivo pessoal; imagem usada com autorização)
A imagem representa um tipo de partida de um motor elétrico, denominado de partida
Provas

(Arquivo pessoal; imagem usada com autorização)
Nesse desenho foi utilizado o processo de coordenada
Provas
Observe a imagem a seguir:

(Arquivo pessoal; imagem usada com autorização)
A peça apresentada apresenta um corte denominado de corte
Provas
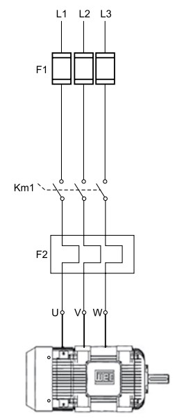
Observe a imagem a seguir:

(Arquivo pessoal; imagem usada com autorização)
A imagem representa um tipo de partida de um motor elétrico, denominado de partida
Provas
O resistor tem características elétricas que o diferenciam de outros componentes que são de resistência nominal, percentual de tolerância e dissipação nominal de
Provas
A resistência elétrica de um componente é expressa em
Provas
Os instrumentos relativos medem a pressão em função de uma propriedade física ou de um fenômeno físico. Nesse grupo estão compreendidos os
Provas
Os instrumentos de medição de pressão podem ser classificados em dois grandes grupos, sendo eles:
Provas
O fenômeno pelo qual o material de adição penetra na junção a ser brasada pela atração das moléculas do material base é denominado de
Provas
A vareta mais indicada para realizar uma brasagem entre dois tubos de cobre é denominada de
Provas
Caderno Container