Foram encontradas 40 questões.
Considere o circuito resistivo mostrado na figura a seguir:

O valor de Rx conectado entre os pontos A e B do circuito que faz com que o resistor de 36 Ω dissipe 576 W é
Provas
A norma técnica brasileira que estabelece as condições a que devem satisfazer as instalações elétricas de baixa tensão, a fim de garantir o seu funcionamento adequado, a segurança de pessoas e de animais domésticos e a conservação dos bens, é a
Provas
O uso de dispositivos de eletrônica em sistemas de controle e automação tem se intensificado à medida que os semicondutores passam por evoluções que os tornam mais rápidos e eficientes.
O dispositivo baseado em eletrônica de potência empregado no acionamento de motores de indução trifásicos permitindo a operação com controle de velocidade e conjugado é o
Provas
Um microprocessador utilizado na composição de um sistema microprocessado tem 16 linhas de endereço e 8 linhas de dados. A memória ROM flash é composta de 2 chips de 8 kilobytes cada.
Sabendo que a memória RAM é composta de chips de 2 kilobytes cada, a quantidade de chips que completa a totalidade da memória naturalmente endereçável pelo microprocessador é igual a
Provas
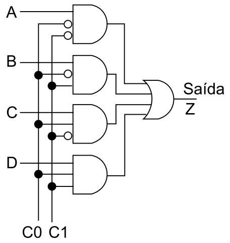
Considere o circuito de eletrônica digital mostrado na figura a seguir:

Trata-se de um
Provas
Um sensor de temperatura resistivo apresenta resistência ôhmica de 100 Ω a 0 °C e um coeficiente de variação de temperatura perfeitamente linear e igual a 0,025Ω/°C em uma faixa entre –500 °C e 800 °C. Em uma determinada medição, verificou-se que a resistência ôhmica do sensor era de 102,30 Ω.
Nessa condição, a temperatura do sensor é, aproximadamente,
Provas
Um equipamento eletrônico para acionamento de um servomotor é alimentado por uma fonte de 12 V, consumindo uma corrente de 30 A. O servomotor conectado ao equipamento de acionamento entrega, em seu eixo, uma potência mecânica de 240 W, e seu rendimento é de 80%.
Nessa condição, o rendimento do equipamento eletrônico para acionamento do servomotor é, aproximadamente, igual a:
Provas
Um sistema de geração fotovoltaica é composto de painéis solares com área efetiva de 1,5 m² e eficiência de 20%. O sistema é instalado em uma região onde o nível de irradiação solar médio diário é de 4,0 kWh/m².
Sabendo que o rendimento dos inversores utilizados no sistema de geração é de 80%, o número mínimo de painéis fotovoltaicos necessário para gerar 720 kWh em 30 dias é
Provas
A figura a seguir mostra um circuito de corrente alternada operando com uma tensão senoidal de 100 VRMS em uma frequência de 100 Hz:

Se a amplitude da fonte de tensão permanece constante, a frequência de operação em que a corrente I atinge seu valor máximo é igual a
Provas
- EletromagnetismoElétricaEletricidade
- EletromagnetismoElétricaEletrodinâmica
- EletromagnetismoElétricaResistores e Potência Elétrica
Uma carga elétrica escoa de forma constante através de um elemento de natureza resistiva a uma taxa de 20 coulombs a cada 0,20 segundo.
Sabendo que a resistência ôhmica desse elemento é de 0,5 Ω, a tensão desenvolvida entre os terminais do elemento resistivo é igual a
Provas
Caderno Container