Foram encontradas 40 questões.
A chave manual adequada ao aperto e à manipulação de parafusos que têm cabeça com perfil sextavado interno é conhecida como chave
Provas
Um paquímetro tem sua escala fixa com 200 mm de comprimento, em que a menor divisão corresponde a 1,0 mm, e o nônio desse paquímetro tem 50 divisões.
Nessa configuração, a menor resolução desse paquímetro corresponde a
Provas
Um sinal perfeitamente senoidal é visualizado na tela de um osciloscópio. Um ciclo desse sinal ocupa 5 divisões no eixo horizontal (tempo) e 3,6 divisões no eixo vertical (amplitude) medidas de pico a pico.
Sabendo que a ponta de prova é atenuadora com razão de atenuação de 1:10, que a base de tempo está ajustada para 10 μs por divisão e que o canal vertical está ajustado para uma tensão de 5 V por divisão, pode-se afirmar que o valor RMS aproximado da tensão medida e a frequência aproximada do sinal são, respectivamente,
Provas
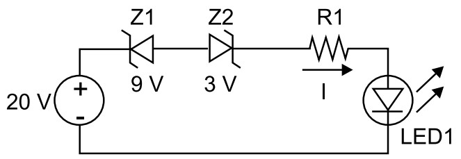
Considere o circuito com diodos Zener e LED mostrado na figura a seguir, em que os diodos Zener são de silício e a tensão no LED em condução direta é de 1,3 V:

O valor de R1 para que a corrente I no circuito seja igual a 0,15 A é, aproximadamente, igual a
Provas
Considere o circuito com aplicação de diodos mostrado na figura a seguir, em que os diodos são ideais e o voltímetro tem impedância interna infinita:

O valor da tensão indicada pelo voltímetro é, aproximadamente, igual a
Provas
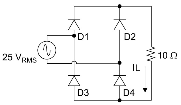
Considere o circuito retificador de onda completa mostrado na figura a seguir, em que os diodos D1 a D4 são de silício:

O valor médio da corrente IL é, aproximadamente, igual a
Provas
Considere o circuito retificador de meia-onda mostrado na figura a seguir, em que o diodo D1 é ideal:

O valor médio da tensão sobre o resistor de 20 Ω é, aproximadamente, igual a
Provas
São condições necessárias para que ocorra a condução de corrente em um diodo semicondutor de silício em polarização direta:
Provas
No processo de produção e construção de dispositivos semicondutores, uma das formas de dopagem é realizada com a introdução de impurezas trivalentes a um semicondutor intrínseco.
Nesse caso, o número de elétrons da camada de valência da impureza introduzida, o tipo de material dopado obtido e o portador majoritário de cargas criado nesse material são, respectivamente,
Provas
Considere a associação de resistores mostrada na figura a seguir:

O valor de resistência ôhmica equivalente entre os pontos A e B é
Provas
Caderno Container