Foram encontradas 40 questões.
Provas
Durante a operação de um forno industrial de alta temperatura utilizado para tratamento térmico de metais, é essencial compreender a função de seus principais componentes para garantir segurança, eficiência energética e qualidade do processo. Com base neste contexto, analise as afirmativas a seguir a respeito de alguns componentes principais de fornos industriais de altas temperaturas:
I. As resistências elétricas ou queimadores têm a função de gerar calor para elevar e manter a temperatura da câmara de aquecimento conforme o ciclo programado.
II. Os tijolos refratários da câmara de aquecimento são responsáveis por conduzir rapidamente o calor dos queimadores até a peça, uma vez que possuem elevada capacidade de condução de calor, o que favorece a transferência térmica.
III. O isolamento térmico tem como principal função a minimização dos fluxos de calor que ocorrem de dentro para fora do forno em decorrência das diferenças de temperatura com o ambiente externo.
Ao analisar as afirmativas acima, é correto afirmar que
Provas
Provas
Provas
Provas
Provas
Sobre a elaboração e interpretação de desenhos técnicos, leia as afirmativas abaixo:
I. Em um desenho de montagem com corte total, é recomendado que as hachuras de peças adjacentes com mesmo material possuam a mesma orientação das linhas da hachura e mesmo espaçamento.
II. Uma escala igual a 20:1, aplicada em um desenho técnico de um componente mecânico, indica uma escala de ampliação, em que o desenho representa o elemento real ampliado em 20 vezes.
III. Para realizar a cotagem de uma determinada dimensão em um desenho técnico, devem ser empregadas linhas grossas tracejadas às linhas de extensão e linhas estreitas contínuas às linhas de dimensão.
Ao analisar as afirmativas acima, é correto afirmar que
Provas
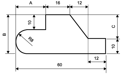
A interpretação de desenhos técnicos por parte de operadores de máquinas operatrizes é fundamental para possibilitar a fabricação de peças usinadas, por exemplo.
Analise o desenho técnico representado na figura a seguir:

Assinale a alternativa que fornece os valores corretos para as cotas faltantes A, B e C.
Provas
Provas
Considere dois sistemas de transmissão mecânica, cujos dados são fornecidos na tabela a seguir:

Com base nos dados da tabela, qual será o sentido e a velocidade de rotação do eixo de saída para ambos os sistemas de transmissão?
Formulário: ![]()
Provas
Caderno Container