Foram encontradas 50 questões.
Para um circuito alimentado com tensão alternada em que há um resistor, um indutor e um capacitor ligados em série, com valores distintos de resistência e reatâncias, se o ângulo considerado para a tensão da fonte é de 20º em relação a uma referência angular, é correto afirmar que
Provas
As botoeiras utilizadas em sistemas de comando têm cores diversas. O objetivo da diversidade de cores é
Provas
Um circuito elétrico é composto por um resistor, um indutor e um capacitor conectados em série e alimentados por uma fonte de tensão alternada. A soma das reatâncias é igual ao valor da resistência, sendo a reatância indutiva o dobro da reatância capacitiva. Considerando que a fonte de tensão de módulo E e é considerada como referência angular (!$ \llcorner !$0º), a tensão sobre o resistor será:
Provas
Qual o componente utilizado em circuitos de comandos elétricos que promove a proteção contra curto-circuito e sobrecarga?
Provas
O que acontecerá com a tensão na carga se um retificador monofásico de onda completa em ponte tiver um dos seus diodos abertos?
Provas
Um resistor, um indutor e um capacitor são ligados em paralelo e são alimentados por uma fonte de tensão alternada ideal, de valor não nulo. A reatância indutiva tem módulo igual ao dobro do valor do resistor, enquanto a reatância capacitiva tem módulo igual à metade do valor do resistor. A corrente fornecida pela fonte estará
Provas
Um retificador de meia-onda é composto por um diodo com o anodo conectado a uma carga resistiva. Para esta configuração
Provas
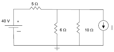
Observe a imagem a seguir.

Qual deve ser o valor da corrente I fornecida pela fonte de corrente para que a tensão no nó seja igual a 30 V com relação ao nó de referência?
Provas
Na análise de circuitos elétricos, os equivalentes de Thévenin e Norton são utilizados para
Provas
Uma memória semicondutora pode ter os endereços acessados em qualquer ordem. Realiza três operações básicas: escrita, leitura e refresh. Tem tamanho reduzido, baixo consumo de potência e baixo custo, mas tem baixa velocidade, quando comparada com outros tipos de memória. Esta descrição refere-se a qual tipo de memória?
Provas
Caderno Container