Foram encontradas 50 questões.
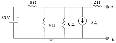
Observe a imagem a seguir.

O circuito elétrico mostrado na imagem, visto dos pontos a e b, pode ser representado, por um equivalente de Norton com os seguintes componentes:
Provas
Para que um circuito elétrico seja representado por seu equivalente de Thévenin, é necessário que
Provas
Observe os símbolos a seguir.
![]()
Assinale a alternativa que apresenta, correta e respectivamente, o significado desses símbolos, de acordo com Padrão Ladder IEC 61131-3.
Provas
Os tiristores convencionais (SCRs) são bastante utilizados em retificadores controlados devido às seguintes características:
Provas
Um circuito elétrico composto apenas por resistores e fontes de tensão alternada é representado por duas malhas. Para este circuito, foram calculadas as correntes de malha no valor de I= 10 A e II= 6 A, ambas no sentido horário. Sabendo que o ramo central é formado por uma fonte de tensão de 5 V em série com um resistor de 1 Ohm, qual é o máximo valor possível para a tensão total no ramo central?
Provas
Na análise nodal de circuitos elétricos, é utilizado o seguinte princípio para a solução:
Provas
Um circuito elétrico é representado por seu equivalente de Thévenin através de uma fonte de tensão de 100 V e de uma resistência de 50 !$ \Omega !$. O mesmo circuito elétrico poderá ter seu equivalente de Norton representado por uma fonte de
Provas
Um retificador monofásico de onda completa em ponte alimenta um motor de corrente contínua. Considerando que a força eletromotriz (fem) do motor é representada por uma bateria de tensão constante e os enrolamentos do motor são representados por uma impedância RL, é correto afirmar que
Provas
Um circuito elétrico composto por um resistor, um indutor e um capacitor, ligados em série, é excitado por uma fonte de tensão alternada e se encontra em regime permanente. Se a reatância indutiva e a reatância capacitiva forem iguais em módulo,
Provas
Observando o circuito a seguir.

Quando se utiliza o método das tensões de nó na solução de circuitos elétricos, os nós a e b poderiam ser tratados como um supernó se:
Provas
Caderno Container