Foram encontradas 1.460 questões.
A IEC 60.601-1 trata de
Provas
Assinale a alternativa que relaciona, correta e respectivamente, os equipamentos e as descrições a seguir.
I. Produz água ultra-pura com parâmetro de filtragem da ordem de 99% de filtragem de partículas sólidas e tem como uma de suas características a rejeição de até 50% da água de entrada.
II. Equipamento de baixa energia, geralmente com anodo fixo e intensificador de imagem.
III. Estrutura ótica, geralmente com carcaça de aço inox, utilizada em cirurgia e juntamente com alguma fonte de luz.
Provas
Assinale a alternativa que apresenta associação correta a respeito de prototipagem rápida.
I. Extensão de arquivo comumente utilizada para impressão 3D.
II. Material comumente utilizado para impressão 3D.
III. Tecnologias de impressão 3D.
Provas
Equipamento que utiliza célula de O2 e, quando operando em circuito fechado, cal sodada:
Provas
Assinale a alternativa que relaciona, correta e respectivamente, os equipamentos e as descrições a seguir.
I. Agita um ou mais tubos para garantir que seu conteúdo fique em uma suspenção mais uniforme ou garantir sua diluição quando esta é mais lenta.
II. Utilizado para separar o sangue em suas porções componentes básicas.
III. Utilizada principalmente para cultura de células animais em que o ambiente simula condições do corpo humano.
Provas
São equipamentos de laboratório:
Provas
A peça a seguir foi criada usando a técnica de

Provas
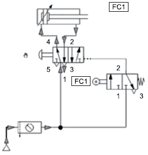
No circuito pneumático mostrado na figura a seguir, a válvula direcional que comanda o avanço do cilindro é do tipo

Provas
Um óleo lubrificante apresenta a classificação SAE 5W30. Essa classificação significa que esse óleo é:
Provas
Um técnico do laboratório necessitava descobrir a densidade de um fluido. Para isso ele pegou um Becker com diâmetro de 10 cm e colocou líquido até a altura de 5 cm no interior do Becker, posteriormente ele pesou o conjunto e encontrou uma massa de 400 gramas. Sabendo-se que a massa do Becker é de 100 gramas, qual é a densidade do líquido no interior do recipiente em kg/m3?
Utilizar !$ \pi !$ = 3
Provas
Caderno Container