Foram encontradas 50 questões.
O protocolo Multiplex Digital DMX é usado na indústria de
teatros e eventos para controlar equipamentos de iluminação em dispositivos de efeitos especiais. O DMX está
sendo cada vez mais usado em prédios comerciais para
aplicações incluindo controle RGB, cor e temperatura da
luz.
A interface elétrica utilizada pelo sistema DMX emprega o padrão
A interface elétrica utilizada pelo sistema DMX emprega o padrão
Provas
Questão presente nas seguintes provas
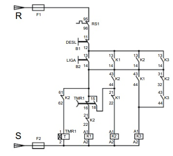
Considere o seguinte circuito de comando elétrico.

Trata-se do circuito de comando de uma chave de partida
Provas
Questão presente nas seguintes provas
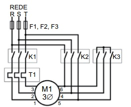
Considere o circuito de comando elétrico mostrado na figura a seguir.

Conforme a simbologia utilizada em comandos elétricos, o elemento referenciado em 1 é um contato
Provas
Questão presente nas seguintes provas
As categorias de emprego para contatores em corrente alternada determinam os valores de corrente que o contator deve estabelecer ou interromper e dependem da
natureza do receptor controlado (motor de gaiola ou de
anéis, resistências) e das condições nas quais se efetuam os fechamentos e as aberturas (motor em regime ou
bloqueado ou em partida, inversão do sentido de rotação,
frenagem por contracorrente).
Um contator com categoria de emprego AC3 refere-se às seguintes condições de utilização:
Um contator com categoria de emprego AC3 refere-se às seguintes condições de utilização:
Provas
Questão presente nas seguintes provas
Um motor de indução trifásico de 6 terminais, com tensão
nominal de 220/380 V, corrente nominal 45/26 A e fator
de serviço igual a 1,15, opera acionado por uma chave de
partida automática do tipo estrela-triângulo. O circuito de
força da chave estrela-triângulo automática é mostrado
na figura a seguir.
Nessas condições, o valor da corrente de ajuste do relé de sobrecarga será aproximadamente igual a:
Nessas condições, o valor da corrente de ajuste do relé de sobrecarga será aproximadamente igual a:
Provas
Questão presente nas seguintes provas
Um amperímetro de painel tem corrente de fundo de escala de 5,0 A e está conectado a um TC com relação de
2000 : 5 A.
Quando a corrente no circuito principal é de 1200 A, a corrente através do amperímetro de painel é igual a:
Quando a corrente no circuito principal é de 1200 A, a corrente através do amperímetro de painel é igual a:
Provas
Questão presente nas seguintes provas
Um transformador trifásico é composto pelo arranjo de três transformadores monofásicos, com o primário conectado em Y e o secundário conectado em Δ. Cada
transformador monofásico tem o enrolamento primário
composto por 200 espiras e o enrolamento secundário
composto por 40 espiras.
Se a tensão aplicada entre as fases do enrolamento primário do transformador trifásico assim constituído for igual a 173,2 V, a tensão presente entre as fases do secundário desse transformador trifásico é aproximadamente igual a:
(Considere o valor de 30,5 = 1,732)
Se a tensão aplicada entre as fases do enrolamento primário do transformador trifásico assim constituído for igual a 173,2 V, a tensão presente entre as fases do secundário desse transformador trifásico é aproximadamente igual a:
(Considere o valor de 30,5 = 1,732)
Provas
Questão presente nas seguintes provas
Um motor de indução trifásico de 6 polos, 60 Hz, opera
com escorregamento nominal de 4%.
A velocidade nominal de operação desse motor é igual a:
A velocidade nominal de operação desse motor é igual a:
Provas
Questão presente nas seguintes provas
Um motor de corrente contínua de excitação independente tem tensão nominal de armadura de 240 V e velocidade nominal de 1800 RPM, quando operando com corrente de campo nominal. Considerando que o motor opera
em vazio na região linear da curva de magnetização, que
a corrente de campo é mantida constante e igual à corrente de campo nominal e que as perdas rotacionais e as
perdas no cobre da armadura são desprezíveis, para que
o motor opere a 1350 RPM, sua armadura deverá ser
alimentada com tensão igual a:
Provas
Questão presente nas seguintes provas
Considerando a segurança em instalações e serviços em eletricidade, somente serão consideradas desenergizadas as instalações elétricas liberadas para trabalho,
mediante os procedimentos apropriados, obedecida uma
sequência específica.
O primeiro passo da sequência de desenergização de uma instalação é:
O primeiro passo da sequência de desenergização de uma instalação é:
Provas
Questão presente nas seguintes provas
Cadernos
Caderno Container