Foram encontradas 60 questões.
Ao medir a corrente que passa pelo resistor R2, indicado na figura 4 e também a diferença de potencial através desse resistor, como um amperímetro e um voltímetro devem ser conectados a esse resistor?

Figura 4
Provas
Questão presente nas seguintes provas
Na frase “Procure ser um homem de valor, em vez de ser um homem de sucesso” (Albert Einstein), compreende-se que entre as formas “homem de valor” e “homem de sucesso” há uma relação de
Provas
Questão presente nas seguintes provas
Sabendo-se que todo A é B, que todo C é B e que todo B é D, considere as afirmações:
I - Todo A é C.
II - Todo A é D.
III - Todo C é D.
Sobre essas AFIRMAÇÕES verifica-se que:
Provas
Questão presente nas seguintes provas
Considerando que geração descentralizada de energia elétrica é a geração da energia elétrica no próprio local de consumo e com utilização de matéria prima disponível no local, podemos afirmar que a geração FOTOVOLTAICA:
Provas
Questão presente nas seguintes provas
Marque a alternativa CORRETA sobre as fases da licitação:
Provas
Questão presente nas seguintes provas
Na figura 7, antes da chave S1 ser fechada, o capacitor C1 foi carregado com uma carga inicial de \( \mathsf{15,0~\mu C} \). A seguir a chave foi fechada no instante t=0 e capacitor começou a descarregar.

Figura 7
Em que instante a carga do capacitor é \( \mathsf{1,50~\mu C} \)?
Considere a resistência \( \mathsf{R1=1M\Omega} \) e \( \mathsf{C1=10~\mu F} \).
Provas
Questão presente nas seguintes provas
Uma herança é dividida entre 3 irmãos, proporcionalmente às suas idades, que são de 20, 22 e 25 anos. Sabendo que o irmão do meio recebeu R$3.110,44 a mais do que o irmão mais novo, qual foi o valor recebido pelo irmão mais velho?
Provas
Questão presente nas seguintes provas
São princípios da licitação descritos no art. 3º, da Lei nº 8.666/93:
Provas
Questão presente nas seguintes provas
Texto 01
Trabalho em equipe - Juntos somos muito melhores do que sozinhos!
Um conceito cada vez mais valorizado no ambiente profissional é o trabalho em equipe. Ter agilidade para desenvolver trabalhos em conjunto tem sido uma das qualidades mais exigidas nos processos de contratação, pois trabalhar em equipe significa criar um esforço coletivo para resolver um problema, em que cada um desempenha uma função específica, mas todos unidos por um só objetivo, alcançar o tão almejado sucesso.
A atividade em equipe deve ser entendida como resultado de um esforço conjunto e, portanto as vitórias e fracassos são responsabilidades de todos os membros envolvidos. Muitas pessoas, que atuam em diversas organizações, estão trabalhando em grupo e não em equipe, como se estivessem em uma linha de produção, onde o trabalho é individual e cada um se preocupa em realizar apenas sua tarefa e pronto.
No trabalho em equipe, cada membro sabe o que os outros estão fazendo e reconhecem sua importância para o sucesso da tarefa. Os objetivos são comuns e as metas coletivas são desenvolvidas para ir além daquilo que foi pré-determinado. O trabalho em equipe possibilita trocar conhecimentos e agilidade no cumprimento de metas e objetivos compartilhados. Na sociedade em que vivemos, o trabalho em equipe é muito importante, pois cada um precisa da ajuda do outro. Pense numa vela acesa, ela é bonita, envolvente, ilumina tudo ao seu redor. Uma vela acesa simboliza esperança, harmonia, fé. Por si só é bonita, porque ela mesma tem a sua luz. Mas a vela por outro lado é muito frágil, e qualquer vento ou sopro pode apagá-la.
Transferindo isso para o trabalho em equipe podemos concluir, que por mais que tenhamos luz própria, que brilhemos e tenhamos talento, é preciso lembrar que sozinhos nós somos muito frágeis e é exatamente por isso que qualquer problema do dia-a-dia pode ofuscar o nosso brilho. Daí a importância de entendermos o poder da ajuda mútua, sempre lembrando de que líderes e equipes superam crises quando se unem.
Saiba que quando pegamos os nossos sonhos e juntamos com os sonhos de outras pessoas, tudo se torna mais forte, iluminado e por mais escuro que o mundo pareça ser, quando o ser humano se junta consegue milagres extraordinários. Na vida temos que enfrentar muitas adversidades, mas quando nos juntamos um ao outro a coragem aumenta, o nosso potencial se duplica e os nossos objetivos se tornam mais passíveis de realização.
ROMUALDO, J. S. Disponível em: http://www.portaleducacao.com.br. Acesso em: 29 set. 2015 (adaptado).
Em referência à intenção comunicativa principal do texto, é CORRETO dizer que
Provas
Questão presente nas seguintes provas
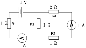
No circuito dado representado na figura 9, qual a potência dissipada pelo resistor R2?

FIGURA 9
Provas
Questão presente nas seguintes provas
Cadernos
Caderno Container