Foram encontradas 60 questões.
Sobre as cláusulas exorbitantes nos contratos administrativos, marque a alternativa CORRETA:
Provas
Questão presente nas seguintes provas
A tarifa de energia elétrica de uma concessionária é de R$ 3,00 por kilowatt-hora. Assim, considerando tal tarifa, qual o valor a ser pago pela utilização de um eletrodoméstico de resistência de !$ 18~\Omega !$ por um período de 10 horas ligado a uma tomada de 120 V?
Provas
Questão presente nas seguintes provas
Texto 01
Trabalho em equipe - Juntos somos muito melhores do que sozinhos!
Um conceito cada vez mais valorizado no ambiente profissional é o trabalho em equipe. Ter agilidade para desenvolver trabalhos em conjunto tem sido uma das qualidades mais exigidas nos processos de contratação, pois trabalhar em equipe significa criar um esforço coletivo para resolver um problema, em que cada um desempenha uma função específica, mas todos unidos por um só objetivo, alcançar o tão almejado sucesso.
A atividade em equipe deve ser entendida como resultado de um esforço conjunto e, portanto as vitórias e fracassos são responsabilidades de todos os membros envolvidos. Muitas pessoas, que atuam em diversas organizações, estão trabalhando em grupo e não em equipe, como se estivessem em uma linha de produção, onde o trabalho é individual e cada um se preocupa em realizar apenas sua tarefa e pronto.
No trabalho em equipe, cada membro sabe o que os outros estão fazendo e reconhecem sua importância para o sucesso da tarefa. Os objetivos são comuns e as metas coletivas são desenvolvidas para ir além daquilo que foi pré-determinado. O trabalho em equipe possibilita trocar conhecimentos e agilidade no cumprimento de metas e objetivos compartilhados. Na sociedade em que vivemos, o trabalho em equipe é muito importante, pois cada um precisa da ajuda do outro. Pense numa vela acesa, ela é bonita, envolvente, ilumina tudo ao seu redor. Uma vela acesa simboliza esperança, harmonia, fé. Por si só é bonita, porque ela mesma tem a sua luz. Mas a vela por outro lado é muito frágil, e qualquer vento ou sopro pode apagá-la.
Transferindo isso para o trabalho em equipe podemos concluir, que por mais que tenhamos luz própria, que brilhemos e tenhamos talento, é preciso lembrar que sozinhos nós somos muito frágeis e é exatamente por isso que qualquer problema do dia-a-dia pode ofuscar o nosso brilho. Daí a importância de entendermos o poder da ajuda mútua, sempre lembrando de que líderes e equipes superam crises quando se unem.
Saiba que quando pegamos os nossos sonhos e juntamos com os sonhos de outras pessoas, tudo se torna mais forte, iluminado e por mais escuro que o mundo pareça ser, quando o ser humano se junta consegue milagres extraordinários. Na vida temos que enfrentar muitas adversidades, mas quando nos juntamos um ao outro a coragem aumenta, o nosso potencial se duplica e os nossos objetivos se tornam mais passíveis de realização.
ROMUALDO, J. S. Disponível em: http://www.portaleducacao.com.br. Acesso em: 29 set. 2015 (adaptado).
Na sentença “Pense numa vela acesa...” (3º parágrafo) o emprego da forma verbal retrata que
Provas
Questão presente nas seguintes provas
O circuito a seguir (figura 14) mostra um Amplificador Operacional cuja equação característica é: V0 = A.[(V+) – (V-)] onde A é o ganho.
Calcule V0 para um ganho de 100.000 e assinale a alternativa correta:

Figura 14
Provas
Questão presente nas seguintes provas
Uma fonte de alimentação de 220V é usada para carregar um capacitor de !$ \mathsf{25~\mu F} !$. Depois de completamente carregado, o capacitor é desconectado da fonte e conectado aos terminais de um indutor de 10 mH. Considere a resistência do circuito como desprezível e calcule a frequência das oscilações do circuito.
Provas
Questão presente nas seguintes provas
Sobre o controle da Administração Pública, é CORRETO afirmar que
Provas
Questão presente nas seguintes provas
A função do comutador nos motores CC é:
Provas
Questão presente nas seguintes provas
Queremos ter uma corrente de !$ \mathsf{250\mu A} !$ em um indutor puro de circuito de rádio submetido a uma amplitude voltagem de 3,60V, com uma frequência de 1,60MHz (correspondente ao limite superior da banda AM da frequências de rádio).
Qual é a reatância indutiva necessária e a sua indutância?
Provas
Questão presente nas seguintes provas
Considere as afirmações a respeito das entradas USB 2.0 e 3.0:
I - O USB 3.0 permite uma velocidade maior de transferência de dados.
II - O USB 2.0 permite receber e enviar dados simultaneamente.
III - O USB 3.0 permite receber e enviar dados simultaneamente.
IV - Os conectores USB são retrocompatíveis, ou seja, um dispositivo USB 2.0 funciona em uma entrada USB 3.0 e vice-versa, no entanto as velocidades de transferência são limitadas ao padrão USB 2.0.
É CORRETO afirmar que:
Provas
Questão presente nas seguintes provas
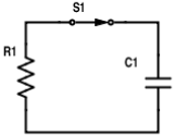
Na figura 7, antes da chave S1 ser fechada, o capacitor C1 foi carregado com uma carga inicial de \( \mathsf{15,0~\mu C} \). A seguir a chave foi fechada no instante t=0 e capacitor começou a descarregar.

Figura 7
Considerando a figura 7, qual o valor da corrente elétrica no instante t=10s?
Considere a resistência \( \mathsf{R1=1M\Omega} \) e \( \mathsf{C1=10~\mu F} \).
Provas
Questão presente nas seguintes provas
Cadernos
Caderno Container