Foram encontradas 670 questões.
A figura a seguir apresenta um circuito baseado em um diodo Zener hipotético, destinado a manter uma tensão regulada entre os pontos A e B.

As características do diodo Zener são: Vz = 5 V, Pzmax = 0,5 W, Izmin = 0,01A, Izmax = 0,1 A. O valor da fonte de alimentação é F = 18 V e R1 = 50 Ω. Assinale a alternativa que apresente uma faixa de valores de R2 que possibilite o diodo Zener operar na sua faixa de regulação.
Provas
Analise o circuito a seguir, que possui uma fonte de corrente alternada senoidal V1, cujo valor de pico é 20 V, uma fonte de corrente contínua de valor 2 V, dois diodos de silício típicos, D1 e D2, e um resistor R.

A forma de onda da tensão Vs é
Provas
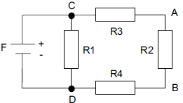
Analise o circuito a seguir, no qual R1 = 300 Ω, R2 =100 Ω, R3 = 200 Ω, R4 = 300 Ω e F = 30 V.

Sobre o circuito, é correto afirmar que
Provas
Um Técnico de Laboratório de Eletrônica montou o seguinte circuito com capacitores (os valores das capacitâncias estão expressos em μF):

Esse técnico mediu a capacitância entre os pontos A e B e obteve o valor de 15 μF. Dessa forma, o valor da capacitância C medida, em μF,
Provas
Cada carta de um jogo é numerada com um dos dez números de 1 a 10 e também tem desenhado um destes três formatos: quadrado, círculo e triângulo. Em uma caixa, estão 120 dessas cartas igualmente distribuídas quanto às características mencionadas.
O número mínimo de cartas que devem ser retiradas da caixa, aleatoriamente, para que se tenha necessariamente pelo menos 2 cartas com o mesmo número e 5 cartas com a mesma figura é igual a:
Provas
Uma agência de turismo fez uma enquete com um grupo de pessoas para verificar a incidência de visitas a três localidades não tão divulgadas, que são: Cânion Guartelá (CG), Chapada Imperial (CI) e Serra da Barriga (SB). Parte dos resultados está divulgada a seguir.
• Número de pessoas que visitaram apenas CI: x
• Número de pessoas que visitaram apenas CG: x + 3
• Número de pessoas que visitaram apenas SB: x – 6
• Número de pessoas que visitaram apenas CG e SB: y
• Número de pessoas que visitaram apenas CG e CI: 3y – 10
• Número de pessoas que visitaram apenas SB e CI: x + y
• Número de pessoas que visitaram as três localidades: 2x – 4
• Número de pessoas que visitaram CG: 46
• Número de pessoas que visitaram CI: 50
Com base nessas informações, é correto afirmar que o número de pessoas que visitaram duas, e apenas duas, dessas localidades é igual a:
Provas
Certo dia, em uma gincana que se iniciou às 10 horas e que terminou exatamente às 10 horas, 5 minutos e 35 segundos, eram tocados dois apitos, A e B, em intervalos regulares de tempo – o primeiro, a cada 20 segundos, e o segundo, a cada 15 segundos. Todos os alunos deveriam permanecer sentados, e, toda vez que o apito A tocava, os alunos do 7º ano deveriam se levantar dos assentos; e, toda vez que o apito B tocava, eram os alunos do 8º ano que deveriam se levantar. Às 10 horas, os dois apitos tocaram, simultaneamente.
Então, nessa gincana, o número total de vezes em que alunos de apenas uma dessas turmas deveriam se levantar dos assentos foi igual a:
Provas
Marta tinha R$ 900,00 e gastou metade dessa quantia em um supermercado. Em seguida, Marta gastou a oitava parte do que havia restado em uma farmácia e voltou para casa com o restante do dinheiro.
Mônica, sua irmã, também tinha R$ 900,00 e gastou a quarta parte dessa quantia comprando roupas. Em seguida, Mônica gastou a quarta parte do que havia restado comprando sapatos e voltou para casa com o restante do dinheiro.
A diferença entre os valores com os quais Mônica e Marta voltaram para casa é igual a:
Provas
Uma equipe de 8 pessoas trabalha no setor de manutenção de uma empresa. Toda segunda-feira são sorteadas duas dessas pessoas para ficarem de plantão no sábado seguinte, para desempenharem, ambas, a mesma função.
O número possível de duplas diferentes como resultado desse sorteio é igual a:
Provas
Os símbolos químicos de magnésio e de sódio e a abreviatura da enzima lactato desidrogenase são, respectivamente:
Provas
Caderno Container