Foram encontradas 50 questões.
Uma ferramenta muito usada em controles elétricos é a transformada de Laplace, que converte uma expressão do domínio do tempo para o domínio da frequência. Um sinal foi modelado através da expressão h ( t) = cos k t. Este sinal no domínio da frequência, utilizando a transformada de Laplace, é
Provas
A norma NBR-5418 estabelece: “As instalações elétricas em indústrias, particularmente as químicas e petroquímicas, onde existe a possibilidade de formação de ambientes com misturas explosivas, devem receber atenção especial”. Com base nesse dispositivo, a NBR-5410 classificou estas instalações com o código
Provas
Um grupo gerador de emergência de 900 kVA – 380V /220V ligação estrela aterrado atenderá ao prédio administrativo do Campus quando da falta de energia da concessionária. O gerador possui reatância subtransitória de 10%. É correto afirmar que o disjuntor que interligará o gerador ao quadro geral do prédio, desprezando a impedância da trajetória gerador – quadro, deverá ter a seguinte especificação mínima:
Provas
Uma indústria possui um forno de indução trifásico de 150 kW ,fator de potência 70% .A rede elétrica será de três condutores fase ,neutro e terra ,todos de cobre, método de referência de instalação D, e operará em ambiente de 30°C .Observe a tabela de cabos apresentada abaixo, desprezando a presença de harmônicos na rede e com a carga operando a plena carga na tensão de linha 220 V.
Capacidades de condução de corrente, em ampères, para os métodos de referência A1, A2, B1, B2, C e D Condutores: cobre Isolação: PVC Temperatura no condutor: 70°C Temperaturas de referência do ambiente: 30°C (ar)

Com base na tabela acima, afirma-se corretamente que a bitola do condutor de proteção da instalação, de acordo com a NBR-5410, é
Provas
Observe as tabelas a seguir, que contém informações sobre fatores de dimensionamento.
Fatores de correção para temperaturas ambientes diferentes de 30ºC para linhas não subterrâneas.

Fatores de correção aplicáveis a condutores agrupados em feixe (em linhas abertas ou fechadas) e a condutores agrupados num mesmo plano,
em camada única.

Capacidades de condução de corrente, em ampères, para os métodos de referência A1, A2, B1, B2, C e D Condutores: cobre Isolação: PVC Temperatura no condutor: 70°C Temperaturas de referência do ambiente: 30°C (ar),

Uma rede elétrica trifásica tensão nominal de 220V, frequência 60Hz, que atenderá a uma carga, será construída com três cabos de cobre 95 mm2-70°C por fase em tubulação tipo eletroduto embutida em alvenaria (método de referência B1).Considerando que a temperatura máxima do ambiente onde está localizada a rede é de 40°C e com base nas tabelas é correto afirmar que a demanda máxima nominal atendida pela rede elétrica será de
Provas
Com base no esquema de aterramento designado por TT nas instalações elétricas de baixa tensão, é correto afirmar:
Provas
Disciplina: Segurança e Saúde no Trabalho (SST)
Banca: UFPA
Orgão: UNIFESSPA
Observe o quadro a seguir, no qual consta a literatura técnica que apresenta os efeitos da corrente elétrica sobre o corpo humano.

Uma pessoa que apresenta uma resistência elétrica entre o pé e a mão de 1200 ohms está usando uma luva que tem isolação de \( 1,00 M \Omega \) e toca em uma parte viva de uma instalação elétrica que possui tensão alternada de 16000 . Com base no quadro acima, é correto afirmar que a pessoa apresentará, como reações fisiológicas
Provas
Sobre proteção contra queimaduras, a norma NBR-5410, determina que “As partes acessíveis de componentes da instalação posicionados dentro da zona de alcance normal não devem atingir temperaturas que possam causar queimaduras em pessoas”. Portanto partes acessíveis, como alavancas, volantes ou punhos de dispositivos de manobra construídos de materiais metálicos devem atingir a temperatura máxima de
Provas
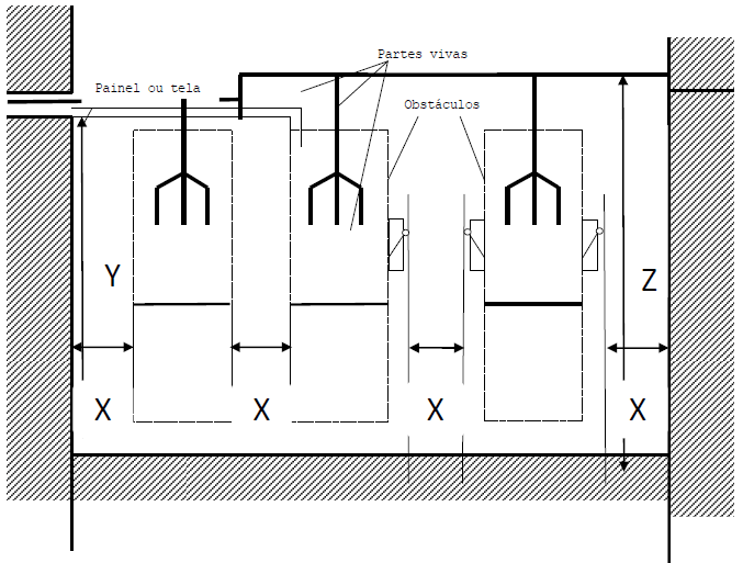
A norma NBR-5410 estabelece “Diferentes medidas de proteção contra choques elétricos podem ser aplicadas e coexistir numa mesma instalação” e “Os obstáculos são destinados a impedir o contato involuntário com partes vivas ,mas não o contato que resultar de uma ação deliberada de ignorar ou contornar o obstáculo”.Com base nas afirmações acima e considerando a figura abaixo, assinale a alternativa que especifica corretamente as distancias mínimas a serem obedecidas nas passagens destinadas à operação e/ou manutenção quando for assegurada proteção parcial por meio de obstáculos:

Provas
O circuito a seguir é designado por filtro passa-baixa. Considerando-se \( R=5k \Omega \) e \( C= 0,01 \mu F \), a constante de tempo do circuito:

Provas
Caderno Container